Сутінковий вимикач 16А U=12-264AC/DC AZ-B-PLUS-UNI

Index local:
APF117FIFQ
Numéro de catalogue:
AZ-B-PLUS-UNI
Code EAN:
5908312592617
Producteur: F&F
Гістерезис: Ok. 15Lx
Потужність [Вт]: 0,8
Монтаж: На DIN-рейці ТН-35
Prix:
143,91 zł
Брутто / pcs.
(y compris la TVA 23%)
Accessible 19 pcs.
Ramassage en 1h
Livraison en 3h
Quantité pcs.
(plusieurs:
1
)
Ajouter à la demande de devis
Ajouter au presse-papiers
Imprimer

Description du produit

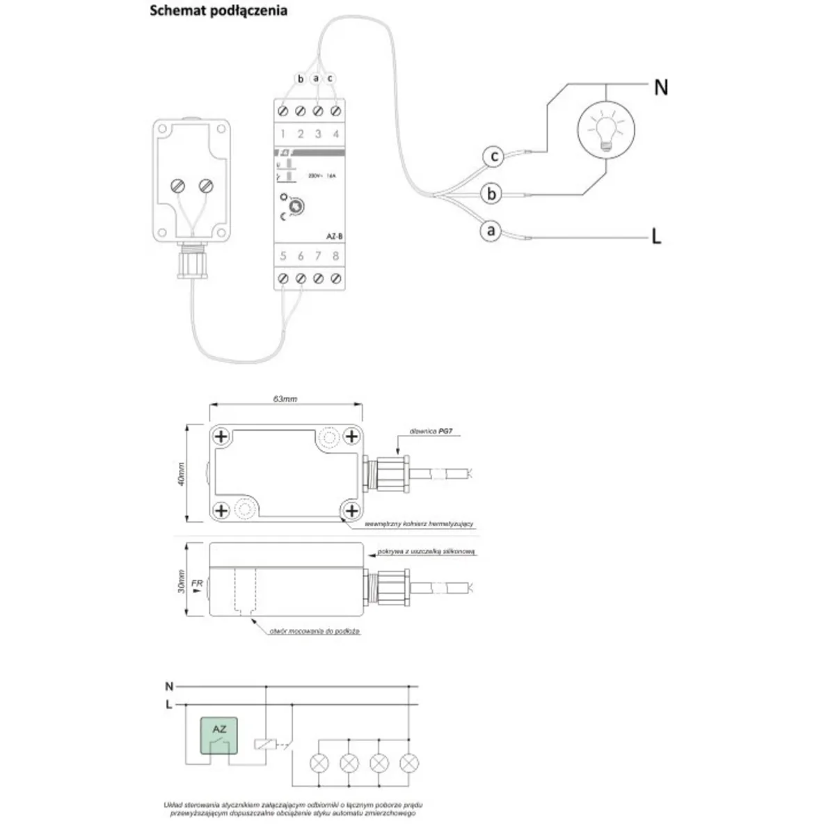
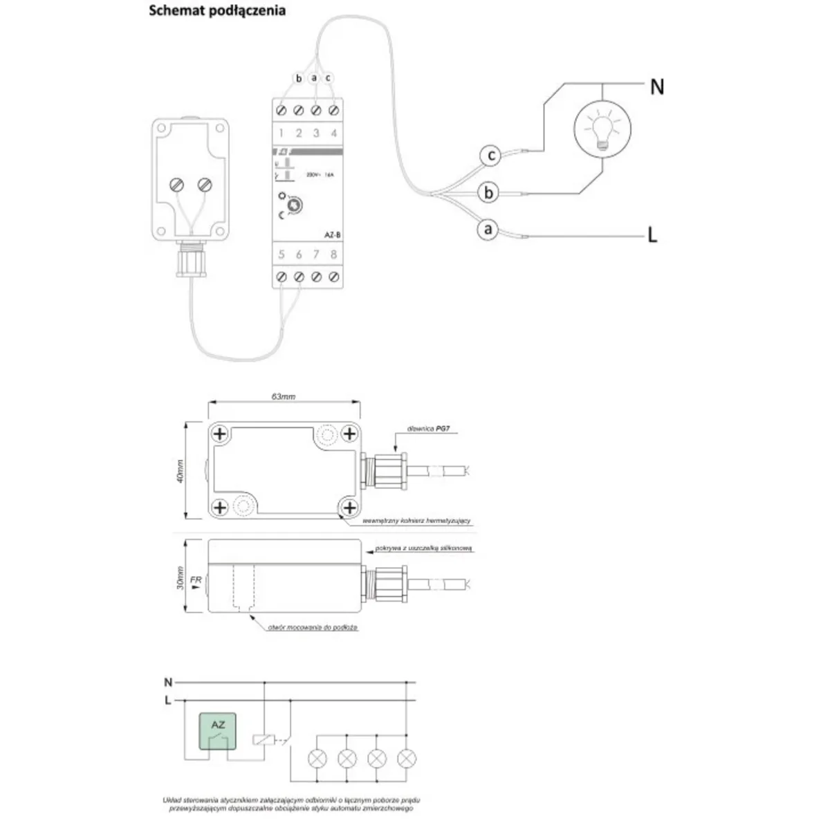
Сутінковий вимикач використовується для автоматичного ввімкнення освітлення вулиць, площ, виставок, реклами тощо в сутінках і вимкнення освітлення на світанку. Якщо довжина з’єднувального кабелю датчика перевищує 10 м, його не слід прокладати близько до паралельного кабелю під напругою. від мережі або під високим струмом.

Données techniques

  • Гістерезис
    Ok. 15Lx
  • Монтаж
    На DIN-рейці ТН-35
  • Затримка вимкнення [сек]
    10-30
  • Регульований поріг спрацювання [Лк]
    2-1000
  • З’єднання
    Затискачі гвинтові 2,5мм
  • Робоча температура [°C]
    -25-50
  • Електроживлення [В]
    12-264
  • Електроживлення AZ-B UNI / AZ-B PLUS UNI [В]
    12-264
  • Ширина упакування [мм]
    40
  • PKWIU
    27.12.23.0
  • Потужність [Вт]
    0,8
  • Затримка спрацювання [сек]
    1-15
  • Струм навантаження [A]
    16
  • Виставлений поріг спрацювання [Лк]
    7
  • Ступінь захисту зонду
    IP 65
  • Розміри
    2 модулі (35мм)
  • Електроживлення AZ-B / AZ-B PLUS
    230В AC
  • Висота упакування [мм]
    150
  • Вага упаковки [кг]
    0.15

Autres données techniques

  • Napięcie znamionowe
    230 V
  • Maksymalna zdolność łączeniowa dla żarówek
    2000 W
  • Maksymalna zdolność łączeniowa dla świetlówek (kompensacja DUO)
    0 VA
  • Maks. moc przełączana LED
    250 W
  • Znamionowy prąd załączania
    16 A
  • Znamionowe napięcie czujnika
    0 V
  • Sposób montażu czujnika
    Inne
  • Szerokość wyrażona liczbą modułów
    2
  • Stopień ochrony (IP)
    IP20
  • Częstotliwość znamionowa
    0.00000000 ... 60.00000000 Hz
  • Maksymalna zdolność łączeniowa dla świetlówek
    600 VA
  • Maksymalna zdolność łączeniowa dla świetlówek (z kompensacją równoległą)
    750 VA
  • Maksymalny prąd załączania (cos φ = 0,6)
    12 A
  • Zakres regulacji jasności
    2 ... 1000 lx
  • Maksymalna długość przewodu czujnika
    10 m
  • Sposób montażu
    Szyna DIN
  • Głębokość wbudowania
    65 mm
  • Stopień ochrony (IP) czujnika
    IP65

Détails du fabricant

  • Producteur
    F&F Filipowski S.K.
  • Adresse
    95-200 Pabianice Konstantynowska 79/81 Polska

Emballage en vrac

Une sorte de paquet Sztuka
Quantité 1 pcs.
poids (kg) 0,151
Largeur (m) 0,070
Longueur (m) 0,095
Profondeur (m) 0,070
Signaler une erreur