 
                                     
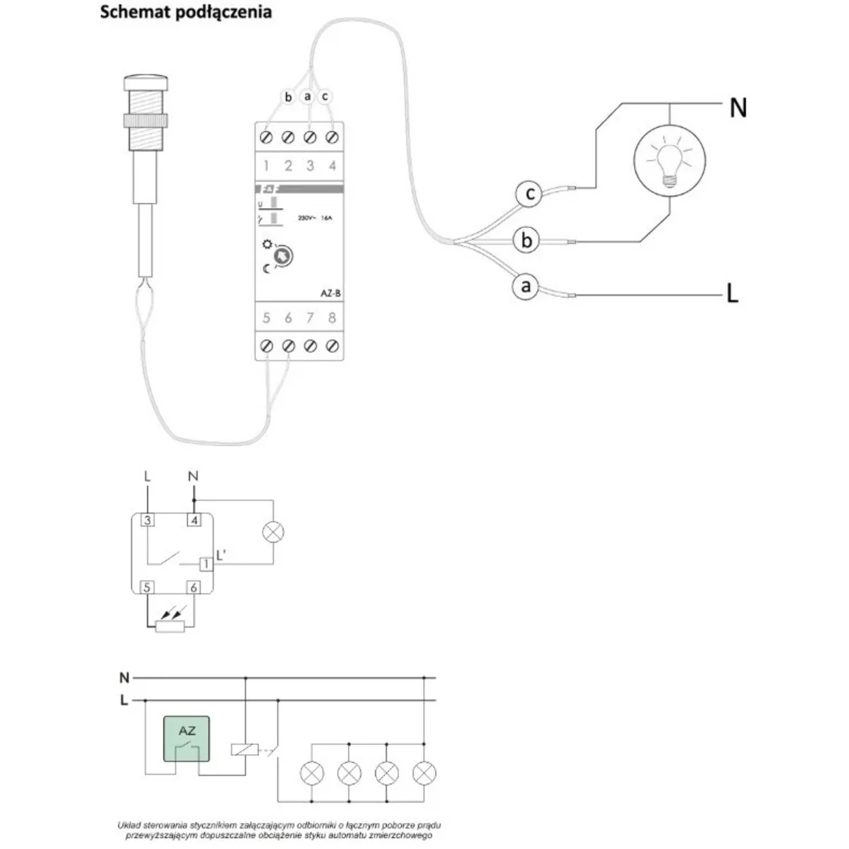
                                    Сутінковий вимикач використовується для автоматичного ввімкнення освітлення вулиць, площ, виставок, розміщення реклами тощо в сутінках і вимкнення освітлення на світанку. Якщо довжина з’єднувального кабелю датчика перевищує 10 м, його не слід прокладати близько до паралельного кабелю під напругою. від мережі або під високим струмом.
| Une sorte de paquet | Sztuka | 
| Quantité | 1 pcs. | 
| poids (kg) | 0,127 | 
| Largeur (m) | 0,056 | 
| Longueur (m) | 0,095 | 
| Profondeur (m) | 0,070 |