Реле контролю рівня дощової води 230В 16А 35мм PZ-828RC-WD

Índice local:
API144FIFQ
Número de catálogo:
PZ-828RC-WD
Código EAN:
5902431676036
Fabricante: F&F
Монтаж: На DIN-рейці ТН-35
Номінальна напруга [В]: 230
Споживання енергії [Вт]: 1,1
Precio:
245,61 zł
Брутто / uds.
(IVA incluido 23%)
Accesible 22 uds.
Recogida en 1h
Entrega en 3h
Cantidad uds.
(múltiple:
1
)
Añadir a solicitud de presupuesto
Añadir al portapapeles
Imprimir

Descripción del producto

Реле контролю рівня рідини

  • для контролю рівня дощової води
  • з регулюванням чутливості за допомогою користувача,
  • з одним станом,
  • у комплекті з датчиком PZ.< /strong>

Виявляє електропровідні рідини на рівні установки датчика повені.

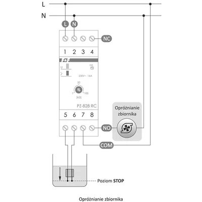
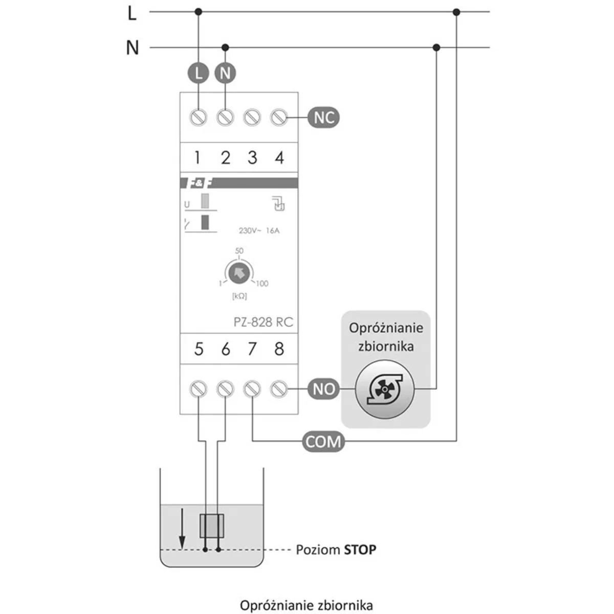
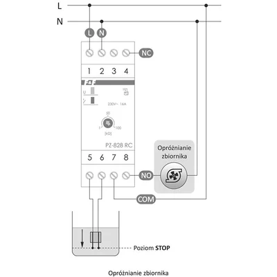
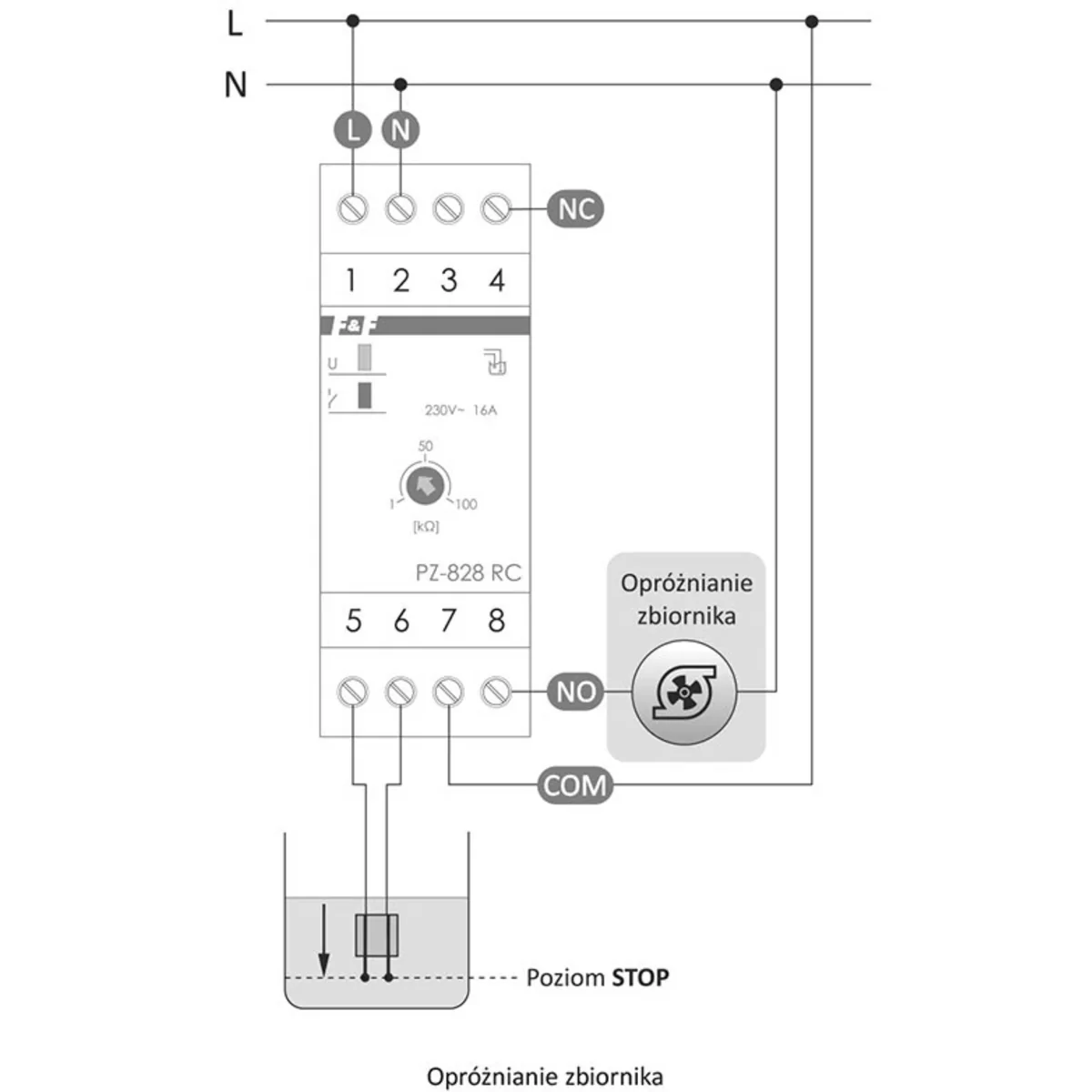
Як працює реле контролю рівня дощової води?
У сухому стані контакт реле залишається в положенні 7-4. При заповненні зонда рідиною (тобто електроди зонда замкнуті накоротко) контакт реле перемикається в положення 7-8. Після падіння рівня рідини (відкриття електродів зонда) контакт реле повертається в положення 7-4.
 

Спосіб підключення зонда
Конструкція зонда дозволяє монтувати його на плоскій горизонтальній поверхні, наприклад, на підлозі в кімнаті з гідроклапанами, проточними трубами або в пральні. Завдяки цьому можна швидко виявити несправність (залиття приміщення рідиною) при відключенні електричних ланцюгів або активації звукових чи світлових сигналів (сигналізації).< br />
Кабель зонда можна подовжити до 100 м.

До входу 5-6 можна підключити до 10 зондів - послідовно або паралельно:

  • послідовно - для залежної системи контролю рівня рідини в багато точок - усі підключені датчики повинні бути замкнуті одночасно, щоб реле працювало
  • паралельно - для альтернативної системи контролю рівня рідини в багатьох точках - принаймні один із підключених датчиків має бути замкнутий накоротко. При послідовному з’єднанні чутливість датчиків знижується (зменшується електропровідність).
     

Увага!
Клеми 5-6 відокремлені від мережі.

Datos técnicos

  • Монтаж
    На DIN-рейці ТН-35
  • Споживання енергії [Вт]
    1,1
  • Ширина [кількість модулів]
    2
  • Робоча температура [°C]
    від -25 до +50
  • Номінальний струм навантаження [A]
    16
  • Номінальна напруга [В]
    230
  • Рівень безпеки
    IP20
  • Ширина [мм]
    35
  • Номінальна вихідна напруга [В]
    6

Detalles del fabricante

  • Fabricante
    F&F Filipowski S.K.
  • Dirección
    95-200 Pabianice Konstantynowska 79/81 Polska

Empaquetado a granel

una especie de paquete Sztuka
Cantidad 1 uds.
Peso (kg) 0,250
Ancho (m) 0,056
Longitud (m) 0,095
Profundidad (m) 0,070
Informar de un error