Scegliete il vostro grossista
I nostri servizi
www.b2b.el12.pl
www.akademia.el12.pl
www.elstilo.com.pl
Per il fornitore
Per il cliente
/ Polonia / PLN / lordo
Tutte le categorie
Materiale elettrico
Automazione
Materiale elettrico
Illuminazione
Quadri elettrici e involucri
Cavi e fili
Instradamento di cavi e fili
Collegamento di cavi e fili
Protezione contro i fulmini
Ventilazione e riscaldamento
Utensili
Dispositivi di misurazione
Monitoraggio, allarmi, citofoni
Fonti di energia
Abbigliamento protettivo e sanitario sul lavoro
Chimica
Fotovoltaico
Dispositivi elettronici
Altro
Più prodotti
vendita
Outlet
Richieste di informazioni
Appunti
0
Carrello
0
Accedi / Registrati
Login
Email
Password
Non ricordo la mia password
Accedi
Non hai un account?
Registro
Categorie
Produttori
Perché noi
Outlet
Promozioni
I più venduti
Contatto
el12
Kabel- und Drahtführung
Kabelrohre
Metallkanäle
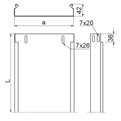
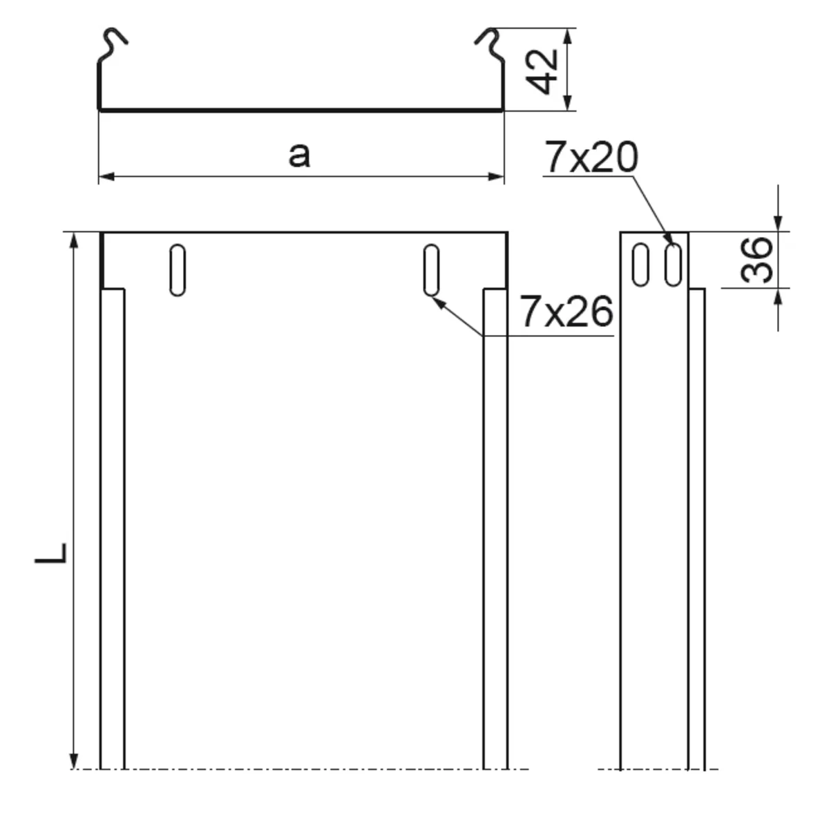
Kanal KBR50H42/2 141505
Indice locale:
TKM170BAKS
Numero di catalogo:
141505
Codice EAN:
5900993030754
Clicca sulla foto per ingrandire
Produttore:
BAKS
Länge [m]:
2
Länge [mm]:
2000
Blechdicke [mm]:
0,5
Vedi la descrizione completa
Prodotto di grandi dimensioni
Prezzo:
19,82 zł
brutto / pezzi
(inclusa IVA 23%)
9,91 zł brutto/metro
fino a 4 settimane
Su ordinazione
Quantità pezzi
(multiplo:
1
)
Aggiungi al carrello
Aggiungi alla richiesta di preventivo
Aggiungi agli appunti
Stampa
Chiedi informazioni sul prodotto
Descrizione del prodotto
Dati tecnici
Dettagli del produttore
File da scaricare
Descrizione del prodotto
Perforiertes Stahlblech für Kabeltrassen. Kanäle mit Aussparungen an der Seite des Kanals können durch Ineinanderschieben ohne Verwendung von Verbindungsstücken verbunden werden. Tabletts ohne Aussparungen können nur mit Verbindern verbunden werden.
Espandi la descrizione completa ▼
Dati tecnici
Länge [m]
2
Blechdicke [mm]
0,5
Breite [mm]
50
Einhaltung der Normen
PN-EN 103462011
Länge [mm]
2000
Material
verzinkter Stahl
Typ
KBR50H42/2
PKWIU
25.11.23.0
Altri dati tecnici
Höhe
42 mm
Materialstärke
0.5 mm
Nutzbarer Querschnitt
1900 mm²
Seitenlochung
Nein
NATO-Lochbild
Nein
Weitspann-Ausführung
Nein
Werkstoff
Stahl
Werkstoffgüte
sonstige
Farbe
sonstige
Breite
50 mm
Länge
2000 mm
Mit Oberteil
Nein
Montagelochung im Boden
Nein
Ausführung
integrierter Verbinder
Geeignet für Funktionserhalt
Nein
Rostfreier Stahl, gebeizt
Nein
Oberfläche
feuerverzinkt
Gewicht
0.6 kg/m
Ampliare i dati tecnici ▼
Dettagli del produttore
Produttore
BAKS Kazimierz Sielski
Indirizzo
05-480 Karczew Jagodne 5 Polska
Email
baks@baks.com.pl
File da scaricare
Scarica tutti i file
Deklaracja-Zgodnosci-UE-nr-1_23-CE-standard-PN-EN.pdf
Certyfikat-i-raport-VDE-ciągłość-elektryczna-koryt-drabin-i-ceowników-EN_DE.pdf
BAKS-TM-BS-EN.pdf
BAKS-TM.pdf
BAKS_9001_Certyfikat_PL.pdf
BAKS_14001_Certyfikat_PL.pdf
Atest-Higieniczny.pdf
Segnala un errore