Choisissez votre grossiste
Nos services
www.b2b.el12.pl
www.akademia.el12.pl
www.elstilo.com.pl
Pour le fournisseur
Pour le client
/ Pologne / PLN / brut
Catégories
Appareils électriques
Automatisation
Équipement électrique
Éclairage
Tableaux et enveloppes
Câbles et fils
Faire passer des câbles et des fils
Câbles et fils de connexion
Protection contre la foudre
Aération et chauffage
Outils
Instruments de mesure
Surveillance, alarmes, interphones
Sources d'énergie
Vêtements de protection et de sécurité au travail
Chimie
Plus de produits
Photovoltaïque
Autre
vente
Sortie
Demandes de renseignements
Presse-papiers
0
Panier
0
S'identifier / Registre
Se connecter
E-mail
Mot de passe
Souviens-toi de moi
S'identifier
J'ai oublié mon mot de passe
Vous n'avez pas de compte ?
Enregistrer
Catégories
Producteurs
Pourquoi nous
Sortie
Promotions
Bestsellers
Contact
el12
Прокладання проводів та кабелів
Кабель-канали
Кабель-канали металеві
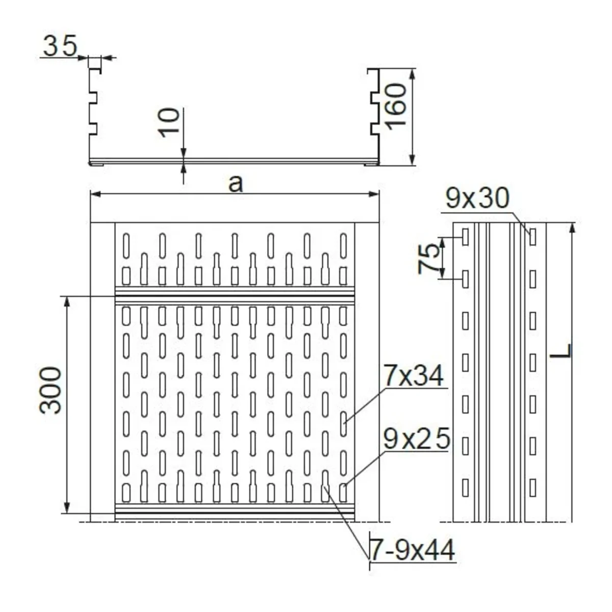
Лоток оцинкований ширина 500мм довжина 6м висота 160мм 275116
Index local:
TKM830BAKS
Numéro de catalogue:
275116
Code EAN:
5900993213249
Cliquer sur la photo pour l'agrandir
Producteur:
BAKS
Довжина [мм]:
6000
Товщина [мм]:
1,5
Матеріал:
Сталь гарячого цинкування
Voir la description complète
Produit de grande taille
Prix:
1269,70 zł
Брутто / pcs.
(y compris la TVA 23%)
Livraison en 3h
jusqu'à 4 semaines (jours ouvrables)
Ramassage en 1h
Quantité pcs.
(plusieurs:
1
)
Ajouter au panier
Ajouter à la demande de devis
Ajouter au presse-papiers
Imprimer
Renseignez-vous sur le produit
Description du produit
Données techniques
Détails du fabricant
Fichiers à télécharger
Description du produit
Лоток для прокладки кабельних трас у холах або місцях з обмеженою кількістю несучих конструкцій. Висока міцність жолобів дозволяє використовувати опори навіть через кожні 10 м.
Développer la description complète ▼
Données techniques
Довжина [мм]
6000
Матеріал
Сталь гарячого цинкування
Висота [мм]
160
PKWIU
25.11.23.0
Товщина [мм]
1,5
Ширина а [мм]
500
Використовуваний переріз [мм2]
68 900
Élargir les données techniques ▼
Détails du fabricant
Producteur
BAKS Kazimierz Sielski
Adresse
05-480 Karczew Jagodne 5 Polska
E-mail
baks@baks.com.pl
Fichiers à télécharger
Deklaracja-Zgodnosci-UE-nr-1_23-CE-standard-PN-EN.pdf
BAKS-TM-BS-EN.pdf
BAKS-TM.pdf
BAKS_9001_Certyfikat_PL.pdf
BAKS_14001_Certyfikat_PL.pdf
Atest-Higieniczny.pdf
Signaler une erreur