Лоток оцинкований ширина 200мм довжина 6м висота 160мм 272116

Index local:
TKM883BAKS
Numéro de catalogue:
272116
Code EAN:
5900993213218
Producteur: BAKS
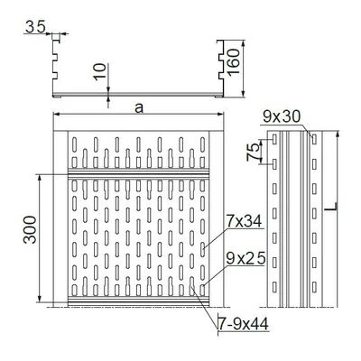
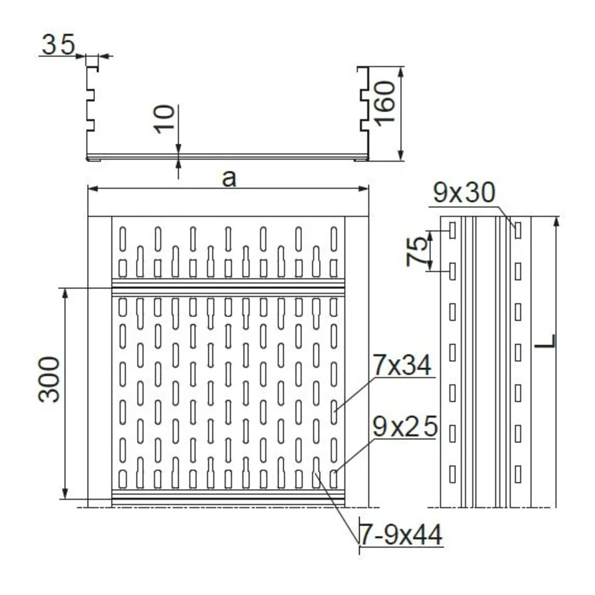
Довжина [мм]: 6000
Товщина [мм]: 1,5
Матеріал: Сталь гарячого цинкування
Produit de grande taille
Prix:
935,05 zł
Брутто / pcs.
(y compris la TVA 23%)
Livraison en 3h
jusqu'à 4 semaines (jours ouvrables)
Ramassage en 1h
Quantité pcs.
(plusieurs:
1
)
Ajouter à la demande de devis
Ajouter au presse-papiers
Imprimer

Description du produit

Лоток для прокладки кабельних трас у холах або місцях з обмеженою кількістю несучих конструкцій. Висока міцність жолобів дозволяє використовувати опори навіть через кожні 10 м.

Données techniques

  • Довжина [мм]
    6000
  • Матеріал
    Сталь гарячого цинкування
  • Висота [мм]
    160
  • PKWIU
    25.11.23.0
  • Товщина [мм]
    1,5
  • Ширина а [мм]
    200
  • Використовуваний переріз [мм2]
    29 800

Autres données techniques

  • Wysokość
    160 mm
  • Grubość materiału
    2 mm
  • Przekrój użyteczny
    29800 mm²
  • Perforacja boczna
    Так
  • Układ otworów montażowych NATO
    НІ
  • Model szerokorozpiętościowy
    Так
  • Materiał
    Stal
  • Gatunek materiału
    Inne
  • Kolor
    Inne
  • Szerokość
    200 mm
  • Długość
    6000 mm
  • Z pokrywą
    НІ
  • Perforacja montażowa w części dolnej
    Так
  • Model
    Bez łącznika
  • System utrzymania sprawności działania E30, E90 w czasie pożaru
    НІ
  • Stal nierdzewna, wytrawiona
    НІ
  • Zabezpieczenie powierzchni
    Ocynk ogniowy
  • Ciężar
    10.32 kg/m

Détails du fabricant

  • Producteur
    BAKS Kazimierz Sielski
  • Adresse
    05-480 Karczew Jagodne 5 Polska
Signaler une erreur