Лоток кабельний LKS 60X150 2M FS, LKS 615 FS 6048860

Index local:
TKM001OBOB
Numéro de catalogue:
6048860
Code EAN:
4012196044764
Producteur: OBO BETTERMANN
Тягар [кг/100м]: 155
Довжина [мм]: 2000
Товщина бляхи [мм]: 0,75
Produit de grande taille
Prix:
63,66 zł
Брутто / pcs.
(y compris la TVA 23%)
En rupture de stock
Ajouter à la demande de devis
Imprimer

Description du produit

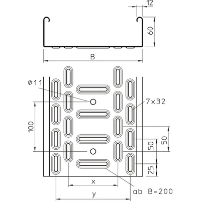
Лотки з висотою бортика 60 мм, для прокладання кабелів рожевого кольору. Монтаж лотків на кронштейни за допомогою гвинтів ФРСБ 6х12. Перфорація на дні лотка 7 x 32 мм полегшує монтаж і вентиляцію кабелів. Отвори 7 x 20 мм на бічній стінці служать як з’єднувальні отвори та для кріплення кришки. Канали шириною від 100 мм мають отвори в нижній частині Ø 11 мм і поперечною перфорацією, що посилює їх дно. Загнуті краї лотка забезпечують додаткову жорсткість і захист країв.

Données techniques

  • Тягар [кг/100м]
    155
  • Товщина бляхи [мм]
    0,75
  • PKWIU
    25.11.23.0
  • Довжина [мм]
    2000
  • Ширина [мм]
    150

Détails du fabricant

  • Producteur
    OBO Bettermann Polska Sp. z o.o.
  • Adresse
    02-495 Warszawa Kazimierza Gierdziejewskiego 7
  • Numéro identifiant TVA
    5211001039

Fichiers à télécharger

Signaler une erreur