Choisissez votre grossiste
Nos services
www.b2b.el12.pl
www.akademia.el12.pl
www.elstilo.com.pl
Pour le fournisseur
Pour le client
/ Pologne / PLN / brut
Catégories
Appareils électriques
Automatisation
Équipement électrique
Éclairage
Tableaux et enveloppes
Câbles et fils
Faire passer des câbles et des fils
Câbles et fils de connexion
Protection contre la foudre
Aération et chauffage
Outils
Instruments de mesure
Surveillance, alarmes, interphones
Sources d'énergie
Vêtements de protection et de sécurité au travail
Chimie
Plus de produits
Photovoltaïque
Autre
vente
Sortie
Demandes de renseignements
Presse-papiers
0
Panier
0
S'identifier / Registre
Se connecter
E-mail
Mot de passe
Souviens-toi de moi
S'identifier
J'ai oublié mon mot de passe
Vous n'avez pas de compte ?
Enregistrer
Catégories
Producteurs
Pourquoi nous
Sortie
Promotions
Bestsellers
Contact
el12
Rozdzielnice i obudowy
Akcesoria do rozdzielnic
Dławiki stożkowe 106 PG9, SZ 2036096
Index local:
RRR007OBOB
Numéro de catalogue:
2036096
Code EAN:
4012195172215
Cliquer sur la photo pour l'agrandir
Producteur:
OBO BETTERMANN
Kolor:
Szary
Trzonek:
PG9
Kolor dokładny:
Jasnoszary
Voir la description complète
Prix:
1,48 zł
brutto / pcs.
(y compris la TVA 23%)
Livraison en 3h
Accessible 156 pcs.
Ramassage en 1h
Quantité pcs.
(plusieurs:
1
)
Ajouter au panier
Ajouter à la demande de devis
Ajouter au presse-papiers
Imprimer
Renseignez-vous sur le produit
Description du produit
Données techniques
Détails du fabricant
Emballage en vrac
Description du produit
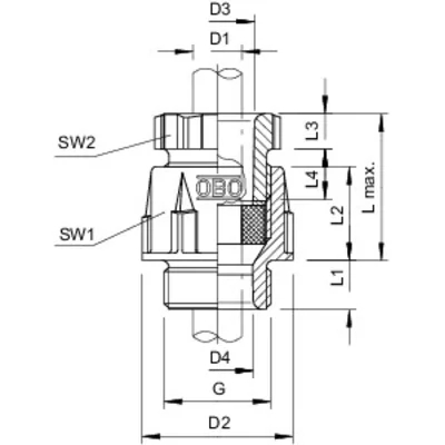
Standardowy dławik kablowy, kształt A według DIN 46320 z pierścieniem uszczelniającym zNR/SBR. Gwint PG wg DIN 40430. Stopień ochrony: z pierścieniem uszczelniajcym gwint IP65 bez pierścienia uszczelniającego gwint IP54.
Développer la description complète ▼
Données techniques
Kolor
Szary
Kolor dokładny
Jasnoszary
Trzonek
PG9
PKWIU
22.29.29.0
Autres données techniques
Rodzaj gwintu
PG
Długość gwintu
8 mm
Gatunek materiału
Inne
Bezhalogenowe
tak
Stopień ochrony (IP)
IP65
Kolor
Jasnoszary
Ochrona kabla przed zagięciem
nie
Model
Prosty
Z odciążeniem naprężeń
nie
Dławnica kablowa podzielna
nie
Do stref zagrożonych wybuchem gazu
Brak
Nominalny rozmiar gwintu metrycznego/PG
9
Do przewodów o średnicy
4.5 ... 7 mm
Zabezpieczenie powierzchni
Stan surowy
Wzmocniony włóknem szklanym
nie
Odporność na uderzenia
nie
Numer RAL
7035
Z przeciwnakrętką
nie
Wkładka uszczelniająca wieloprzewodowa
nie
Rodzaj uszczelnienia
Uszczelki
Wykonanie przeciwwybuchowe
nie
Do stref zagrożonych wybuchem pyłu
Brak
Élargir les données techniques ▼
Détails du fabricant
Producteur
OBO Bettermann Holding GmbH & Co. KG
Adresse
58710 Menden Hüingser Ring 52 Niemcy
E-mail
oferty@obo.pl
Emballage en vrac
Une sorte de paquet
Skrzynia
Karton
Paleta
Quantité
50 pcs.
600 pcs.
28800 pcs.
poids (kg)
0,323
4,165
224,910
Volume (m3)
0,001
0,014
0,912
Largeur (m)
0,075
0,185
0,800
Longueur (m)
0,135
0,295
1,200
Profondeur (m)
0,088
0,249
0,950
Signaler une erreur