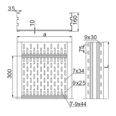
Korytko ocynkowane szerokość 600mm długość 6m wysokość 160mm 276116

Índice local:
TKM834BAKS
Número de catálogo:
276116
Código EAN:
5900993213256
Fabricante: BAKS
Długość [mm]: 6000
Grubość [mm]: 1,5
Materiał: Stal ocynkowana ogniowo
Producto grande
Precio:
1457,32 zł
brutto / uds.
(IVA incluido 23%)
hasta 4 semanas
Por encargo
Cantidad uds.
(múltiple:
1
)
Añadir a solicitud de presupuesto
Añadir al portapapeles
Imprimir

Descripción del producto

Korytko do prowadzenia tras kablowych w halach lub miejscach o ograniczonej ilości konstrukcji wsporczych. Duża wytrzymałość koryt pozwala na stosowanie podpór nawet co 10 m.

Datos técnicos

  • Długość [mm]
    6000
  • Materiał
    Stal ocynkowana ogniowo
  • Wysokosć [mm]
    160
  • PKWIU
    25.11.23.0
  • Grubość [mm]
    1,5
  • Szerokość a [mm]
    600
  • Przekrój użyteczny [mm²]
    93 800

Otros datos técnicos

  • Wysokość
    160 mm
  • Grubość materiału
    2 mm
  • Przekrój użyteczny
    93800 mm²
  • Perforacja boczna
    tak
  • Układ otworów montażowych NATO
    nie
  • Model szerokorozpiętościowy
    tak
  • Materiał
    Stal
  • Gatunek materiału
    Inne
  • Kolor
    Inne
  • Szerokość
    600 mm
  • Długość
    6000 mm
  • Z pokrywą
    nie
  • Perforacja montażowa w części dolnej
    tak
  • Model
    Bez łącznika
  • System utrzymania sprawności działania E30, E90 w czasie pożaru
    nie
  • Stal nierdzewna, wytrawiona
    nie
  • Zabezpieczenie powierzchni
    Ocynk ogniowy
  • Ciężar
    13.92 kg/m

Detalles del fabricante

  • Fabricante
    BAKS Kazimierz Sielski
  • Dirección
    05-480 Karczew Jagodne 5 Polska
Informar de un error