Wählen Sie Ihren Großhändler
Unsere Service
www.b2b.el12.pl
www.akademia.el12.pl
www.elstilo.com.pl
Für Lieferanten
Für Kundde
/ Polen / PLN / brutto
Alle Kategorien
Elektrische Geräte
Automation
Elektrisches Zubehör
Beleuchtung
Verteiler und Gehäuse
Kabel und Drähte
Kabel- und Drahtführung
Kabel- und Drähtverbindung
Blitzschutz
Lüftung, Heizung
Werkzeuge
Messgeräte
Überwachung, Alarme, Gegensprechanlagen
Stromversorgungen
Schutzkleidung
Reinigungs- und Wartungsmaterialien
Photovoltaik
Elektronische Geräte
Andere
Plus Produkte
Sonderangenote
Auslauf
Anfragen
Zwischenablage
0
Warenkorb
0
Einloggen / Registrieren
Anmeldung
E-Mail
Passwort
Erinnere dich an mich
Einloggen
Ich habe mein Passwort vergessen
Sie haben noch kein Konto?
Registrieren Sie sich
Kategorien
Hersteller
Warum wir
Auslauf
Sonderangebote
Verkaufsschlager
Kontakt
el12
Prowadzenie kabli i przewodów
Kanały
Kanały metalowe
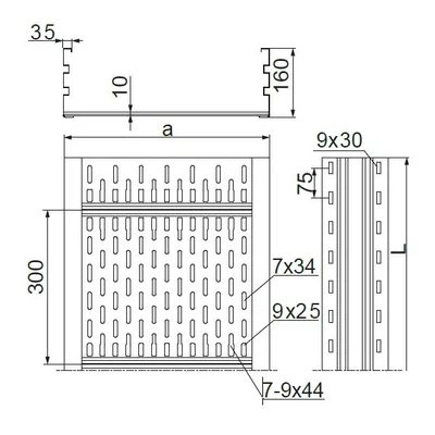
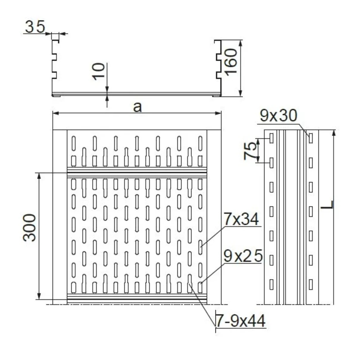
Korytko ocynkowane szerokość 500mm długość 6m wysokość 160mm 275116
Lokaler Index:
TKM830BAKS
Katalognummer:
275116
EAN-Code:
5900993213249
Klicken Sie auf das Foto, um es zu vergrößern
Hersteller:
BAKS
Długość [mm]:
6000
Grubość [mm]:
1,5
Materiał:
Stal ocynkowana ogniowo
Siehe vollständige Beschreibung
Großformatiges Produkt
Preis:
1 298,23 zł
brutto / stk.
(inklusive MwSt 23%)
bis zu 4 Wochen
Auf Bestellung
Menge stk.
(mehrere:
1
)
In den Warenkorb
Zur Angebotsanfrage hinzufügen
Zur Zwischenablage hinzufügen
Drucken
Fragen Sie nach dem Produkt
Produktbeschreibung
Technische Daten
Hersteller-Details
Dateien zum Herunterladen
Produktbeschreibung
Korytko do prowadzenia tras kablowych w halach lub miejscach o ograniczonej ilości konstrukcji wsporczych. Duża wytrzymałość koryt pozwala na stosowanie podpór nawet co 10 m.
Vollständige Beschreibung ausklappen ▼
Technische Daten
Długość [mm]
6000
Materiał
Stal ocynkowana ogniowo
Wysokosć [mm]
160
PKWIU
25.11.23.0
Grubość [mm]
1,5
Szerokość a [mm]
500
Przekrój użyteczny [mm²]
68 900
Technische Daten erweitern ▼
Hersteller-Details
Hersteller
BAKS Kazimierz Sielski
Adresse
05-480 Karczew Jagodne 5 Polska
E-Mail
baks@baks.com.pl
Dateien zum Herunterladen
Alle Dateien herunterladen
Deklaracja-Zgodnosci-UE-nr-1_23-CE-standard-PN-EN.pdf
BAKS-TM-BS-EN.pdf
BAKS-TM.pdf
BAKS_9001_Certyfikat_PL.pdf
BAKS_14001_Certyfikat_PL.pdf
Atest-Higieniczny.pdf
Fehler melden