Korytko KBR50H42/2 141505

Índice local:
TKM170BAKS
Número de catálogo:
141505
Código EAN:
5900993030754
Fabricante: BAKS
Długość [m]: 2
Długość [mm]: 2000
Grubość blachy [mm]: 0,5
Producto grande
Precio:
19,82 zł
brutto / uds.
(IVA incluido 23%)
9,91 zł brutto/metro
hasta 4 semanas
Por encargo
Cantidad uds.
(múltiple:
1
)
Añadir a solicitud de presupuesto
Añadir al portapapeles
Imprimir

Descripción del producto

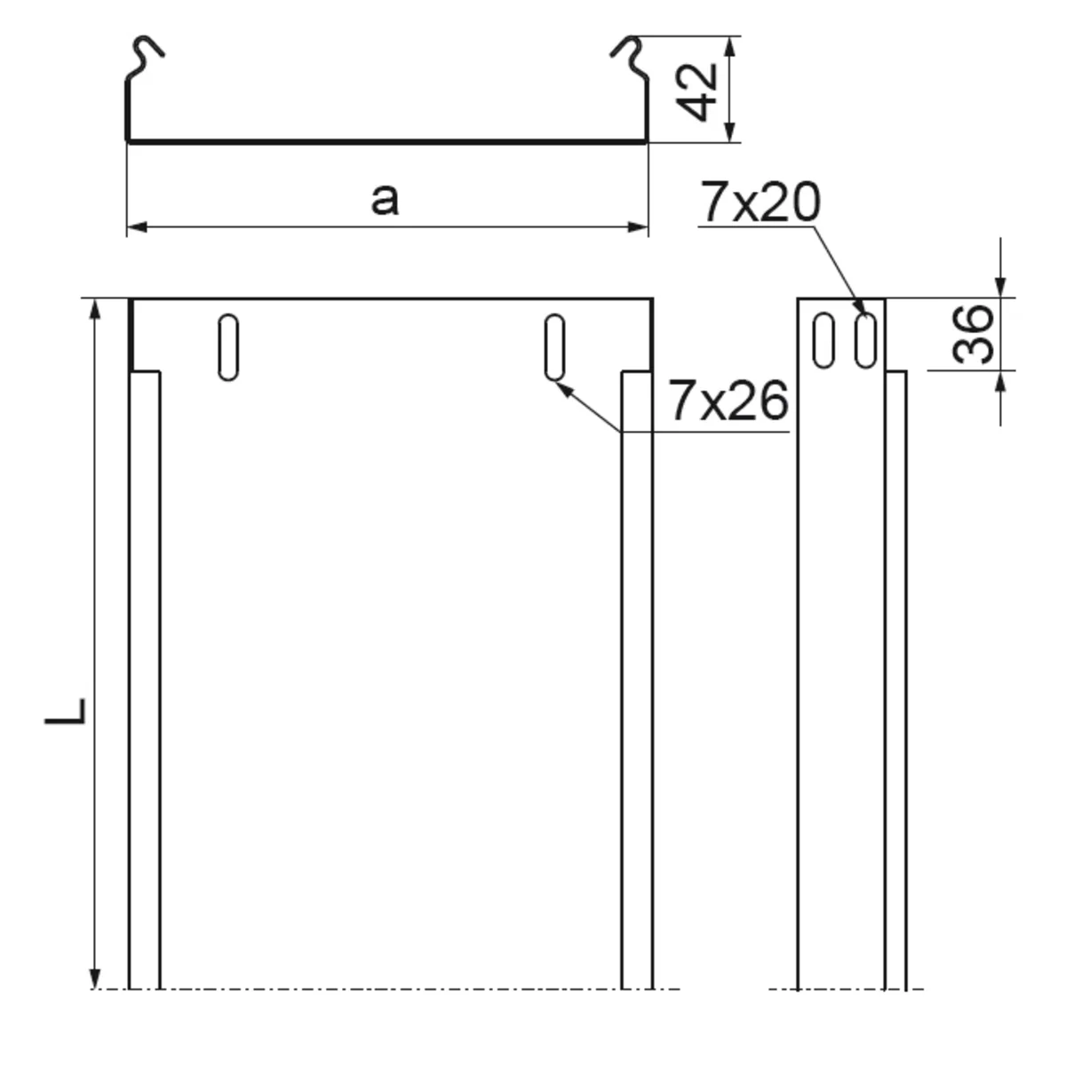
Perforowane korytko stalowe do  prowadzenia tras kablowych. Korytka posiadające wycięcia w burcie koryta można łączyć wsuwając jedno w drugie, bez zastosowania łączników. Koryta bez wycięć można łączyć tylko przy użyciu łączników.

Datos técnicos

  • Długość [m]
    2
  • Grubość blachy [mm]
    0,5
  • Szerokość [mm]
    50
  • Zgodność z normami
    PN-EN 103462011
  • Długość [mm]
    2000
  • Materiał
    Stal ocynkowana
  • Typ
    KBR50H42/2
  • PKWIU
    25.11.23.0

Otros datos técnicos

  • Wysokość
    42 mm
  • Grubość materiału
    0.5 mm
  • Przekrój użyteczny
    1900 mm²
  • Perforacja boczna
    nie
  • Układ otworów montażowych NATO
    nie
  • Model szerokorozpiętościowy
    nie
  • Materiał
    Stal
  • Gatunek materiału
    Inne
  • Kolor
    Inne
  • Szerokość
    50 mm
  • Długość
    2000 mm
  • Z pokrywą
    nie
  • Perforacja montażowa w części dolnej
    nie
  • Model
    Zintegrowany łącznik
  • System utrzymania sprawności działania E30, E90 w czasie pożaru
    nie
  • Stal nierdzewna, wytrawiona
    nie
  • Zabezpieczenie powierzchni
    Ocynk ogniowy
  • Ciężar
    0.6 kg/m

Detalles del fabricante

  • Fabricante
    BAKS Kazimierz Sielski
  • Dirección
    05-480 Karczew Jagodne 5 Polska
Informar de un error