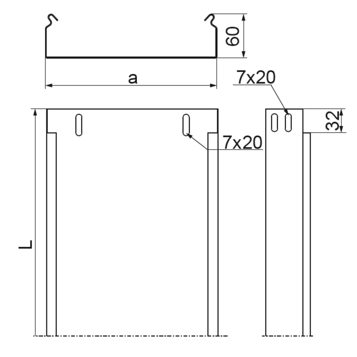
Korytko, KBJ600H60/3 161660

Índice local:
TKM406BAKS
Número de catálogo:
161660
Código EAN:
5900993034981
Fabricante: BAKS
Długość [mm]: 3000
Grubość blachy [mm]: 1
Materiał: Stal ocynkowana
Producto grande
Precio:
258,04 zł
brutto / uds.
(IVA incluido 23%)
hasta 4 semanas
Por encargo
Cantidad uds.
(múltiple:
1
)
Añadir a solicitud de presupuesto
Añadir al portapapeles
Imprimir

Descripción del producto

Możliwość łączenia koryt KBL..., KBJ... i KBD... poprzez wsuwanie jednego w drugie i montaż bez łączników.Koryta KBP... można łączyć tylko przy użyciu łączników (brak wycięcia w burcie koryta).

Do montażu należy użyć komplety śrubowe SGK M6x12 lub SG M6x12.

Datos técnicos

  • Długość [mm]
    3000
  • Materiał
    Stal ocynkowana
  • Typ
    KBJ600H60/3
  • Zgodność z normami
    PN-EN 103462011
  • Grubość blachy [mm]
    1
  • Szerokość [mm]
    600
  • Waga 1mb [kg]
    6
  • PKWIU
    25.11.23.0

Otros datos técnicos

  • Wysokość
    60 mm
  • Grubość materiału
    1 mm
  • Przekrój użyteczny
    35800 mm²
  • Perforacja boczna
    nie
  • Układ otworów montażowych NATO
    nie
  • Model szerokorozpiętościowy
    nie
  • Materiał
    Stal
  • Gatunek materiału
    Inne
  • Kolor
    Inne
  • Szerokość
    600 mm
  • Długość
    3000 mm
  • Z pokrywą
    nie
  • Perforacja montażowa w części dolnej
    nie
  • Model
    Zintegrowany łącznik
  • System utrzymania sprawności działania E30, E90 w czasie pożaru
    nie
  • Stal nierdzewna, wytrawiona
    nie
  • Zabezpieczenie powierzchni
    Ocynk ogniowy
  • Ciężar
    5.63 kg/m

Detalles del fabricante

  • Fabricante
    BAKS Kazimierz Sielski
  • Dirección
    05-480 Karczew Jagodne 5 Polska
Informar de un error