Wybierz Swoją hurtownię
Nasze serwisy
www.b2b.el12.pl
www.akademia.el12.pl
www.elstilo.com.pl
Dla dostawcy
Dla klienta
/ Polska / PLN / brutto
Kategorie
Aparatura elektryczna
Automatyka
Osprzęt elektryczny
Oświetlenie
Rozdzielnice i obudowy
Kable i przewody
Prowadzenie kabli i przewodów
Łączenie kabli i przewodów
Ochrona odgromowa
Wentylacja i ogrzewanie
Narzędzia
Urządzenia pomiarowe
Monitoring, alarmy, domofony
Źródła zasilania
Odzież ochronna i bhp
Chemia
Produkty Plus
Fotowoltaika
Inne
Promocje
Outlet
Zapytania ofertowe
Schowek
0
Koszyk
0
Zaloguj / Zarejestruj
Logowanie
Email
Hasło
Zapamiętaj mnie
Zaloguj się
Nie pamiętam hasła
Nie masz konta?
Zarejestruj się
Kategorie
Producenci
Dlaczego My
Outlet
Promocje
Bestsellery
Kontakt
el12
Łączenie kabli i przewodów
Końcówki kablowe
Końcówki cu
Końcówka oczkowa rurowa KCS 6-16 KCS_6-16/1
Indeks lokalny:
TCC053ERKO
Nr katalogowy:
KCS_6-16/1
Kod EAN:
5905912828658
Kliknij zdjęcie, aby powiększyć
Producent:
ERKO
Materiał:
Miedź
Rodzaj:
Oczkowa
Przekrój [mm²]:
16
Zobacz cały opis
Cena:
2,83 zł
brutto / szt.
(w tym VAT 23%)
Dostawa do 3h
do 2 tygodni (dni robocze)
Odbiór za 1h
Ilość szt.
(wielokrotność:
1
)
Dodaj do koszyka
Dodaj do zapytania ofertowego
Dodaj do schowka
Drukuj
Zapytaj o produkt
Opis produktu
Dane techniczne
Dane producenta
Opis produktu
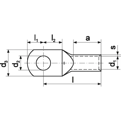
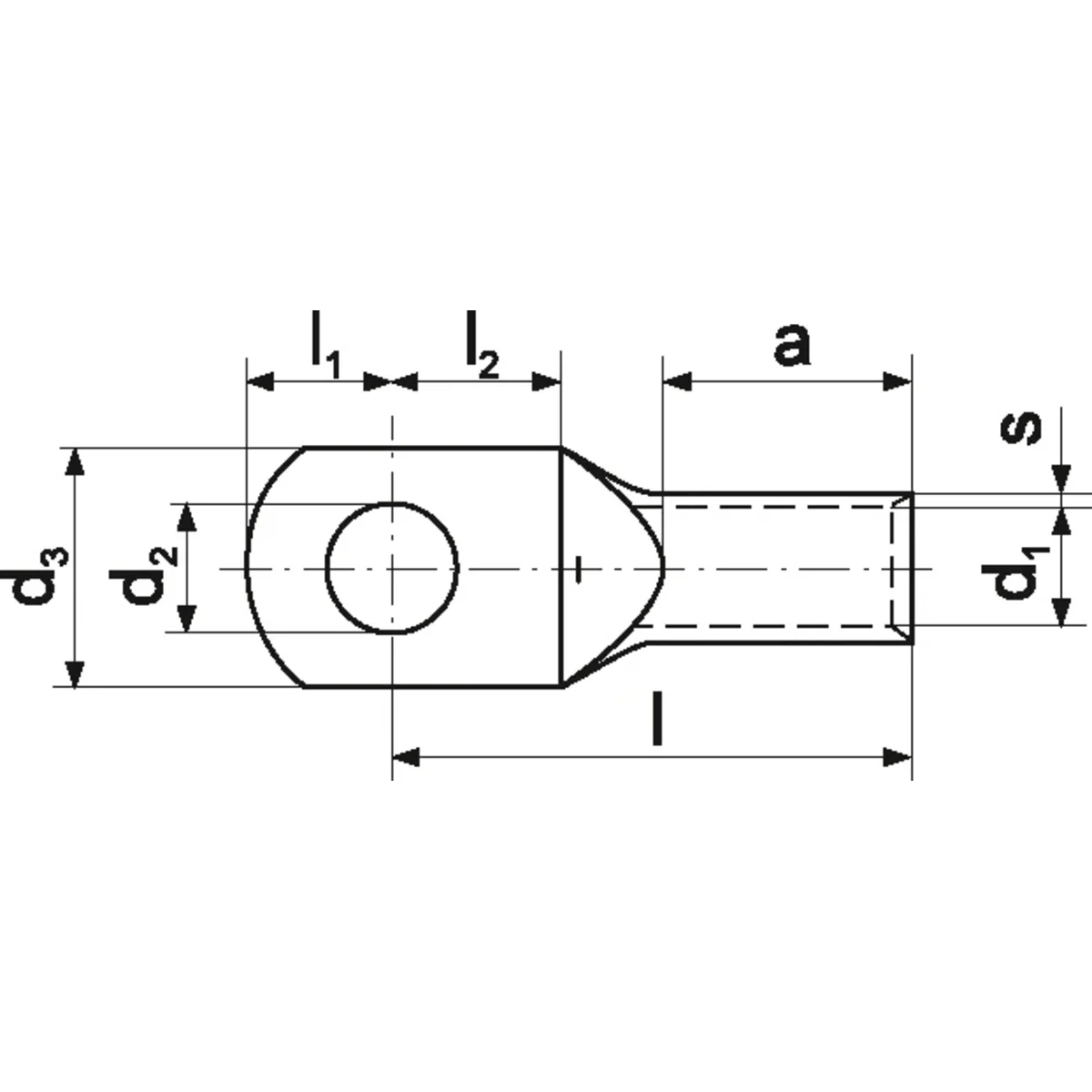
Końcówka oczkowa rurowa KCS 6-16
Rozwiń pełen opis ▼
Dane techniczne
Materiał
Miedź
Przekrój [mm²]
16
Otwór pod śrubę
M6
Rodzaj
Oczkowa
Przekrój przewodu [mm²]
16
Pokrycie
Cynowane galwanicznie
Pozostałe dane techniczne
Rozmiar gwintu metrycznego przyłącza
6
Kształt końcówki
Oczkowy
Z izolacją
nie
Materiał
Miedź
Nominalny przekrój poprzeczny
16 mm²
Kąt połączenia
180° (poziomo)
Model bez kołnierza
tak
Z otworem kontrolnym
nie
Zabezpieczenie powierzchni
Cynowanie
Rozwiń dane techniczne ▼
Dane producenta
Producent
ERKO sp. z o.o. sp.k.
Adres
11-042 Jonkowo Lipowa 24 Polska
Email
erko@erko.pl
Zgłoś błąd