Przekaźnik kontroli poziomu wody deszczowej 230V 16A 35mm PZ-828RC-WD

Indice locale:
API144FIFQ
Numero di catalogo:
PZ-828RC-WD
Codice EAN:
5902431676036
Produttore: F&F
Konfiguracja styków: 1 × NO/NC
Montaż: Na szynie TH-35
Napiecie znamionowe [V]: 230
Prezzo:
245,61 zł
brutto / pezzi
(inclusa IVA 23%)
Consegna in 3 ore
Accessibile 21 pezzi
Raccolta in 1h
Quantità pezzi
(multiplo:
1
)
Aggiungi alla richiesta di preventivo
Aggiungi agli appunti
Stampa

Descrizione del prodotto

Przekaźnik kontroli poziomu cieczy

  • do kontroli poziomu wody deszczowej,
  • z regulacją czułości przez użytkownika,
  • jednostanowy,
  • w komplecie z sondą PZ. 

Wykrywa ciecze przewodzące prąd elektryczny na poziomie zamontowania sondy zalania.

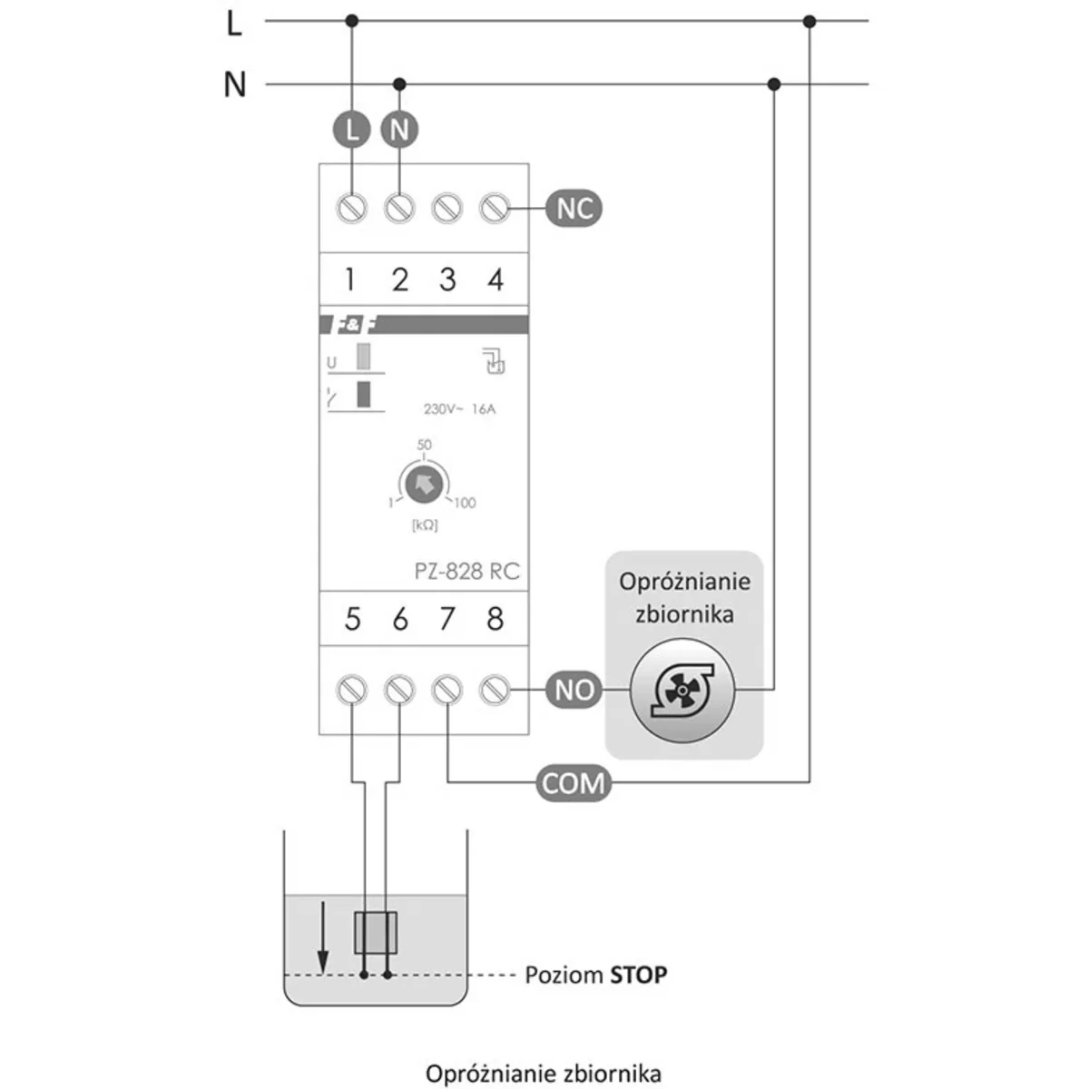
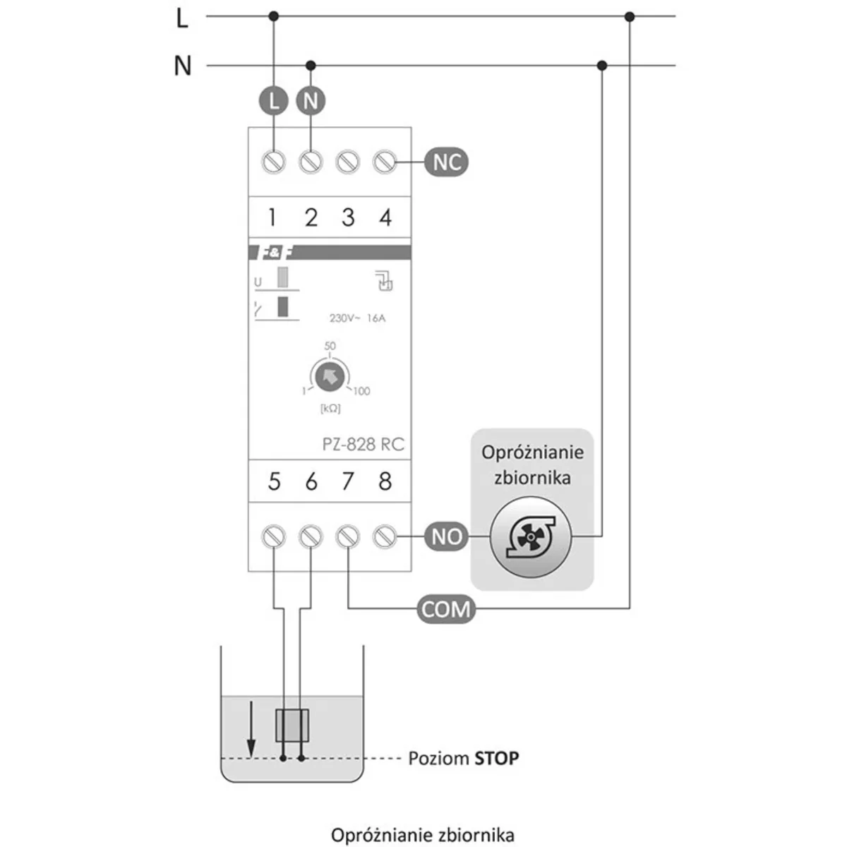
Jak działa przekaźnik kontroli poziomu wody deszczowej?
W stanie suchym styk przekaźnika pozostaje w pozycji 7-4. W chwili zalania sondy cieczą (tj. zwarcia elektrod sondy) styk przekaźnika zostaje przełączony w pozycję 7-8. Po spadku poziomu cieczy (rozwarciu elektrod sondy) styk przekaźnika powraca w pozycję 7-4.
 

Sposób podłączenia sondy
Konstrukcja sondy pozwala na zamontowanie jej na płaskim podłożu poziomym, np. na podłodze w pomieszczeniu z hydrozaworami, rurami przepływowymi lub w pralni. Dzięki temu możliwe jest szybkie wykrycie awarii (zalania pomieszczenia cieczą) z jednoczesnym wyłączeniem obwodów elektrycznych lub załączeniem sygnalizacji dźwiękowej lub świetlnej (alarmu).

Przewód sondy można przedłużyć do 100 m. 

Pod wejście 5-6 można podłączyć do 10 sond - szeregowo lub równolegle: 

  • szeregowo - dla zależnego układu kontroli poziomu płynu w wielu punktach - musi nastąpić jednocześnie zwarcie wszystkich podłączonych czujników, aby przekaźnik zadziałał
  • równolegle - dla alternatywnego układu kontroli poziomu płynu w wielu punktach - musi nastąpić zwarcie przynajmniej jednego, dowolnego z podłączonych czujników. Przy połączeniu szeregowym zmniejsza się czułość czujników (zmniejsza się przewodność). 
     

Uwaga!
Zaciski 5-6 są separowane od sieci.

Dati tecnici

  • Konfiguracja styków
    1 × NO/NC
  • Napiecie znamionowe [V]
    230
  • Stopień ochrony
    IP20
  • Szerokość [mm]
    35
  • Znamionowe napięcie wyjściowe [V]
    6
  • Czułość [kΩ]
    1-820
  • Montaż
    Na szynie TH-35
  • Pobór mocy [W]
    1,1
  • Szerokość [liczba modułów]
    2
  • Temperatura pracy [°C]
    od -25 do +50
  • Znamionowy prąd obciążenia [A]
    16

Dettagli del produttore

  • Produttore
    F&F Filipowski S.K.
  • Indirizzo
    95-200 Pabianice Konstantynowska 79/81 Polska

Imballaggio sfuso

Una specie di pacchetto Sztuka
Quantità 1 pezzi
Peso (kg) 0,250
Larghezza (m) 0,056
Lunghezza (m) 0,095
Profondità (m) 0,070
Segnala un errore