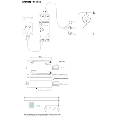
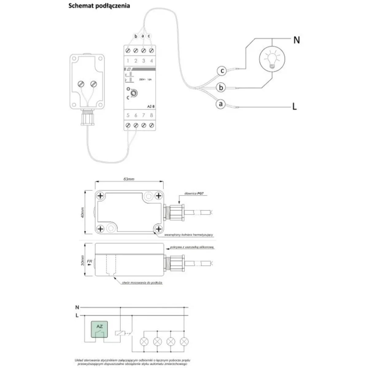
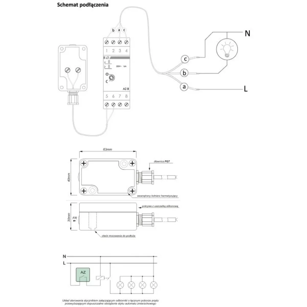
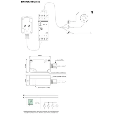
Automat zmierzchowy z zewnętrzną sondą hermetyczną AZ-B PLUS AZ-B-PLUS

Índice local:
APF111FIFQ
Número de catálogo:
AZ-B-PLUS
Código EAN:
5908312591092
Fabricante: F&F
Histereza: Ok. 15Lx
Moc [W]: 0,8
Opóźnienie zadziałania wyłączenia [s]: 1-15
Precio:
131,44 zł
brutto / uds.
(IVA incluido 23%)
Accesible 18 uds.
Recogida en 1h
Entrega en 3h
Cantidad uds.
(múltiple:
1
)
Añadir a solicitud de presupuesto
Añadir al portapapeles
Imprimir

Descripción del producto

Automat zmierzchowy służy do automatycznego załączania oświetlenia ulic, placów, wystaw, reklam, itp. o zmierzchu i wyłączania tegoż oświetlenia o świcie. Przy długości przewodu przyłączeniowego sondy powyżej 10m nie należy prowadzić go blisko równoległego przewodu będącego pod nap. sieci lub przewodzących duże prądy.
 

Datos técnicos

  • Histereza
    Ok. 15Lx
  • Opóźnienie zadziałania wyłączenia [s]
    1-15
  • Próg zadziałania - regulowany [Lx]
    2-1000
  • Przyłącze
    Zaciski śrubowe 2, 5mm
  • Temperatura pracy [°C]
    -25-50
  • Zasilanie AZ-B / AZ-B PLUS [V]
    230
  • Wysokość opakowania [mm]
    150
  • Waga opakowania [kg]
    0.35
  • Moc [W]
    0,8
  • Prąd obciążenia [A]
    <16
  • Próg zadziałania - ustawiony [Lx]
    Ok. 7Lx
  • Stopień ochrony
    IP65
  • Zasilanie [V]
    230
  • Zasilanie AZ-B UNI / AZ-B PLUS UNI
    12-264V AC/DC
  • Szerokość opakowania [mm]
    45
  • PKWIU
    27.12.23.0

Otros datos técnicos

  • Napięcie znamionowe
    230 V
  • Maksymalna zdolność łączeniowa dla żarówek
    2000 W
  • Maksymalna zdolność łączeniowa dla świetlówek (kompensacja DUO)
    0 VA
  • Maks. moc przełączana LED
    250 W
  • Znamionowy prąd załączania
    16 A
  • Znamionowe napięcie czujnika
    0 V
  • Sposób montażu czujnika
    Inne
  • Szerokość wyrażona liczbą modułów
    2
  • Stopień ochrony (IP)
    IP20
  • Częstotliwość znamionowa
    50 ... 50 Hz
  • Maksymalna zdolność łączeniowa dla świetlówek
    600 VA
  • Maksymalna zdolność łączeniowa dla świetlówek (z kompensacją równoległą)
    750 VA
  • Maksymalny prąd załączania (cos φ = 0,6)
    12 A
  • Zakres regulacji jasności
    2 ... 1000 lx
  • Maksymalna długość przewodu czujnika
    10 m
  • Sposób montażu
    Szyna DIN
  • Głębokość wbudowania
    65 mm
  • Stopień ochrony (IP) czujnika
    IP65

Detalles del fabricante

  • Fabricante
    F&F Filipowski S.K.
  • Dirección
    95-200 Pabianice Konstantynowska 79/81 Polska

Empaquetado a granel

una especie de paquete Sztuka
Cantidad 1 uds.
Peso (kg) 0,151
Ancho (m) 0,070
Longitud (m) 0,095
Profundidad (m) 0,070
Informar de un error