Relè controllo livello acqua piovana 230V 16A 35mm PZ-828RC-WD

Índice local:
API144FIFQ
Número de catálogo:
PZ-828RC-WD
Código EAN:
5902431676036
Fabricante: F&F
Installazione: Sulla rotaia TH-35
Tensione nominale [V]: 230
Consumo energetico [W]: 1,1
Precio:
253,28 zł
lordo / uds.
(IVA incluido 23%)
Accesible 21 uds.
Recogida en 1h
Cantidad uds.
(múltiple:
1
)
Añadir a solicitud de presupuesto
Añadir al portapapeles
Imprimir

Descripción del producto

Relè di controllo livello liquidi

  • per il controllo del livello dell'acqua piovana
  • con sensibilità di regolazione tramite utente,
  • monostato,
  • completo di sonda PZ.

Rileva liquidi elettricamente conduttivi a livello dell'installazione della sonda antiallagamento.

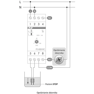
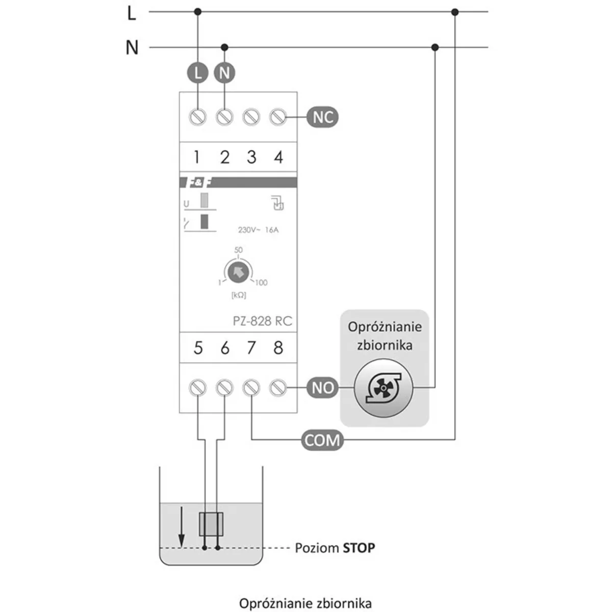
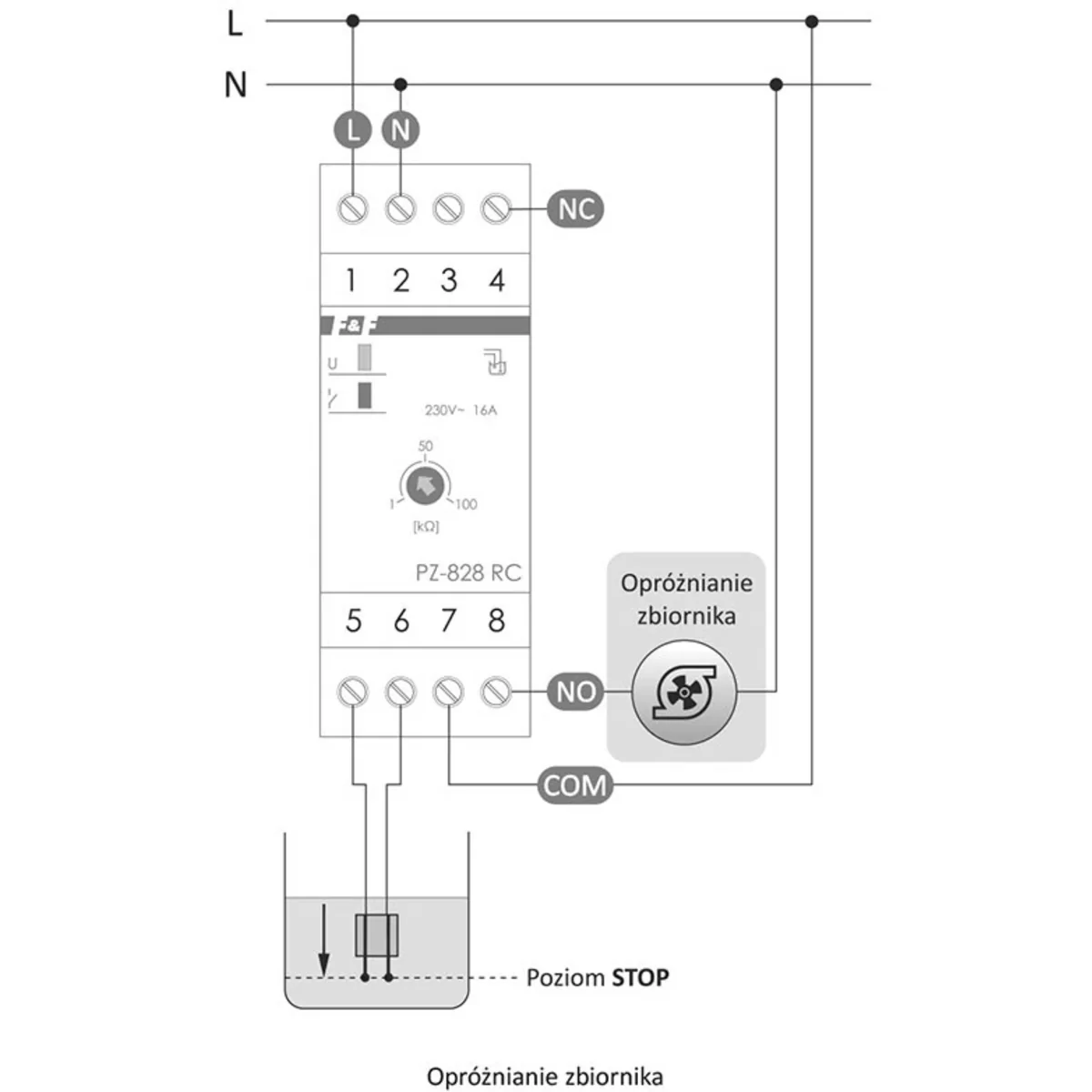
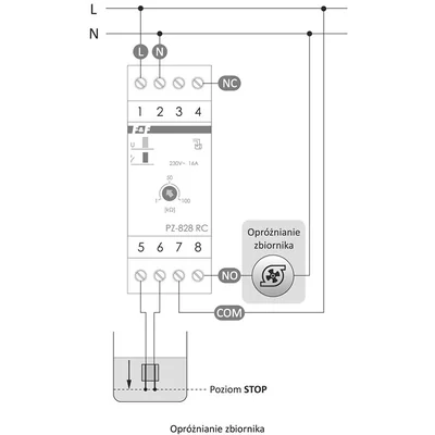
Come funziona il relè di controllo del livello dell'acqua piovana?
In condizioni asciutte, il contatto del relè rimane nella posizione 7-4. Quando la sonda è piena di liquido (ovvero gli elettrodi della sonda sono in cortocircuito), il contatto del relè viene commutato nella posizione 7-8. Dopo che il livello del liquido scende (apertura degli elettrodi della sonda), il contatto del relè ritorna nella posizione 7-4.
 

Modalità di collegamento della sonda
Il design della sonda ne consente il montaggio su una superficie piana e orizzontale, ad esempio sul pavimento in una stanza con valvole idroelettriche, tubi di flusso o in una lavanderia. Grazie a questo è possibile rilevare rapidamente un guasto (allagamento della stanza con liquidi) mentre si spengono circuiti elettrici o si attivano segnali acustici o luminosi (allarme).< br />
Il cavo della sonda può essere prolungato fino a 100 m.

È possibile collegare fino a 10 sonde all'ingresso 5-6 - in serie o in parallelo:

  • in serie - per un sistema di controllo del livello del fluido dipendente in molti punti - tutti i sensori collegati devono essere cortocircuitati contemporaneamente affinché il relè funzioni
  • parallelo - per un sistema alternativo di controllo del livello del fluido in molti punti punti - almeno uno dei sensori collegati deve essere cortocircuitato. Quando collegati in serie, la sensibilità dei sensori diminuisce (diminuisce la conducibilità).
     

Attenzione!
Morsetti 5- 6 sono separati dalla rete.

Datos técnicos

  • Installazione
    Sulla rotaia TH-35
  • Consumo energetico [W]
    1,1
  • Larghezza [numero di moduli]
    2
  • Temperatura di esercizio [°C]
    da -25 a +50
  • Corrente di carico nominale [A]
    16
  • Tensione nominale [V]
    230
  • Livello di sicurezza
    IP20
  • Larghezza [mm]
    35
  • Tensione di uscita nominale [V]
    6

Otros datos técnicos

  • Rodzaj połączenia elektrycznego
    Połączenie śrubowe
  • Rodzaj napięcia zasilającego
    AC
  • Liczba wejść dla elektrod
    1
  • Kaskadowość
    No
  • Liczba styków przełącznych
    1
  • Napięcie pracy dla AC 50 Hz
    230 ... 230 V
  • Szerokość
    35 mm
  • Głębokość
    60 mm
  • Z odłączalnymi zaciskami
    No
  • Napięcie zasilające dla AC 50 Hz
    230 ... 230 V
  • Maksymalna dozwolona zwłoka czasowa zadziałania
    2 s
  • Regulowana wartość nastawy czułości
  • Rodzaj napięcia zasilania
    AC
  • Znamionowy prąd załączania
    16 A
  • Wysokość
    90 mm

Detalles del fabricante

  • Fabricante
    F&F Filipowski S.K.
  • Dirección
    95-200 Pabianice Konstantynowska 79/81 Polska

Empaquetado a granel

una especie de paquete Sztuka
Cantidad 1 uds.
Peso (kg) 0,250
Ancho (m) 0,056
Longitud (m) 0,095
Profundidad (m) 0,070
Informar de un error