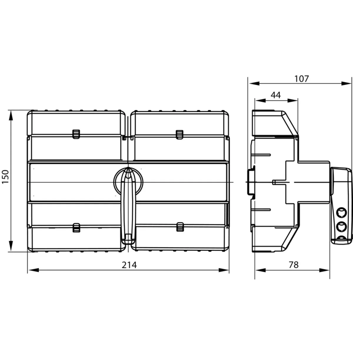
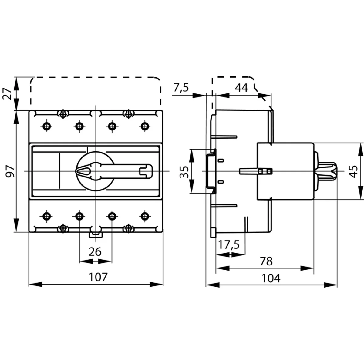
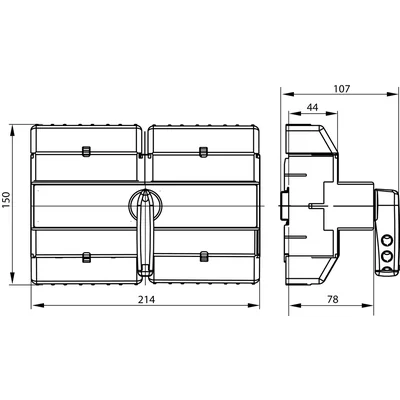
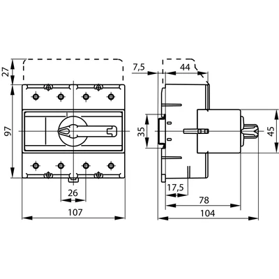
Interruttore di manovra-sezionatore tripolare +N (sezionabile) 125A per pomello esterno RSI-4125N\W01

Índice local:
ALI152SPAM
Número de catálogo:
RSI-4125N\W01
Código EAN:
5907723009561
Fabricante: SPAMEL
Corrente continua [A]: 125
Livello di sicurezza: IP20
Precio:
408,40 zł
lordo / uds.
(IVA incluido 23%)
hasta una semana
Por encargo
Cantidad uds.
(múltiple:
1
)
Añadir a solicitud de presupuesto
Añadir al portapapeles
Imprimir

Descripción del producto

Gli interruttori sezionatori compatti RSI sono progettati per funzionare in circuiti con tensione nominale fino a 690 V, nelle categorie di utilizzo AC-21A...AC-23A e in circuiti DC con tensione fino a 220 V. Gli interruttori possono essere installati in ambienti chiusi (grado di inquinamento 3 - uso industriale), a temperature da -40°C a +70°C.

Datos técnicos

  • Corrente continua [A]
    125
  • Livello di sicurezza
    IP20

Otros datos técnicos

  • Jako rozłącznik główny
  • Jako rozłącznik bezpieczeństwa
    No
  • Jako przełącznik nawrotny
    No
  • Maksymalne znamionowe napięcie pracy Ue AC
    690 V
  • Znamionowa moc pracy dla AC-23, 400 V
    30 kW
  • Liczba biegunów
    4
  • Liczba styków pomocniczych zwiernych
    0
  • Opcjonalny napęd silnikowy
    No
  • Opcjonalny wyzwalacz napięciowy
    No
  • Do montażu na płycie
  • Do montażu czołowego centralnie
    No
  • Do montażu pośredniego
    No
  • Z mechanizmem ryglującym
    No
  • Stopień ochrony (IP) części czołowej
    IP20
  • Jako rozłącznik remontowy
    No
  • Jako wyłącznik awaryjny
  • Liczba łączników
    1
  • Znamionowy prąd ciągły Iu
    125 A
  • Znamionowy warunkowy prąd zwarciowy Iq
    7.5 kA
  • Liczba styków pomocniczych rozwiernych
    0
  • Liczba styków pomocniczych przełącznych
    0
  • Wbudowany napęd silnikowy
    No
  • Budowa urządzenia
    Urządzenie mocowane na stałe
  • Do montażu tablicowego 4-otworowego
    No
  • Do instalacji w tablicach rozdzielczych
    No
  • Rodzaj elementu wykonawczego
    Pokrętło
  • Rodzaj podłączenia styków głównych
    Połączenie śrubowe

Detalles del fabricante

Informar de un error