 
                                     
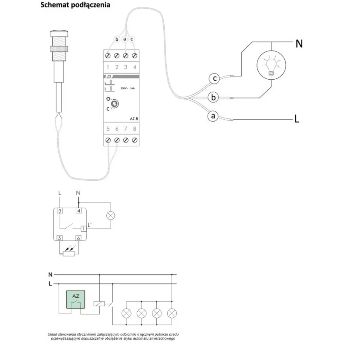
                                    L'interruttore crepuscolare serve per accendere automaticamente l'illuminazione di strade, piazze, mostre, pubblicità, ecc. al crepuscolo e spegnere l'illuminazione all'alba. Se il cavo di collegamento della sonda è più lungo di 10 m, non deve essere posato in prossimità di un cavo sotto tensione parallelo. reti o che trasportano grandi correnti.
| Свого роду пакет | Sztuka | 
| Кількість | 1 шт. | 
| Вага (кг) | 0,127 | 
| Ширина (м) | 0,056 | 
| Довжина (м) | 0,095 | 
| Глибина (м) | 0,070 |