Contatto ausiliario, ZP-NHK 248437

Index local:
ALA083MOEL
Numéro de catalogue:
248437
Code EAN:
4015082484378
Producteur: EATON
Tipo di tensione di controllo: AC
Prix:
245,77 zł
lordo / pcs.
(y compris la TVA 23%)
jusqu'à 2 semaines
Sur commande
Quantité pcs.
(plusieurs:
4
)
Ajouter à la demande de devis
Ajouter au presse-papiers
Imprimer

Description du produit

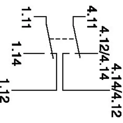
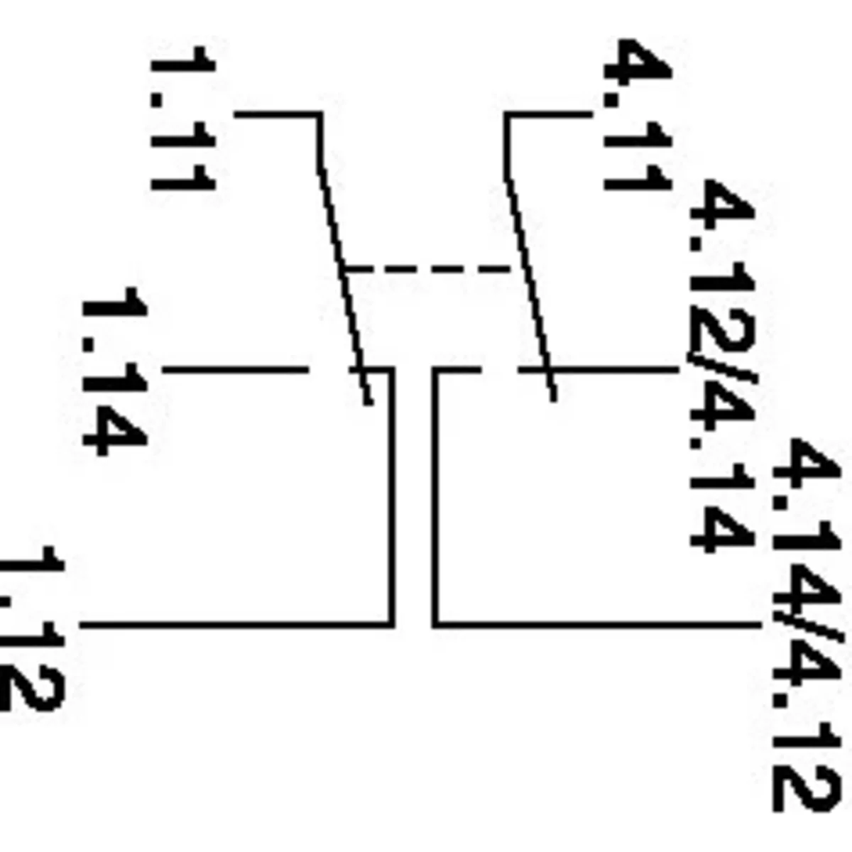
Contatto ausiliario, ZP-NHK

Données techniques

  • Tipo di tensione di controllo
    AC

Autres données techniques

  • Do montażu z
    Uniwersalny
  • Montowane fabrycznie
    No
  • Liczba styków rozwiernych
    0
  • Liczba styków sygnalizacji błędu
    0
  • Napięcie znamionowe
    250 V
  • Z samotestem prądu różnicowego
    No
  • Do maks. prądu styków głównych
    4 A
  • Rodzaj wyposażenia dodatkowego
    Styk sygnalizacyjny
  • Liczba styków zwiernych
    0
  • Liczba styków przełącznych
    2
  • Znamionowy prąd załączania
    4 A
  • Rodzaj napięcia sterowania
    AC
  • Do maks. liczby styków głównych (ogółem)
    2

Détails du fabricant

  • Producteur
    Eaton Electric Sp. z o.o.
  • Adresse
    80-299 Gdańsk Galaktyczna 30 Polska

Emballage en vrac

Une sorte de paquet Skrzynia Karton Karton Skrzynia Karton Karton
Quantité 1 pcs. 4 pcs. 120 pcs. 1 pcs. 4 pcs. 120 pcs.
poids (kg) 0,065 0,260 6,211 0,065 0,260 6,211
Volume (m3) 0,000 0,000 0,016 0,000 0,000 0,016
Largeur (m) 0,011 0,073 0,180 0,011 0,073 0,180
Longueur (m) 0,082 0,086 0,385 0,082 0,086 0,385
Profondeur (m) 0,077 0,075 0,230 0,077 0,075 0,230

Fichiers à télécharger

Signaler une erreur