Вибери свою гуртівню
Наші сервіси
www.b2b.el12.pl
www.akademia.el12.pl
www.elstilo.com.pl
Для постачальника
Для клієнта
/ Польща / PLN / Брутто
Категорії
Апаратура електрична
Автоматика
Електричне обладнання
Освітлення
Розподільчі шафи, корпуси
Кабелі та проводи
Прокладання проводів та кабелів
З’єднувачі проводів та кабелів
Блискавкозахист
Вентиляція та опалення
Інструменти
Вимірювальні прилади
Моніторинг, сигналізації, домофони
Джерела живлення
Одяг ЗІЗ
Хімія
Товари Plus
Cонячні ел/станції
Інше
Акції
Розпродаж
Запити
Буфер обміну
0
Кошик
0
Увійти / зареєструватися
Логін
Електронна пошта
Пароль
Запам’ятати мене
Вхід
Я забув свій пароль
У вас немає облікового запису?
Зареєструватися
Категорії
Виробники
Чому ми
Розпродаж
Акції
Бестселери
Контакт
el12
Câbles et fils de connexion
Cosses de câble
Conseils Cu
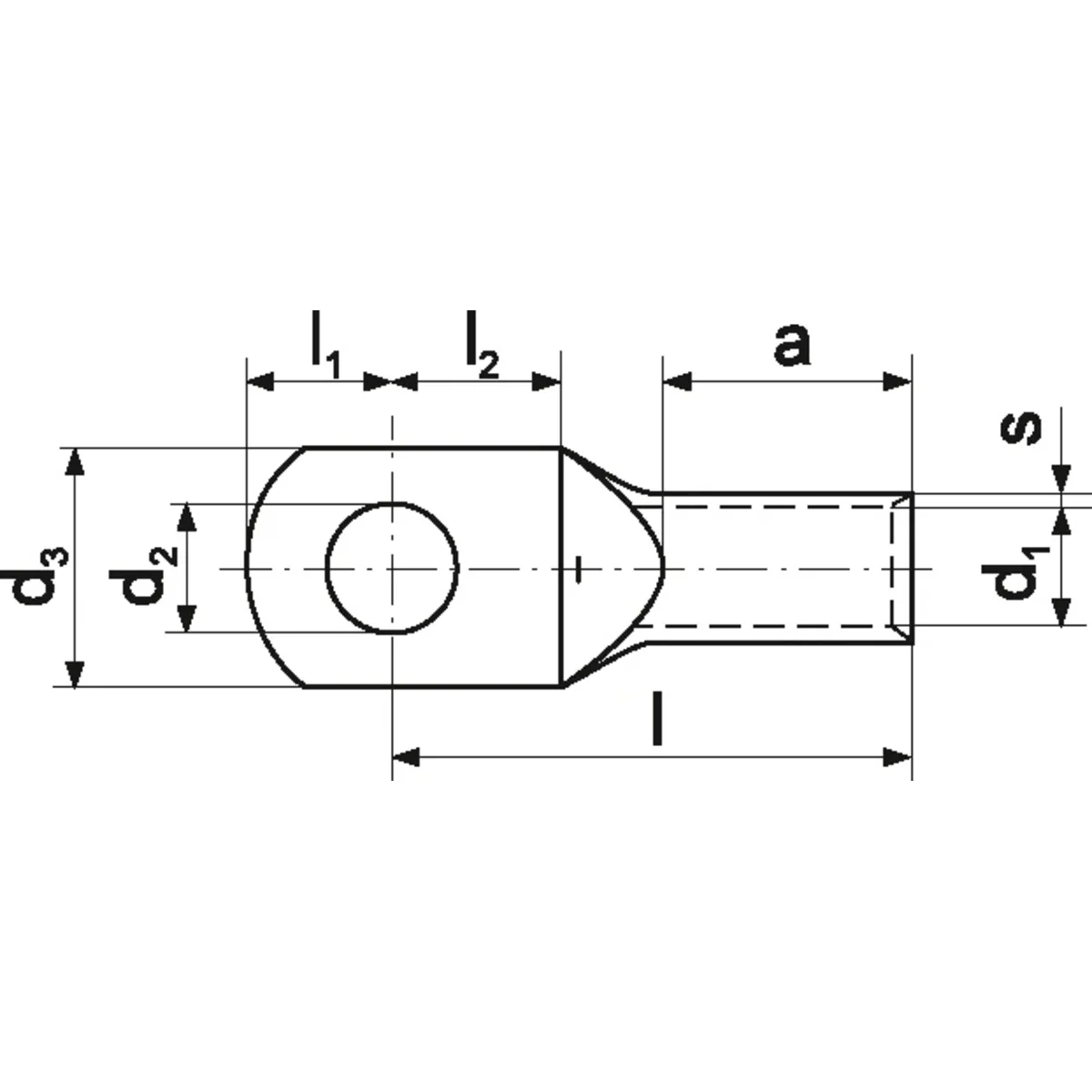
Cosse annulaire tubulaire KCS 6-16 KCS_6-16/1
Внутрішній артикул:
TCC053ERKO
№ каталоговий:
KCS_6-16/1
Код EAN:
5905912828658
Натисни на фото щоб збільшити
Виробник:
ERKO
Matériel:
Cuivre
Taper:
Oczkowa
section [mm²]:
16
Дивіться повний опис
Ціна:
2,83 zł
brut / шт.
(з ПДВ 23%)
Доставка за 3 години
до 2 тижнів (робочі дні)
Самовивіз через 1 год
Кількість шт.
(багаторазовий:
1
)
Додай до кошика
Додати до запиту на пропозицію
Додати в буфер обміну
Роздрукувати
Запитайте про товар
Опис товару
Технічні дані
Інформація про виробника
Опис товару
Terminal à œil tubulaire KCS 6-16
Розгорнути повний опис ▼
Технічні дані
Matériel
Cuivre
section [mm²]
16
Trou de vis
M6
Taper
Oczkowa
Section de fil [mm²]
16
Couverture
Étamé
Інші технічні дані
Rozmiar gwintu metrycznego przyłącza
6
Kształt końcówki
Oczkowy
Z izolacją
Non
Materiał
Miedź
Nominalny przekrój poprzeczny
16 mm²
Kąt połączenia
180° (poziomo)
Model bez kołnierza
Oui
Z otworem kontrolnym
Non
Zabezpieczenie powierzchni
Cynowanie
Розгорнути технічні характеристики ▼
Інформація про виробника
Виробник
ERKO sp. z o.o. sp.k.
Адреса
11-042 Jonkowo Lipowa 24 Polska
Електронна пошта
erko@erko.pl
Повідомити про помилку