Relais de contrôle du niveau d'eau de pluie 230V 16A 35mm PZ-828RC-WD

Índice local:
API144FIFQ
Número de catálogo:
PZ-828RC-WD
Código EAN:
5902431676036
Fabricante: F&F
Installation: Sur le rail TH-35
Tension nominale [V]: 230
Consommation électrique [W]: 1,1
Precio:
253,28 zł
brut / uds.
(IVA incluido 23%)
Accesible 21 uds.
Recogida en 1h
Cantidad uds.
(múltiple:
1
)
Añadir a solicitud de presupuesto
Añadir al portapapeles
Imprimir

Descripción del producto

Relais de contrôle du niveau de liquide

  • pour le contrôle du niveau d'eau de pluie
  • avec sensibilité de régulation par le utilisateur,
  • mono-état,
  • complet avec sonde PZ.

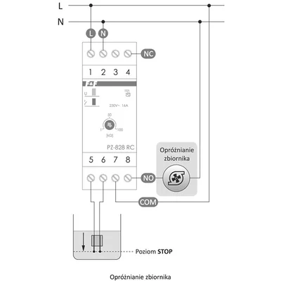
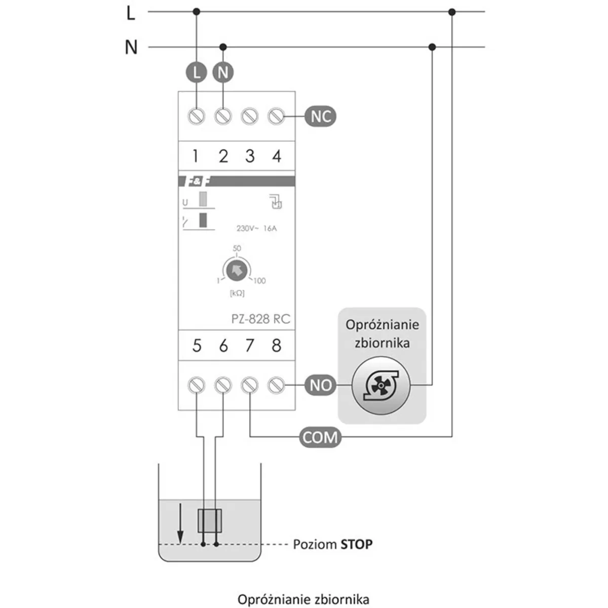
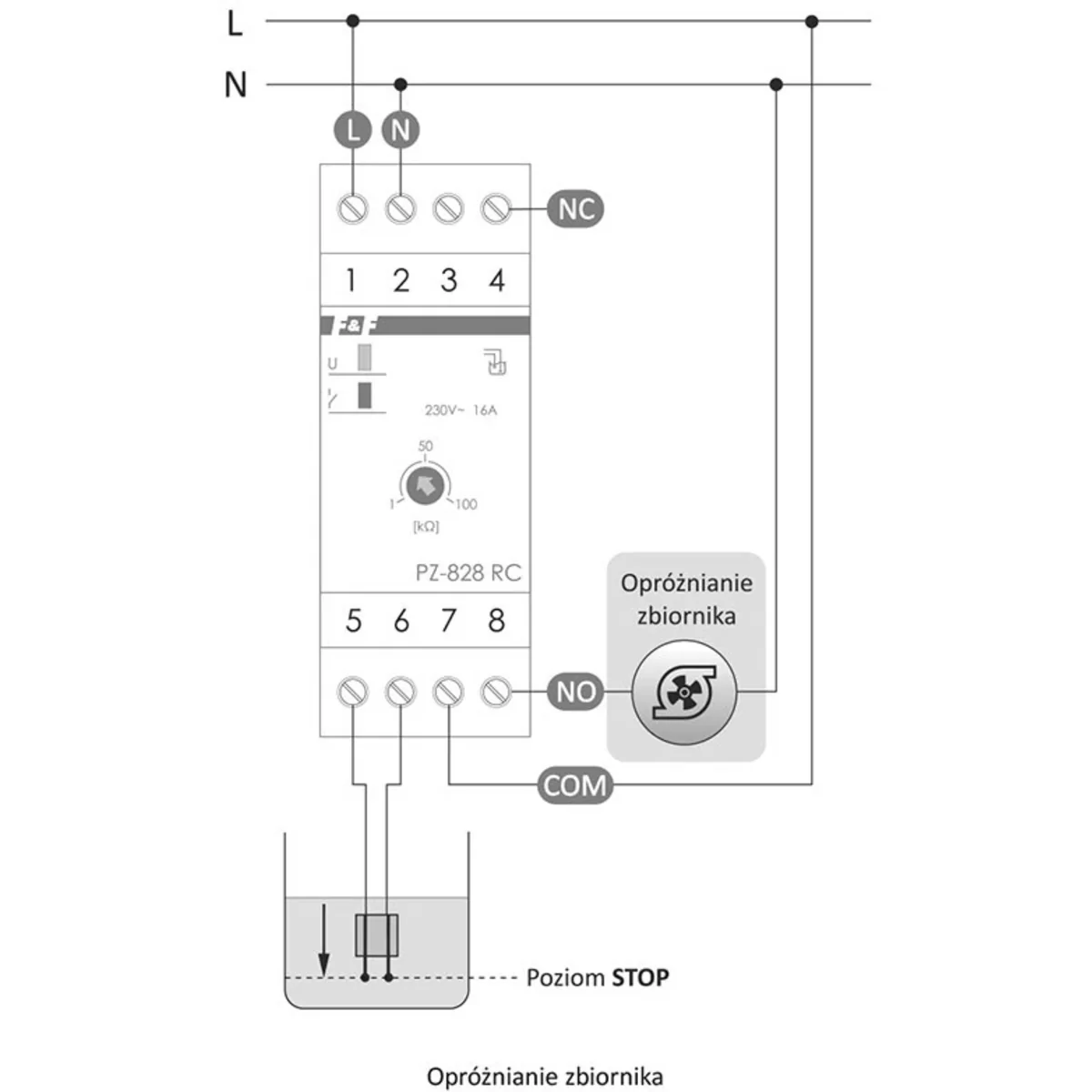
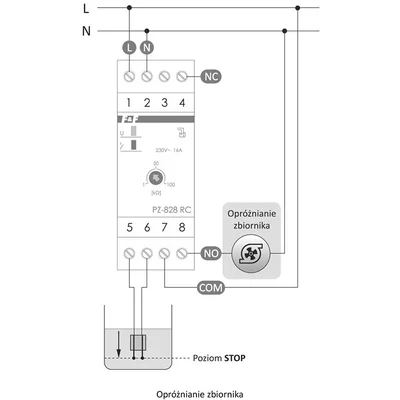
Détecte les liquides électriquement conducteurs au niveau de l'installation de la sonde d'inondation.

Comment fonctionne le relais de contrôle du niveau d'eau de pluie ?
A sec, le contact du relais reste en position 7-4. Lorsque la sonde est inondée de liquide (c'est-à-dire que les électrodes de la sonde sont court-circuitées), le contact du relais passe en position 7-8. Après que le niveau de liquide baisse (ouverture des électrodes de la sonde), le contact du relais revient en position 7-4.
 

Méthode de connexion de la sonde
La conception de la sonde permet de la monter sur une surface plane et horizontale, par exemple au sol dans une pièce avec des vannes hydrauliques, des tuyaux d'écoulement ou dans une buanderie. Grâce à cela, il est possible de détecter rapidement une panne (inondation de la pièce avec du liquide) tout en coupant les circuits électriques ou en activant des signaux sonores ou lumineux (alarme).< br />
Le câble de la sonde peut être rallongé jusqu'à 100 m.

Jusqu'à 10 sondes peuvent être connectées à l'entrée 5-6 - en série ou en parallèle :

  • en série - pour un système de contrôle de niveau de fluide dépendant dans plusieurs points - tous les capteurs connectés doivent être court-circuités simultanément pour que le relais fonctionne
  • en parallèle - pour un système alternatif de contrôle du niveau de liquide en plusieurs points points - au moins un des capteurs connectés doit être court-circuité. Lorsqu'ils sont connectés en série, la sensibilité des capteurs diminue (la conductivité diminue).
     

Attention !
Bornes 5- 6 sont séparés du réseau.

Datos técnicos

  • Installation
    Sur le rail TH-35
  • Consommation électrique [W]
    1,1
  • Largeur [nombre de modules]
    2
  • Température de travail [°C]
    de -25 à +50
  • Courant de charge nominal [A]
    16
  • Tension nominale [V]
    230
  • Niveau de sécurité
    IP20
  • Largeur [mm]
    35
  • Tension de sortie nominale [V]
    6

Otros datos técnicos

  • Rodzaj połączenia elektrycznego
    Połączenie śrubowe
  • Rodzaj napięcia zasilającego
    AC
  • Liczba wejść dla elektrod
    1
  • Kaskadowość
    Non
  • Liczba styków przełącznych
    1
  • Napięcie pracy dla AC 50 Hz
    230 ... 230 V
  • Szerokość
    35 mm
  • Głębokość
    60 mm
  • Z odłączalnymi zaciskami
    Non
  • Napięcie zasilające dla AC 50 Hz
    230 ... 230 V
  • Maksymalna dozwolona zwłoka czasowa zadziałania
    2 s
  • Regulowana wartość nastawy czułości
    Oui
  • Rodzaj napięcia zasilania
    AC
  • Znamionowy prąd załączania
    16 A
  • Wysokość
    90 mm

Detalles del fabricante

  • Fabricante
    F&F Filipowski S.K.
  • Dirección
    95-200 Pabianice Konstantynowska 79/81 Polska

Empaquetado a granel

una especie de paquete Sztuka
Cantidad 1 uds.
Peso (kg) 0,250
Ancho (m) 0,056
Longitud (m) 0,095
Profundidad (m) 0,070
Informar de un error