Interrupteur crépusculaire 16A U=12-264AC/DC AZ-B-UNI

Внутрішній артикул:
APF112FIFQ
№ каталоговий:
AZ-B-UNI
Код EAN:
5908312592600
Виробник: F&F
Hystérèse: Environ. 15Lx
Puissance [W]: 0,8
Installation: Sur le rail TH-35
Ціна:
124,72 zł
brut / шт.
(з ПДВ 23%)
до 2 тижнів
На замовлення
Кількість шт.
(багаторазовий:
1
)
Додати до запиту на пропозицію
Додати в буфер обміну
Роздрукувати

Опис товару

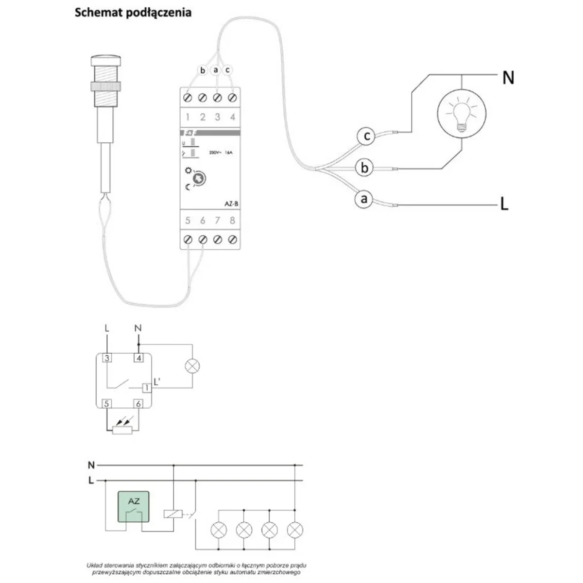
L'interrupteur crépusculaire est utilisé pour allumer automatiquement l'éclairage des rues, des places, des expositions, des publicités, etc. au crépuscule et éteindre l'éclairage à l'aube. Si la longueur du câble de raccordement de la sonde dépasse 10 m, il ne doit pas être passé à proximité du câble parallèle sous tension. secteur ou transportant des courants importants.

Технічні дані

  • Hystérèse
    Environ. 15Lx
  • Installation
    Sur le rail TH-35
  • Délai d'activation de l'arrêt [s]
    10-30
  • Seuil d'actionnement - réglable [Lx]
    2-1000
  • connexion
    Bornes à vis 2,5 mm
  • Température de travail [°C]
    -25-50
  • Puissance [V]
    230
  • Alimentation AZ-B UNI / AZ-B PLUS UNI [V]
    12-264
  • Largeur du colis [mm]
    40
  • PKWIU
    27.12.23.0
  • Puissance [W]
    0,8
  • Délai de déclenchement [s]
    1-15
  • courant de charge [A]
    16
  • Seuil d'actionnement - réglage [Lx]
    7
  • Le degré de protection de la sonde
    IP 65
  • Dimensions
    2 module (35mm)
  • Alimentation AZ-B / AZ-B PLUS
    230V CA
  • Hauteur du colis [mm]
    150
  • Poids du colis [kg]
    0,15

Інші технічні дані

  • Napięcie znamionowe
    230 V
  • Maksymalna zdolność łączeniowa dla żarówek
    2000 W
  • Maksymalna zdolność łączeniowa dla świetlówek (kompensacja DUO)
    0 VA
  • Maks. moc przełączana LED
    250 W
  • Znamionowy prąd załączania
    16 A
  • Znamionowe napięcie czujnika
    0 V
  • Sposób montażu czujnika
    Inne
  • Szerokość wyrażona liczbą modułów
    2
  • Stopień ochrony (IP)
    IP20
  • Częstotliwość znamionowa
    0.00000000 ... 60.00000000 Hz
  • Maksymalna zdolność łączeniowa dla świetlówek
    600 VA
  • Maksymalna zdolność łączeniowa dla świetlówek (z kompensacją równoległą)
    750 VA
  • Maksymalny prąd załączania (cos φ = 0,6)
    12 A
  • Zakres regulacji jasności
    2 ... 1000 lx
  • Maksymalna długość przewodu czujnika
    10 m
  • Sposób montażu
    Szyna DIN
  • Głębokość wbudowania
    65 mm
  • Stopień ochrony (IP) czujnika
    IP65

Інформація про виробника

  • Виробник
    F&F Filipowski S.K.
  • Адреса
    95-200 Pabianice Konstantynowska 79/81 Polska
  • Електронна пошта

Об'ємна упаковка

Свого роду пакет Sztuka
Кількість 1 шт.
Вага (кг) 0,125
Ширина (м) 0,056
Довжина (м) 0,095
Глибина (м) 0,070
Повідомити про помилку