 
                                     
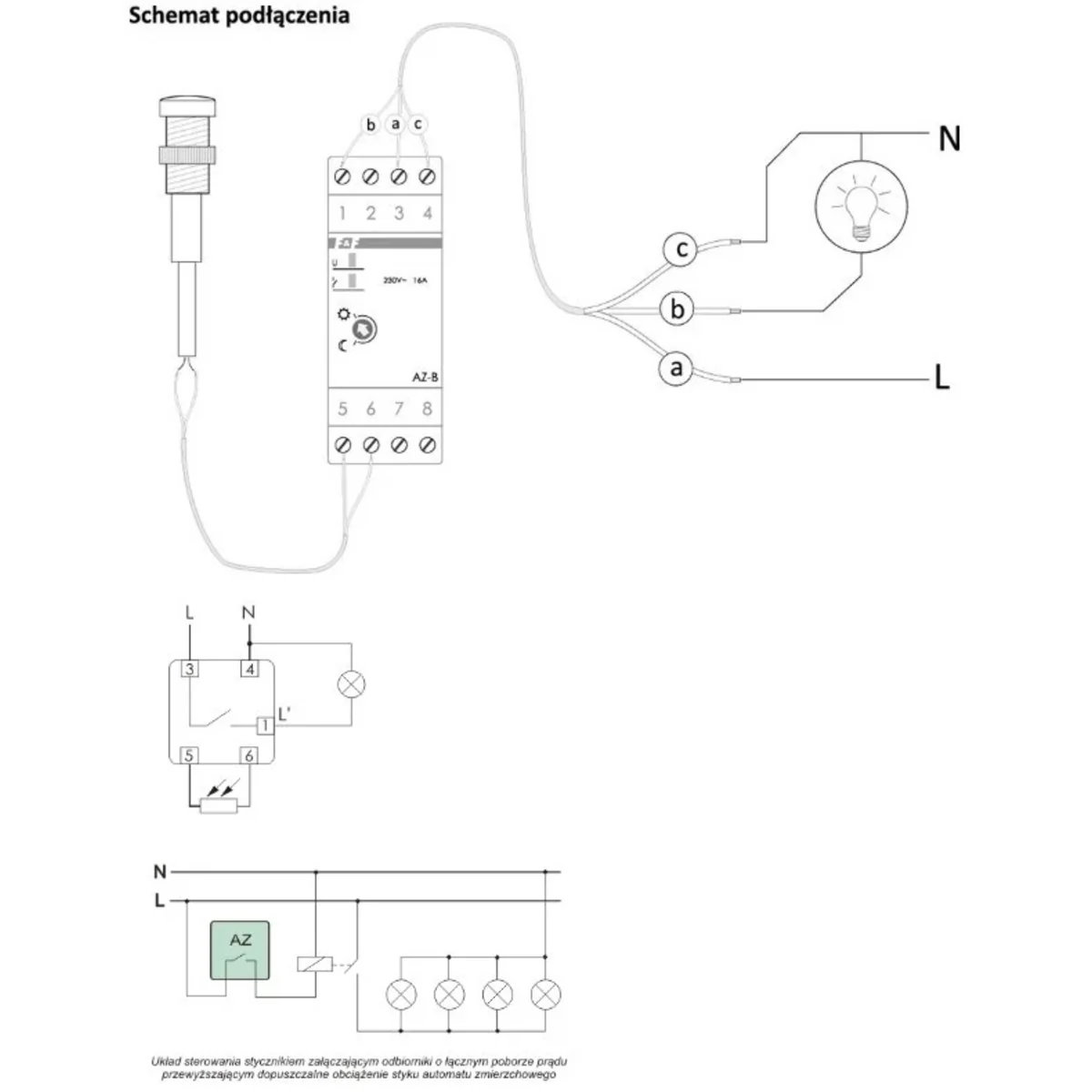
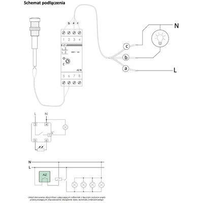
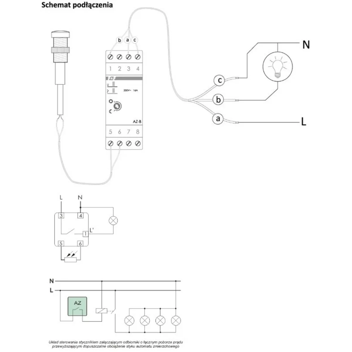
                                    L'interrupteur crépusculaire est utilisé pour allumer automatiquement l'éclairage des rues, des places, des expositions, des publicités, etc. au crépuscule et éteindre l'éclairage à l'aube. Si la longueur du câble de raccordement de la sonde dépasse 10 m, il ne doit pas être passé à proximité du câble parallèle sous tension. secteur ou transportant des courants élevés.
| Eine Art Paket | Sztuka | 
| Menge | 1 stk. | 
| Gewicht (kg) | 0,127 | 
| Breite (m) | 0,056 | 
| Länge (m) | 0,095 | 
| Tiefe (m) | 0,070 |