Bloc de courant résiduel court retard pour MCB HMxxxx 3P+N 125A/0.3-1A Type A-HI BTH480E

local index:
ARB096HAGE
Catalog number:
BTH480E
EAN code:
3250611500087
Manufacturer: HAGER
Fréquence nominale [Hz]: 50
Profondeur [mm]: 69
Nombre de pôles: 4
Price:
1 624,26 zł
brut / pcs.
(including VAT 23%)
up to 10 weeks
On request
Quantity pcs.
(multiplicity:
1
)
Add to inquiry
Add to clipboard
Print

Product description

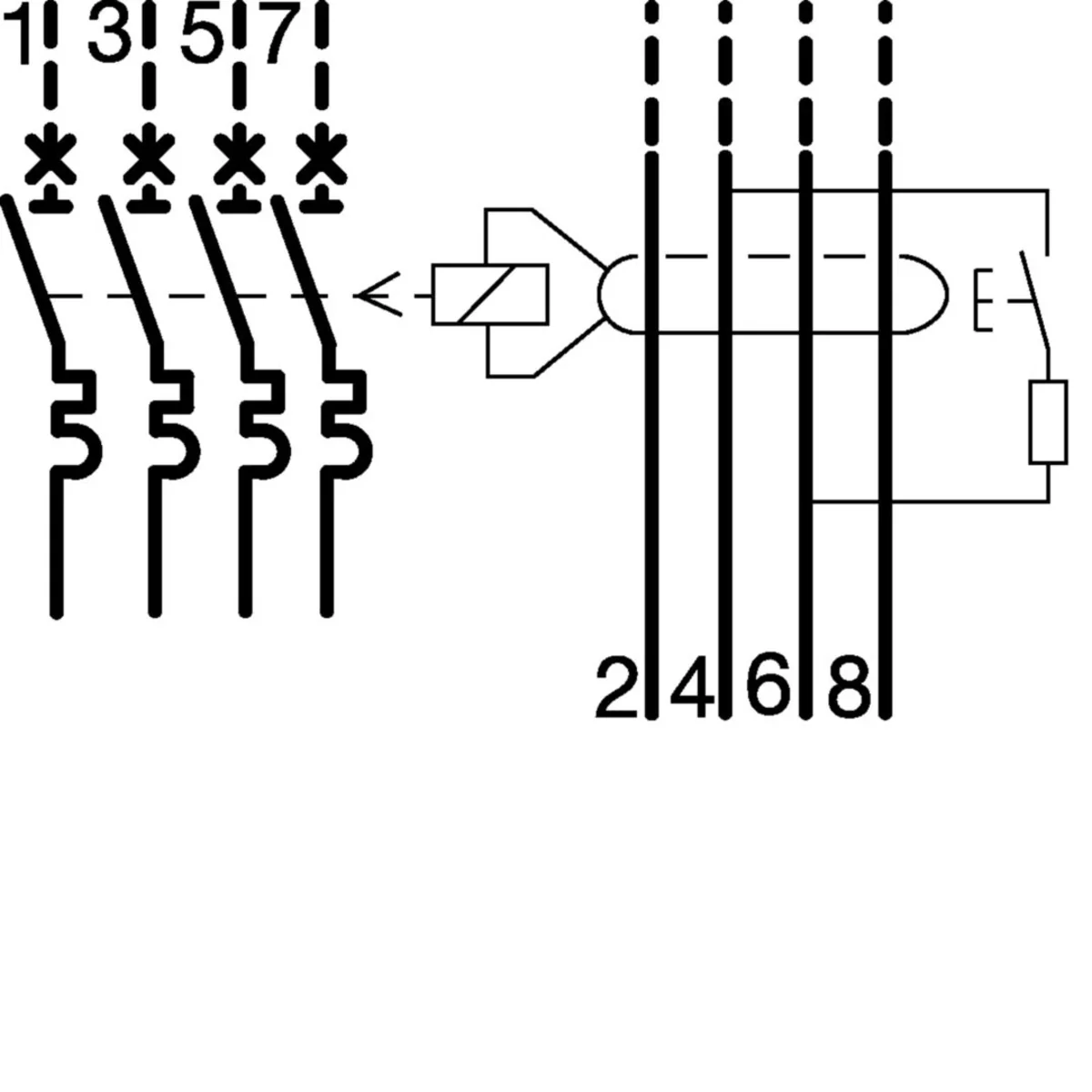
Disjoncteur différentiel à court retard pour les disjoncteurs de la série HMxxxx.

  • 3P+N
  • 125A/0,3-1A
  • < li> tapez A-HI

Technical data

  • Fréquence nominale [Hz]
    50
  • Nombre de pôles
    4
  • Tension d'isolation nominale [V]
    500
  • Courant nominal [A]
    125
  • Largeur [mm]
    213
  • Endurance électrique (nombre de cycles)
    1000
  • Plage de température de fonctionnement [°C]
    de -25 à 60
  • Nombre de modules
    6
  • Courant nominal à 30°C [A]
    125
  • Courant nominal à 50°C [A]
    112,4
  • Courant nominal à 70°C [A]
    99,4
  • Type DDR
    SALUT
  • Section de câble (cordon) [mm²]
    10 - 50
  • PKWIU
    27.12.23.0
  • Profondeur [mm]
    69
  • Couple de serrage [Nm]
    3,5
  • Courant différentiel [mA]
    300 500 1000
  • perte de puissance [W]
    15
  • Hauteur [mm]
    103
  • Durabilité mécanique (nombre de cycles)
    7000
  • Tension de commutation nominale [V]
    230 400
  • Courant nominal à 20°C [A]
    125
  • Courant nominal à 40°C [A]
    118,9
  • Courant nominal à 60°C [A]
    105,6
  • température de stockage [°C]
    de -25 à 70
  • Tension de surtension nominale [V]
    6000
  • Section de conducteur (fil) [mm²]
    10 - 70

Other technical data

  • Napięcie znamionowe
    240 ... 415 V
  • Znamionowy prąd różnicowy regulowany
    Oui
  • Maksymalna zwłoka czasowa
    150 ms
  • Liczba biegunów
    4
  • Napięcie znamionowe izolacji Ui
    500 V
  • Przekrój przyłączanego przewodu jednodrutowego
    10 ... 70 mm²
  • Ochrona przed niepożądanym wyzwoleniem
    Oui
  • Stopień zanieczyszczenia
    3
  • Prąd znamionowy
    125 A
  • Zakres nastawy znamionowego prądu różnicowego
    0.3 ... 1 A
  • Nastawa zwłoki czasowej
    Oui
  • Częstotliwość
    50 Hz
  • Znamionowe napięcie udarowe wytrzymywane Uimp
    6 kV
  • Przekrój przyłączanego przewodu wielożyłowego
    10 ... 50 mm²
  • Stopień ochrony (IP)
    IP20
  • Temperatura otoczenia w warunkach pracy
    -25 ... 60 °C

Manufacturer details

Bulk packaging

A kind of package Karton Pakiet Paleta
Quantity 1 pcs. 8 pcs. 192 pcs.
Weight (kg) 0,890 7,495 202,880
Width (m) 0,130 0,310 0,800
Length (m) 0,090 0,240 1,120
Depth (m) 0,230 0,360 1,200
Report an error