Bandeja portacables galvanizada perforada 300x60mm 2m 0,75mm LKS 630 FS 6048889

Indice locale:
TKM016OBOB
Numero di catalogo:
6048889
Codice EAN:
4012196992546
Produttore: OBO BETTERMANN
Peso [kg/100m]: 234
Longitud [mm]: 2000
Grosor de la chapa [mm]: 0.75
Prodotto di grandi dimensioni
Prezzo:
108,51 zł
bruto / pezzi
(inclusa IVA 23%)
Esaurito
Aggiungi alla richiesta di preventivo
Stampa

Descrizione del prodotto

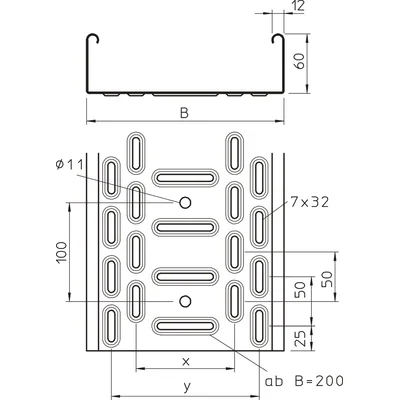
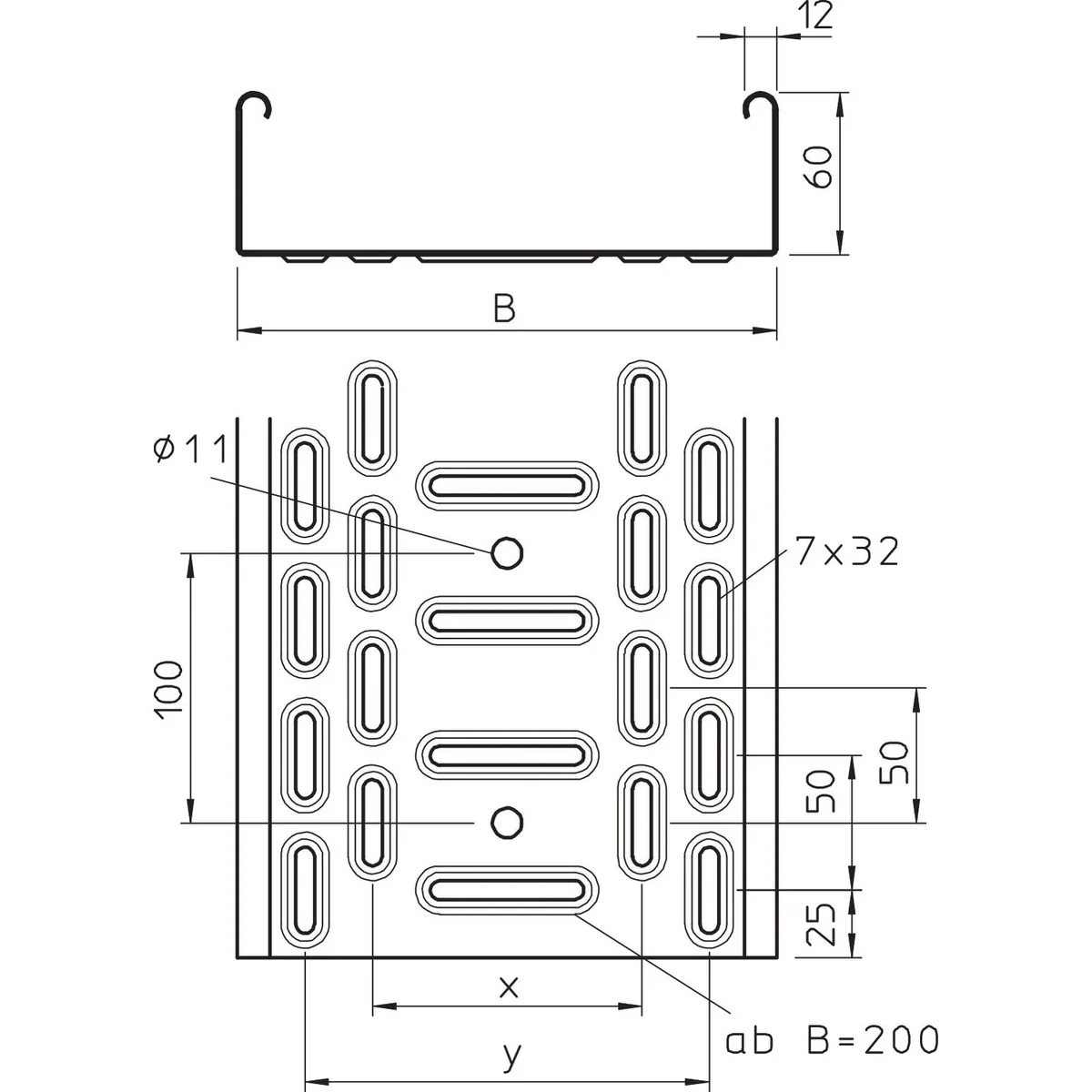
Bandejas portacables con una altura lateral de 60 mm, para la conducción de varios tipos de cables. Instalación de bandejas sobre brazos mediante tornillos FRSB 6x12. La perforación en la parte inferior de la bandeja de 7 x 32 mm facilita la instalación y ventilación de los cables. Los orificios de 7 x 20 mm en la pared lateral sirven como orificios de conexión y para montar la cubierta. Los canales a partir de 100 mm de ancho tienen agujeros en la parte inferior Ø 11 mm y perforación transversal que refuerza su fondo. Los bordes doblados de la bandeja proporcionan rigidez adicional y protección del borde.

Dati tecnici

  • Peso [kg/100m]
    234
  • Grosor de la chapa [mm]
    0.75
  • PKWIU
    25.11.23.0
  • Longitud [mm]
    2000
  • Ancho [mm]
    300

Dettagli del produttore

  • Produttore
    OBO Bettermann Polska Sp. z o.o.
  • Indirizzo
    02-495 Warszawa Kazimierza Gierdziejewskiego 7
  • NIP
    5211001039
Segnala un errore