Вибери свою гуртівню
Наші сервіси
www.b2b.el12.pl
www.akademia.el12.pl
www.elstilo.com.pl
Для постачальника
Для клієнта
/ Польща / PLN / Брутто
Всі категорії
Апаратура електрична
Автоматика
Електричне обладнання
Освітлення
Розподільчі шафи, корпуси
Кабелі та проводи
Прокладання проводів та кабелів
З’єднувачі проводів та кабелів
Блискавкозахист
Вентиляція та опалення
Інструменти
Вимірювальні прилади
Моніторинг, сигналізації, домофони
Джерела живлення
Одяг ЗІЗ
Хімія
Cонячні ел/станції
Електронні пристрої
Інше
Товари Plus
Акції
Розпродаж
Запити
Буфер обміну
0
Кошик
0
Увійти / зареєструватися
Логін
Електронна пошта
Пароль
Запам’ятати мене
Вхід
Я забув свій пароль
У вас немає облікового запису?
Зареєструватися
Категорії
Виробники
Чому ми
Розпродаж
Акції
Бестселери
Контакт
el12
Cuadros y armarios
Accesorios para cuadros
el12
venta
Entra en el juego - HAGER
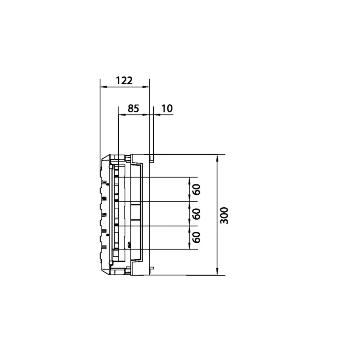
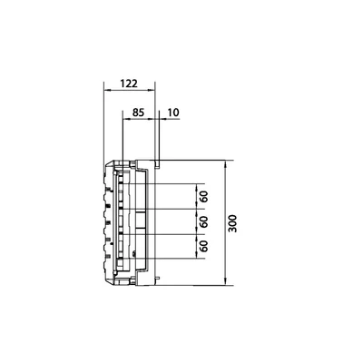
Bloque UNIVERS N para embarrados. Pos. 12/20/30x5/10mm 60mm 4 polos 300x250mm UE21E0
Внутрішній артикул:
RRR130HAGE
№ каталоговий:
UE21E0
Код EAN:
3250616150768
Натисни на фото щоб збільшити
Виробник:
HAGER
Profundidad [mm]:
125
Color:
Blanco
Ancho [mm]:
250
Дивіться повний опис
Ціна:
316,16 zł
bruto / шт.
(з ПДВ 23%)
Доставка за 3 години
до 2 тижнів (робочі дні)
Самовивіз через 1 год
Кількість шт.
(багаторазовий:
1
)
Додай до кошика
Додати до запиту на пропозицію
Додати в буфер обміну
Роздрукувати
Запитайте про товар
Опис товару
Технічні дані
Інформація про виробника
Об'ємна упаковка
Файли для завантаження
Опис товару
Componente con cobertura total, con soporte para embarrados 12x5/10, 20x5/10, 30x5/10 mm, 4 polos, distancia 60 mm.
Розгорнути повний опис ▼
Технічні дані
Profundidad [mm]
125
Ancho [mm]
250
Color preciso
Blanco
Color
Blanco
Altura [mm]
300
PKWIU
27.12.40.0
Інші технічні дані
Wysokość
300 mm
Głębokość
110 mm
Liczba biegunów
4
Wysokość szyny zbiorczej
20 mm
Szerokość
250 mm
Z pokrywą
Sí
Rozstaw osi szyn
60 mm
Grubość szyny zbiorczej
5 mm
Розгорнути технічні характеристики ▼
Інформація про виробника
Виробник
Hager Electro GmbH & Co KG
Адреса
DE 66440 Blieskastel Zum Gunterstal Niemcy
Електронна пошта
wsparcie.klienta@hager.com
Об'ємна упаковка
Свого роду пакет
Karton
Paleta
Кількість
1 шт.
96 шт.
Вага (кг)
0,870
84,000
Ширина (м)
0,260
0,800
Довжина (м)
0,120
0,990
Глибина (м)
0,310
1,200
Файли для завантаження
Завантажити всі файли
hager_deklaracja_CE_001_EN_2024_v1_0_sig.pdf
rohs_declaration_UE21E0_en-GB.pdf
UE21E0.pdf
PEP_HAGE-00933-V01.pdf
6LE001278A.pdf
Повідомити про помилку