Relé control nivel agua lluvia 230V 16A 35mm PZ-828RC-WD

Indice locale:
API144FIFQ
Numero di catalogo:
PZ-828RC-WD
Codice EAN:
5902431676036
Produttore: F&F
Instalación: En el carril TH-35
Tensión nominal [V]: 230
Consumo de energía [W]: 1,1
Prezzo:
245,61 zł
bruto / pezzi
(inclusa IVA 23%)
Consegna in 3 ore
Accessibile 22 pezzi
Raccolta in 1h
Quantità pezzi
(multiplo:
1
)
Aggiungi alla richiesta di preventivo
Aggiungi agli appunti
Stampa

Descrizione del prodotto

Relé de control de nivel de líquido

  • para control de nivel de agua de lluvia
  • con sensibilidad de regulación por usuario,
  • de estado único,
  • completo con sonda PZ.

Detecta líquidos eléctricamente conductores al nivel de la instalación de la sonda de inundación.

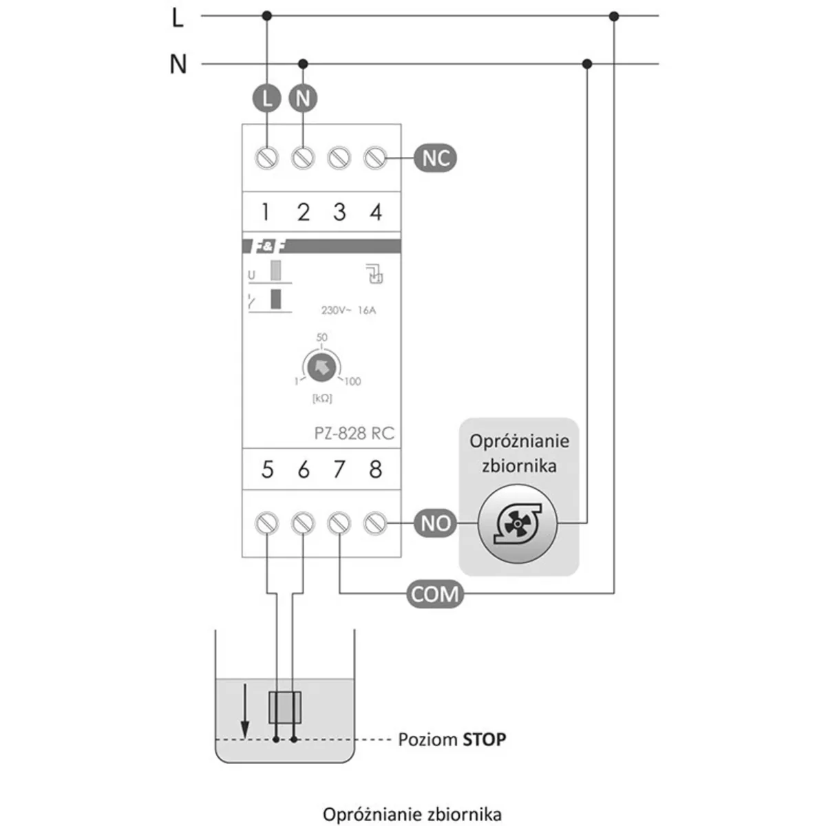
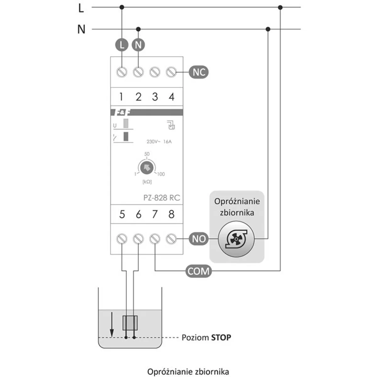
¿Cómo funciona el relé de control de nivel de agua de lluvia?
En estado seco, el contacto del relé permanece en la posición 7-4. Cuando la sonda se inunda de líquido (es decir, los electrodos de la sonda están en cortocircuito), el contacto del relé cambia a la posición 7-8. Después de que baja el nivel del líquido (apertura de los electrodos de la sonda), el contacto del relé vuelve a la posición 7-4.
 

Método de conexión de la sonda
El diseño de la sonda permite montarla en una superficie plana y horizontal, por ejemplo, en el suelo de una habitación con válvulas hidráulicas, tuberías de flujo o en un cuarto de lavado. Gracias a esto, es posible detectar rápidamente un fallo (inundar la habitación con líquido) mientras se apagan los circuitos eléctricos o se activan señales sonoras o luminosas (alarma).< br />
El cable de la sonda se puede extender hasta 100 m.

Se pueden conectar hasta 10 sondas a la entrada 5-6 - en serie o en paralelo:

  • en serie - para un sistema de control de nivel de fluido dependiente en muchos puntos - todos los sensores conectados deben estar en cortocircuito simultáneamente para que el relé funcione
  • en paralelo - para un sistema de control de nivel de fluido alternativo en muchos puntos puntos - al menos uno de los sensores conectados debe estar en cortocircuito. Cuando se conectan en serie, la sensibilidad de los sensores disminuye (la conductividad disminuye).
     

¡Atención!
Terminales 5- 6 están separados de la red.

Dati tecnici

  • Instalación
    En el carril TH-35
  • Consumo de energía [W]
    1,1
  • Ancho [número de módulos]
    2
  • Temperatura de funcionamiento [°C]
    de -25 a +50
  • Corriente de carga nominal [A]
    16
  • Tensión nominal [V]
    230
  • Nivel de seguridad
    IP20
  • Ancho [mm]
    35
  • Tensión nominal de salida [V]
    6

Dettagli del produttore

  • Produttore
    F&F Filipowski S.K.
  • Indirizzo
    95-200 Pabianice Konstantynowska 79/81 Polska

Imballaggio sfuso

Una specie di pacchetto Sztuka
Quantità 1 pezzi
Peso (kg) 0,250
Larghezza (m) 0,056
Lunghezza (m) 0,095
Profondità (m) 0,070
Segnala un errore