Crepúsculo automático con sonda hermética externa AZ-B PLUS AZ-B-PLUS

Indice locale:
APF111FIFQ
Numero di catalogo:
AZ-B-PLUS
Codice EAN:
5908312591092
Produttore: F&F
Histéresis: Aprox. 15 litros
Potencia [W]: 0,8
Retraso del viaje [s]: 1-15
Prezzo:
127,60 zł
bruto / pezzi
(inclusa IVA 23%)
Accessibile 19 pezzi
Raccolta in 1h
Consegna in 3 ore
Quantità pezzi
(multiplo:
1
)
Aggiungi alla richiesta di preventivo
Aggiungi agli appunti
Stampa

Descrizione del prodotto

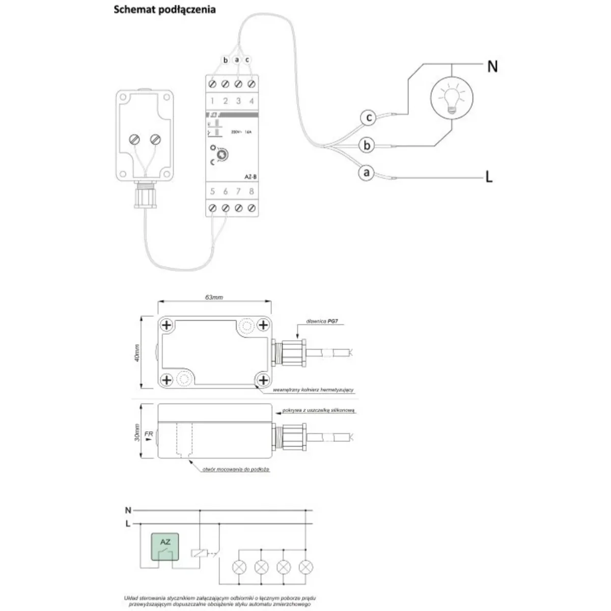
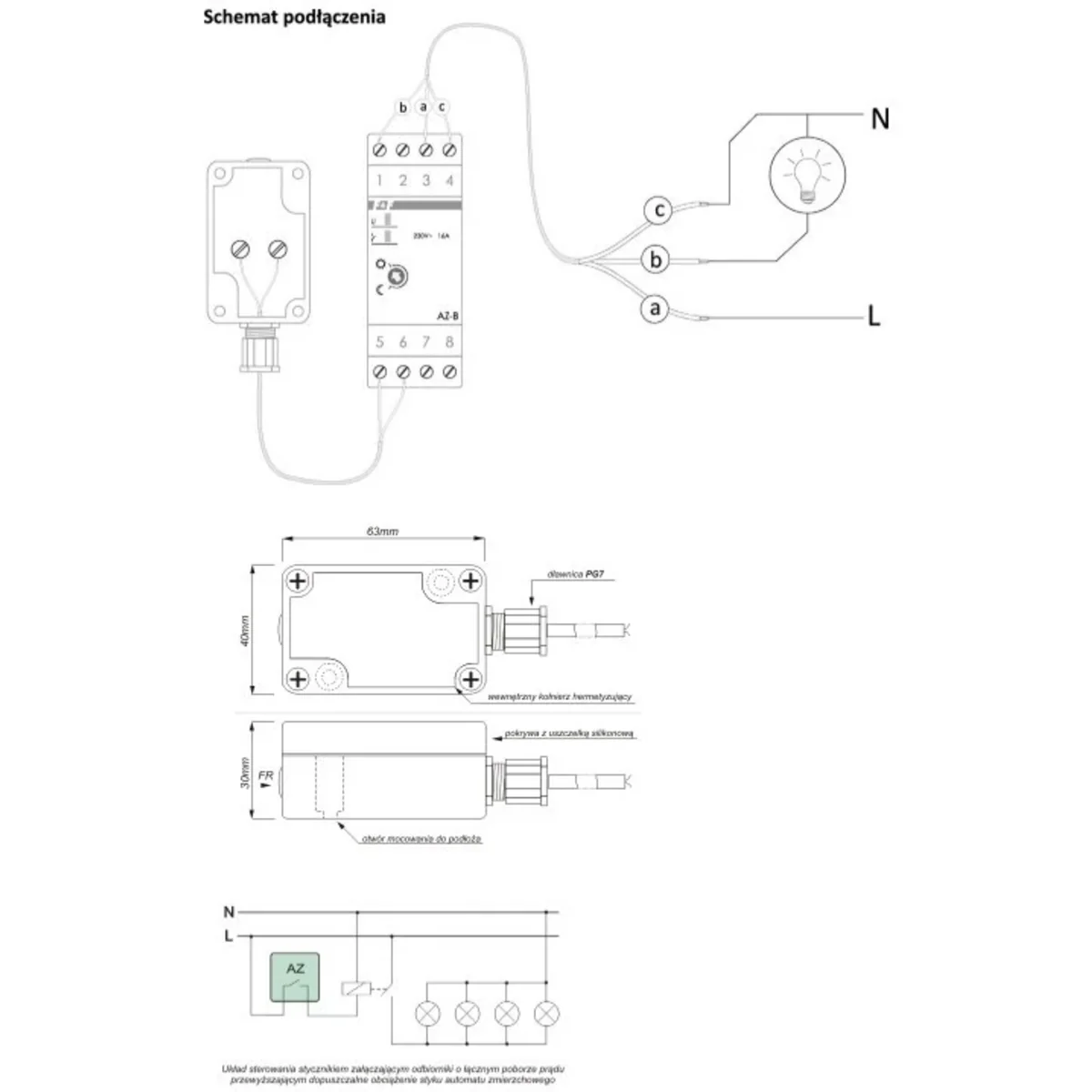
El interruptor crepuscular se utiliza para encender automáticamente la iluminación de calles, plazas, exposiciones, anuncios, etc. al anochecer y apagar la iluminación al amanecer. Si el cable de conexión de la sonda tiene una longitud superior a 10 m, no debe tenderse cerca de un cable energizado en paralelo. redes o transportar grandes corrientes.
 

Dati tecnici

  • Histéresis
    Aprox. 15 litros
  • Retraso del viaje [s]
    1-15
  • Umbral de disparo - ajustable [Lx]
    2-1000
  • Conexión
    Terminales de tornillo de 2,5 mm
  • Temperatura de funcionamiento [°C]
    -25-50
  • Fuente de alimentación AZ-B / AZ-B PLUS [V]
    230
  • Altura del embalaje [mm]
    150
  • Peso del embalaje [kg]
    0.35
  • Potencia [W]
    0,8
  • Corriente de carga [A]
    <16
  • Umbral de operación - establecer [Lx]
    Aprox. 7Lx
  • Nivel de seguridad
    IP65
  • Fuente de alimentación [V]
    230
  • Fuente de alimentación AZ-B UNI / AZ-B PLUS UNI
    12-264 V CA/CC
  • Ancho del embalaje [mm]
    45
  • PKWIU
    27.12.23.0

Altri dati tecnici

  • Napięcie znamionowe
    230 V
  • Maksymalna zdolność łączeniowa dla żarówek
    2000 W
  • Maksymalna zdolność łączeniowa dla świetlówek (kompensacja DUO)
    0 VA
  • Maks. moc przełączana LED
    250 W
  • Znamionowy prąd załączania
    16 A
  • Znamionowe napięcie czujnika
    0 V
  • Sposób montażu czujnika
    Inne
  • Szerokość wyrażona liczbą modułów
    2
  • Stopień ochrony (IP)
    IP20
  • Częstotliwość znamionowa
    50 ... 50 Hz
  • Maksymalna zdolność łączeniowa dla świetlówek
    600 VA
  • Maksymalna zdolność łączeniowa dla świetlówek (z kompensacją równoległą)
    750 VA
  • Maksymalny prąd załączania (cos φ = 0,6)
    12 A
  • Zakres regulacji jasności
    2 ... 1000 lx
  • Maksymalna długość przewodu czujnika
    10 m
  • Sposób montażu
    Szyna DIN
  • Głębokość wbudowania
    65 mm
  • Stopień ochrony (IP) czujnika
    IP65

Dettagli del produttore

  • Produttore
    F&F Filipowski S.K.
  • Indirizzo
    95-200 Pabianice Konstantynowska 79/81 Polska

Imballaggio sfuso

Una specie di pacchetto Sztuka
Quantità 1 pezzi
Peso (kg) 0,151
Larghezza (m) 0,070
Lunghezza (m) 0,095
Profondità (m) 0,070
Segnala un errore