 
                                     
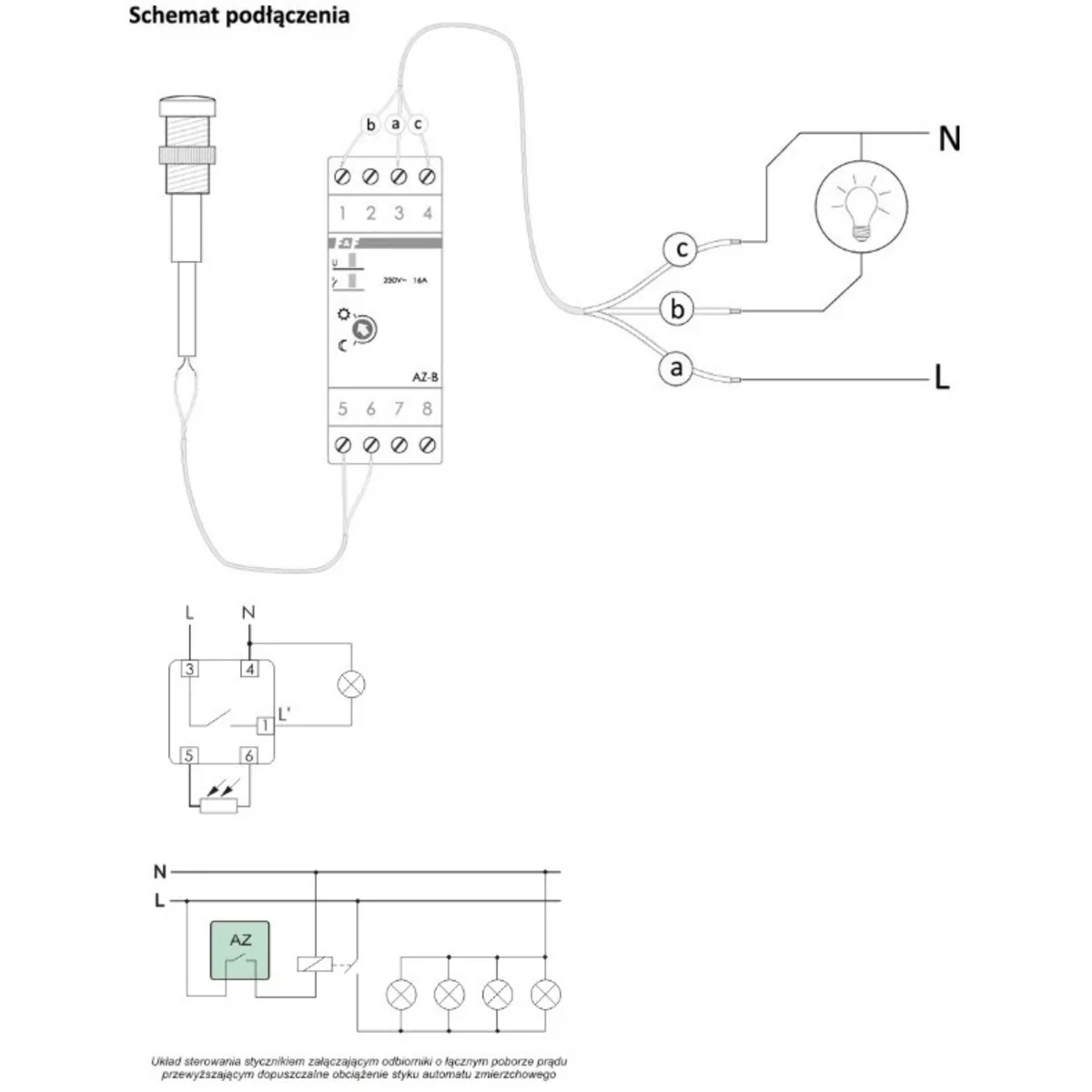
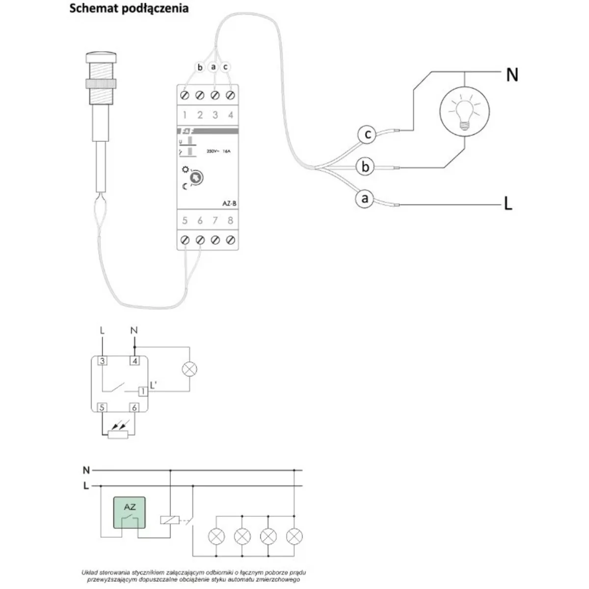
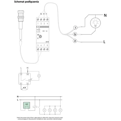
                                    El interruptor crepuscular se utiliza para encender automáticamente la iluminación de calles, plazas, exposiciones, anuncios, etc. al anochecer y apagar la iluminación al amanecer. Si el cable de conexión de la sonda tiene una longitud superior a 10 m, no debe tenderse cerca de un cable energizado en paralelo. redes o transportar grandes corrientes.
| Una specie di pacchetto | Sztuka | 
| Quantità | 1 pezzi | 
| Peso (kg) | 0,127 | 
| Larghezza (m) | 0,056 | 
| Lunghezza (m) | 0,095 | 
| Profondità (m) | 0,070 |