 
                                     
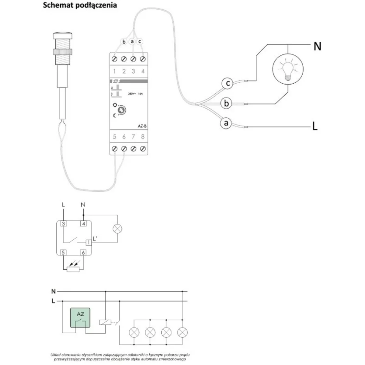
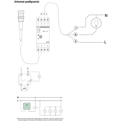
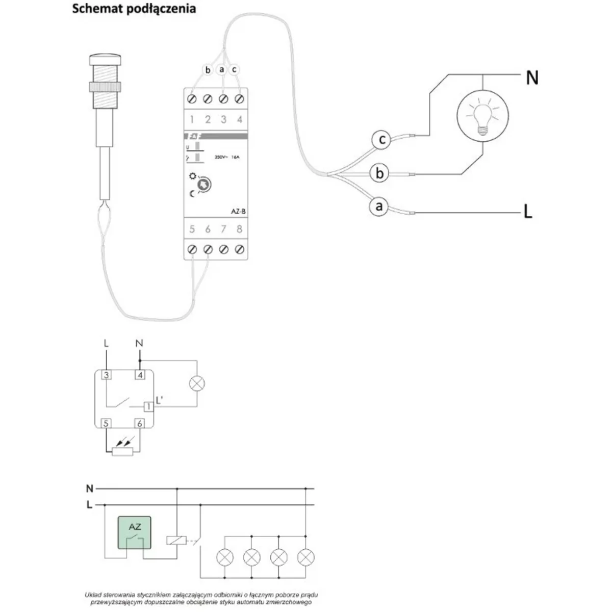
                                    The twilight switch is used to automatically turn on the lighting of streets, squares, exhibitions, advertisements, etc. at dusk and turn off the lighting at dawn. If the length of the probe's connection cable exceeds 10 m, it should not be run close to the parallel cable under voltage. mains or carrying high currents.
| Rodzaj opakowania | Sztuka | 
| Ilość | 1 szt. | 
| Waga (kg) | 0,127 | 
| Szerokość (m) | 0,056 | 
| Długość (m) | 0,095 | 
| Głębokość (m) | 0,070 |