Elija su mayorista
Nuestros servicios
www.b2b.el12.pl
www.akademia.el12.pl
www.elstilo.com.pl
Para el proveedor
Para el cliente
/ Polonia / PLN / bruto
Todas las categorías
Equipo eléctrico
Automatización
Equipo eléctrico
Encendiendo
Cuadros y armarios
Cables y alambres
Enrutamiento de cables y alambres
Conexión de cables y alambres.
Protección contra rayos
Ventilación y calefacción
Herramientas
Aparatos de medición
Monitorización, alarmas, intercomunicadores.
Fuentes de energía
Ropa de protección y salud laboral.
Química
Fotovoltaica
dispositivos electrónicos
Otro
Más productos
venta
Outlet
Consultas
Portapapeles
0
Cesta
0
Conectarse / Registro
Acceso
Email
Contraseña
Acuérdate de mí
Conectarse
No recuerdo mi contraseña
¿No tienes una cuenta?
Regístrese en
Categorías
Fabricantes
Porque nosotros
Outlet
Promociones
Los más vendidos
Contacto
el12
Verteiler und Gehäuse
Verteilerkasten-Zubehör
Konische Chokes 106 PG9, SZ 2036096
Índice local:
RRR007OBOB
Número de catálogo:
2036096
Código EAN:
4012195172215
Haga clic en la foto para ampliar
Fabricante:
OBO BETTERMANN
Farbe:
Grau
Stiel:
PG9
Genaue Farbe:
hellgrau
Ver descripción completa
Precio:
1,48 zł
brutto / uds.
(IVA incluido 23%)
Accesible 156 uds.
Recogida en 1h
Entrega en 3h
Cantidad uds.
(múltiple:
1
)
Añadir a la cesta
Añadir a solicitud de presupuesto
Añadir al portapapeles
Imprimir
Pregunta por el producto
Descripción del producto
Datos técnicos
Detalles del fabricante
Empaquetado a granel
Descripción del producto
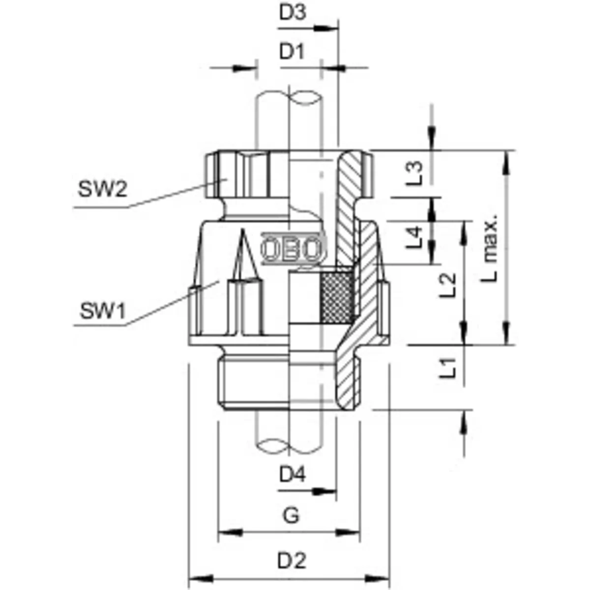
Standard-Kabelverschraubung Form A nach DIN 46320 mit NR/SBR-Dichtring. PG-Gewinde nach DIN 40430. Schutzart: mit Gewindedichtring IP65 ohne Gewindedichtring IP54.
Ampliar la descripción completa ▼
Datos técnicos
Farbe
Grau
Genaue Farbe
hellgrau
Stiel
PG9
PKWIU
22.29.29.0
Otros datos técnicos
Gewindeart
PG
Gewindelänge
8 mm
Werkstoffgüte
sonstige
Halogenfrei
Ja
Schutzart (IP)
IP65
Farbe
lichtgrau
Biegeschutz
Nein
Ausführung
gerade
Mit Zugentlastung
Nein
Teilbare Verschraubung
Nein
Für Ex-Zone Gas
ohne
Gewindenenngröße metrisch/PG
9
Geeignet für Kabeldurchmesser
4.5 ... 7 mm
Oberfläche
unbehandelt
Glasfaserverstärkt
Nein
Schlagfest
Nein
RAL-Nummer
7035
Mit Gegenmutter
Nein
Mehrfach Dichteinsatz
Nein
Art der Dichtung
Dichtring
Explosionsgeprüfte Ausführung
Nein
Für Ex-Zone Staub
ohne
Ampliar los datos técnicos ▼
Detalles del fabricante
Fabricante
OBO Bettermann Holding GmbH & Co. KG
Dirección
58710 Menden Hüingser Ring 52 Niemcy
Email
oferty@obo.pl
Empaquetado a granel
una especie de paquete
Skrzynia
Karton
Paleta
Cantidad
50 uds.
600 uds.
28800 uds.
Peso (kg)
0,323
4,165
224,910
Volumen (m3)
0,001
0,014
0,912
Ancho (m)
0,075
0,185
0,800
Longitud (m)
0,135
0,295
1,200
Profundidad (m)
0,088
0,249
0,950
Informar de un error