Regenwasserstand-Kontrollrelais 230V 16A 35mm PZ-828RC-WD

Indice locale:
API144FIFQ
Numero di catalogo:
PZ-828RC-WD
Codice EAN:
5902431676036
Produttore: F&F
Montage: Auf der TH-35-Schiene
Nennspannung [V]: 230
Leistungsaufnahme [W]: 1,1
Prezzo:
245,61 zł
brutto / pezzi
(inclusa IVA 23%)
Accessibile 22 pezzi
Raccolta in 1h
Consegna in 3 ore
Quantità pezzi
(multiplo:
1
)
Aggiungi alla richiesta di preventivo
Aggiungi agli appunti
Stampa

Descrizione del prodotto

Flüssigkeitsniveau-Kontrollrelais

  • zur Regenwasser-Niveaukontrolle
  • mit Regelempfindlichkeit durch die Benutzer,
  • Einzelzustand,
  • komplett mit PZ-Sonde.< /strong>

Erkennt elektrisch leitfähige Flüssigkeiten auf der Höhe der Hochwassersondeninstallation.

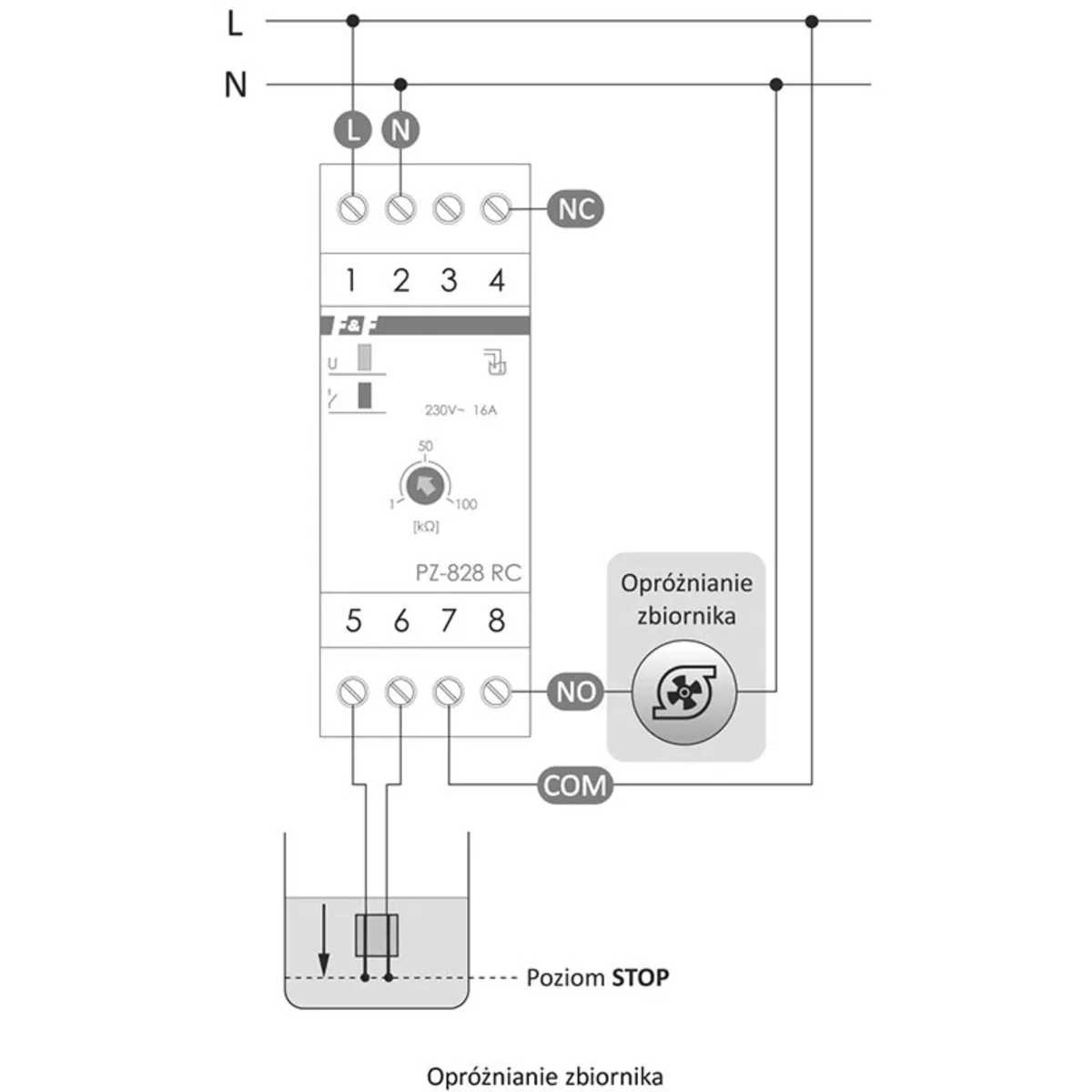
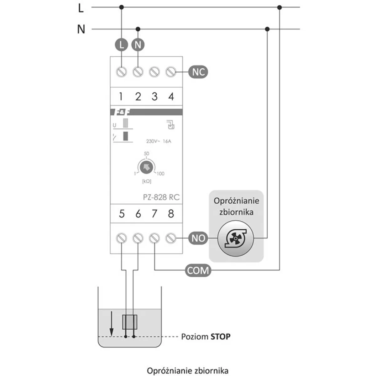
Wie funktioniert das Regenwasser-Niveau-Kontrollrelais?
Im trockenen Zustand bleibt der Relaiskontakt in Position 7-4. Wenn die Sonde mit Flüssigkeit geflutet ist (d. h. die Sondenelektroden sind kurzgeschlossen), wird der Relaiskontakt in die Position 7-8 geschaltet. Nach Absinken des Flüssigkeitsspiegels (Öffnen der Sondenelektroden) kehrt der Relaiskontakt in die Position 7-4 zurück.
 

Methode zum Anschließen der Sonde
Das Design der Sonde ermöglicht die Montage auf einer ebenen, horizontalen Fläche, z. B. auf dem Boden in einem Raum mit Hydroventilen, Durchflussrohren oder in einer Waschküche. Dadurch ist es möglich, einen Fehler (Überschwemmung des Raums mit Flüssigkeit) schnell zu erkennen, während Stromkreise ausgeschaltet oder Ton- oder Lichtsignale (Alarm) aktiviert werden.< br />
Das Sondenkabel kann auf 100 verlängert werden m.

Bis zu 10 Sonden können an Eingang 5-6 angeschlossen werden – in Reihe oder parallel:

  • in Reihe – für ein abhängiges Flüssigkeitsstandkontrollsystem in Viele Punkte – alle angeschlossenen Sensoren müssen gleichzeitig kurzgeschlossen werden, damit das Relais funktioniert
  • Parallel – für ein alternatives Flüssigkeitsstandkontrollsystem an vielen Punkten Punkte – mindestens einer der angeschlossenen Sensoren muss kurzgeschlossen werden. Bei Reihenschaltung nimmt die Empfindlichkeit der Sensoren ab (Leitfähigkeit sinkt).
     

Achtung!
Klemmen 5-6 vom Netzwerk getrennt sind.

Dati tecnici

  • Montage
    Auf der TH-35-Schiene
  • Leistungsaufnahme [W]
    1,1
  • Breite [Anzahl der Module]
    2
  • Betriebstemperatur [°C]
    von -25 bis +50
  • Bemessungslaststrom [A]
    16
  • Nennspannung [V]
    230
  • Schutzgrad
    IP20
  • Breite [mm]
    35
  • Nennausgangsspannung [V]
    6

Dettagli del produttore

  • Produttore
    F&F Filipowski S.K.
  • Indirizzo
    95-200 Pabianice Konstantynowska 79/81 Polska

Imballaggio sfuso

Una specie di pacchetto Sztuka
Quantità 1 pezzi
Peso (kg) 0,250
Larghezza (m) 0,056
Lunghezza (m) 0,095
Profondità (m) 0,070
Segnala un errore