 
                                     
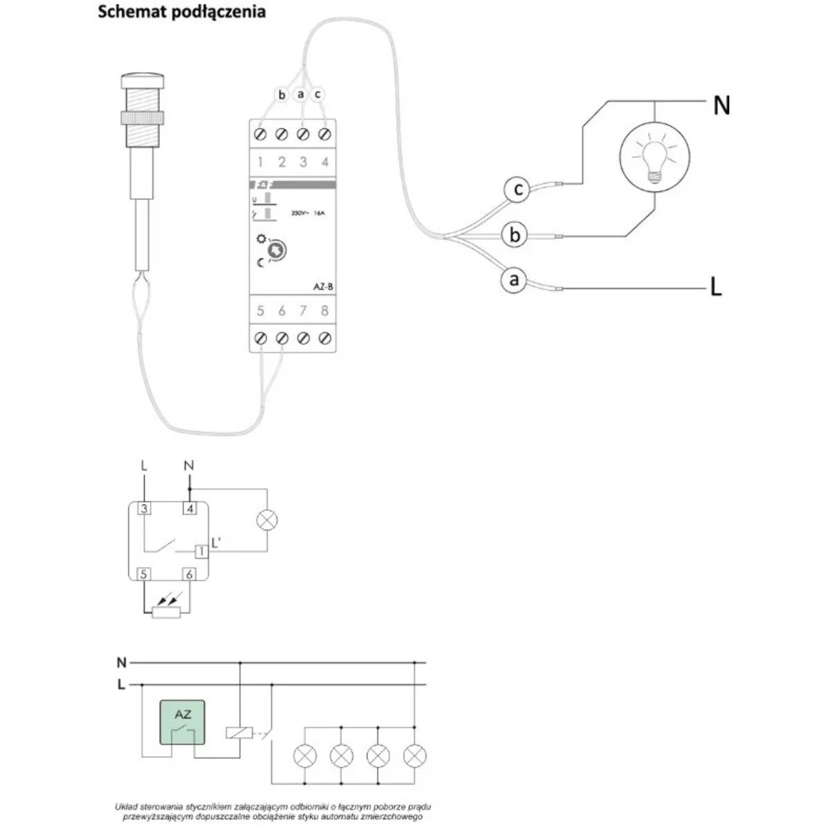
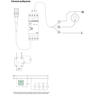
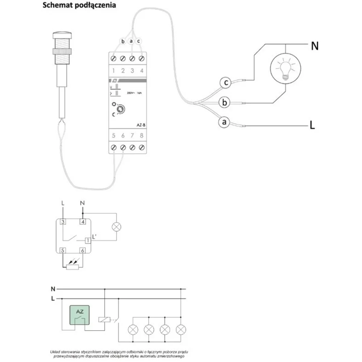
                                    Der Dämmerungsschalter dient dazu, die Beleuchtung von Straßen, Plätzen, Ausstellungen, Werbeflächen etc. in der Dämmerung automatisch einzuschalten und im Morgengrauen auszuschalten. Wenn die Länge des Anschlusskabels der Sonde 10 m überschreitet, sollte es nicht in der Nähe des unter Spannung stehenden Parallelkabels verlegt werden. Netzstrom oder hohe Ströme führen.
| Eine Art Paket | Sztuka | 
| Menge | 1 stk. | 
| Gewicht (kg) | 0,127 | 
| Breite (m) | 0,056 | 
| Länge (m) | 0,095 | 
| Tiefe (m) | 0,070 |