2/4AI-Modul für RTD-Sensoren 750-464

Indice locale:
API072WAGO
Numero di catalogo:
750-464
Codice EAN:
4045454976927
Produttore: WAGO ELWAG
Tiefe [mm]: 100
Farbe: Grau
Maximale Antwortverzögerung [s] : 4
Prezzo:
1 715,85 zł
brutto / pezzi
(inclusa IVA 23%)
fino a 2 settimane
Su ordinazione
Quantità pezzi
(multiplo:
1
)
Aggiungi alla richiesta di preventivo
Aggiungi agli appunti
Stampa

Descrizione del prodotto

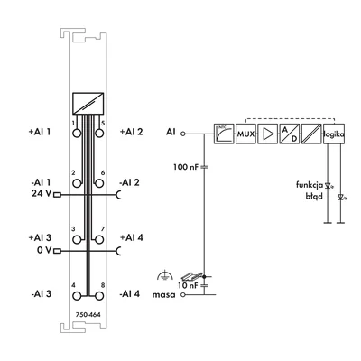
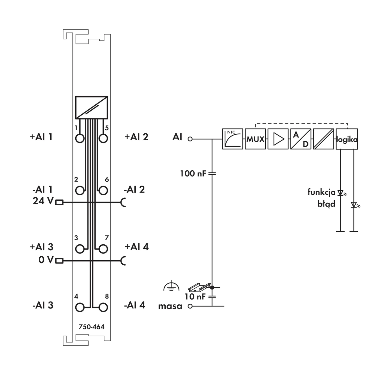
Das Modul ermöglicht den direkten Anschluss von Pt- und Ni-Widerstandstemperatursensoren und Potentiometern. Es kann als 2-Kanal-Modul (2- und 3-Leitertechnik) oder 4-Kanal-Modul (2-Leitertechnik) eingesetzt werden. Das Modul linearisiert automatisch den gesamten Temperaturbereich. Kurzschluss, Messkreisunterbrechung und Bereichsüberschreitung werden durch eine rote LED signalisiert. Das Modul ist über WAGO-I/O-CHECK und GSD-Dateien frei konfigurierbar. Es zeichnet sich durch umfangreiche Konfigurationsmöglichkeiten und hohe Genauigkeit aus.

Dati tecnici

  • Tiefe [mm]
    100
  • Maximale Antwortverzögerung [s] 
    4
  • Querschnitt [AWG]
    28
  • Schutzgrad
    IP20
  • Interne Stromaufnahme [mA]
    50
  • Genaue Farbe
    hellgrau
  • Farbe
    Grau
  • Montage
    Auf der TH-35-Schiene
  • Serie
    750
  • Breite [mm]
    12
  • Höhe [mm]
    64

Altri dati tecnici

  • Versorgungsspannung bei DC
    24 ... 24 V
  • Leistungsaufnahme
    1 W
  • Eingang, Spannung
    Nein
  • Eingang, Widerstandsthermometer
    Nein
  • Eingangssignal konfigurierbar
    Ja
  • Ausgang, Strom
    Nein
  • Ausgangssignal konfigurierbar
    Nein
  • Anzahl der analogen Ausgänge
    0
  • Analoge Ausgänge konfigurierbar
    Nein
  • Anzahl der Schnittstellen PROFINET
    0
  • Anzahl der HW-Schnittstellen seriell RS-422
    0
  • Anzahl der HW-Schnittstellen seriell TTY
    0
  • Anzahl der HW-Schnittstellen Wireless
    0
  • Anzahl der HW-Schnittstellen sonstige
    0
  • Unterstützt Protokoll für TCP/IP
    Nein
  • Unterstützt Protokoll für CAN
    Nein
  • Unterstützt Protokoll für ASI
    Nein
  • Unterstützt Protokoll für MODBUS
    Nein
  • Unterstützt Protokoll für DeviceNet
    Nein
  • Unterstützt Protokoll für LON
    Nein
  • Unterstützt Protokoll für PROFINET CBA
    Nein
  • Unterstützt Protokoll für Foundation Fieldbus
    Nein
  • Unterstützt Protokoll für AS-Interface Safety at Work
    Nein
  • Unterstützt Protokoll für INTERBUS-Safety
    Nein
  • Unterstützt Protokoll für SafetyBUS p
    Nein
  • Funkstandard Bluetooth
    Nein
  • Funkstandard GPRS
    Nein
  • Funkstandard UMTS
    Nein
  • Systemkomponente
    Ja
  • Ausführung des elektrischen Anschlusses
    Federzuganschluss
  • Tragschienenmontage möglich
    Ja
  • Fronteinbau möglich
    Nein
  • Geeignet für Sicherheitsfunktionen
    Nein
  • Performance Level nach EN ISO 13849-1
    ohne
  • Zugehöriges Betriebsmittel (Ex ib)
    Nein
  • Explosionsschutz-Kategorie für Staub
    ATEX Staub-Ex-Schutz, Kat. 3D
  • Certyfikat UL dla strefy zagrożenia wybuchem, klasa II
    Nein
  • Certyfikat UL dla strefy zagrożenia wybuchem, kategoria 1
    Ja
  • Certyfikat UL dla strefy zagrożenia wybuchem, grupa A (acetylen)
    Ja
  • Certyfikat UL dla strefy zagrożenia wybuchem, grupa C (etylen)
    Ja
  • Certyfikacja UL dla strefy zagrożenia wybuchem, grupa E (pyły metalowe)
    Nein
  • Certyfikacja UL dla strefy zagrożenia wybuchem, grupa G (pyły nieprzewodzące)
    Nein
  • Höhe
    100 mm
  • Spannungsart der Versorgungsspannung
    DC
  • Eingang, Strom
    Nein
  • Eingang, Widerstand
    Ja
  • Eingang, Thermoelement
    Nein
  • Auflösung der Analogeingänge
    12 b
  • Ausgang, Spannung
    Nein
  • Anzahl der analogen Eingänge
    2
  • Analoge Eingänge konfigurierbar
    Ja
  • Anzahl der HW-Schnittstellen Industrial Ethernet
    0
  • Anzahl der HW-Schnittstellen seriell RS-232
    0
  • Anzahl der HW-Schnittstellen seriell RS-485
    0
  • Anzahl der HW-Schnittstellen parallel
    0
  • Anzahl der HW-Schnittstellen USB
    0
  • Obsługa protokołu EtherCAT
    Nein
  • Unterstützt Protokoll für PROFIBUS
    Nein
  • Unterstützt Protokoll für INTERBUS
    Nein
  • Unterstützt Protokoll für KNX
    Nein
  • Unterstützt Protokoll für Data-Highway
    Nein
  • Unterstützt Protokoll für SUCONET
    Nein
  • Unterstützt Protokoll für PROFINET IO
    Nein
  • Unterstützt Protokoll für SERCOS
    Nein
  • Unterstützt Protokoll für EtherNet/IP
    Nein
  • Unterstützt Protokoll für DeviceNet Safety
    Nein
  • Unterstützt Protokoll für PROFIsafe
    Nein
  • Unterstützt Protokoll für sonstige Bussysteme
    Nein
  • Funkstandard WLAN 802.11
    Nein
  • Funkstandard GSM
    Nein
  • IO-Link Master
    Nein
  • Schutzart (IP)
    IP20
  • Feldbusanschluss über seperaten Buskoppler möglich
    Ja
  • Wand-/Direktmontage möglich
    Nein
  • Rack-Montage möglich
    Nein
  • Poziom bezpieczeństwa SIL zgodnie z IEC 61508
    ohne
  • Zugehöriges Betriebsmittel (Ex ia)
    Nein
  • Explosionsschutz-Kategorie für Gas
    ATEX Gas-Ex-Schutz, Kat. 3G
  • Certyfikat UL dla strefy zagrożenia wybuchem, klasa I
    Ja
  • Certyfikat UL dla strefy zagrożenia wybuchem, klasa III
    Nein
  • Certyfikat UL dla strefy zagrożenia wybuchem, kategoria 2
    Nein
  • Certyfikat UL dla strefy zagrożenia wybuchem, grupa B (wodór)
    Ja
  • Certyfikat UL dla strefy zagrożenia wybuchem, grupa D (propan)
    Ja
  • Certyfikacja UL dla strefy zagrożenia wybuchem, grupa F (pyły węglowe)
    Nein
  • Breite
    12 mm
  • Tiefe
    67.8 mm

Dettagli del produttore

  • Produttore
    WAGO GmbH & Co. KG
  • Indirizzo
    32423 Minden Hansastraße 27 Niemcy

Imballaggio sfuso

Una specie di pacchetto Karton
Quantità 1 pezzi
Peso (kg) 0,061
Volume (m3) 0,000
Larghezza (m) 0,020
Lunghezza (m) 0,104
Profondità (m) 0,074
Segnala un errore