Вибери свою гуртівню
Наші сервіси
www.b2b.el12.pl
www.akademia.el12.pl
www.elstilo.com.pl
Для постачальника
Для клієнта
/ Польща / PLN / Брутто
Всі категорії
Апаратура електрична
Автоматика
Електричне обладнання
Освітлення
Розподільчі шафи, корпуси
Кабелі та проводи
Прокладання проводів та кабелів
З’єднувачі проводів та кабелів
Блискавкозахист
Вентиляція та опалення
Інструменти
Вимірювальні прилади
Моніторинг, сигналізації, домофони
Джерела живлення
Одяг ЗІЗ
Хімія
Cонячні ел/станції
Електронні пристрої
Інше
Товари Plus
Акції
Розпродаж
Запити
Буфер обміну
0
Кошик
0
Увійти / зареєструватися
Логін
Електронна пошта
Пароль
Запам’ятати мене
Вхід
Я забув свій пароль
У вас немає облікового запису?
Зареєструватися
Категорії
Виробники
Чому ми
Розпродаж
Акції
Бестселери
Контакт
el12
Vedení kabelů a drátů
Kanály
Kovové kanály
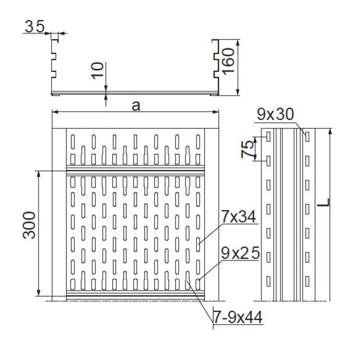
Žlab pozinkovaný, šířka 600 mm, délka 6 m, výška 160 mm 276116
Внутрішній артикул:
TKM834BAKS
№ каталоговий:
276116
Код EAN:
5900993213256
Натисни на фото щоб збільшити
Виробник:
BAKS
Délka [mm]:
6000
Tloušťka [mm]:
1,5
Materiál:
Ocel žárově pozinkovaná
Виріб великого розміру
Ціна:
1457,32 zł
hrubý / шт.
(з ПДВ 23%)
до 4 тижнів
На замовлення
Кількість шт.
(багаторазовий:
1
)
Додай до кошика
Додати до запиту на пропозицію
Додати в буфер обміну
Роздрукувати
Запитайте про товар
Технічні дані
Інформація про виробника
Файли для завантаження
Технічні дані
Délka [mm]
6000
Materiál
Ocel žárově pozinkovaná
Výška [mm]
160
PKWIU
25.11.23.0
Tloušťka [mm]
1,5
Šířka a [mm]
600
Užitný průřez [mm²]
93 800
Інші технічні дані
Wysokość
160 mm
Grubość materiału
2 mm
Przekrój użyteczny
93800 mm²
Perforacja boczna
Ano
Układ otworów montażowych NATO
Ne
Model szerokorozpiętościowy
Ano
Materiał
Stal
Gatunek materiału
Inne
Kolor
Inne
Szerokość
600 mm
Długość
6000 mm
Z pokrywą
Ne
Perforacja montażowa w części dolnej
Ano
Model
Bez łącznika
System utrzymania sprawności działania E30, E90 w czasie pożaru
Ne
Stal nierdzewna, wytrawiona
Ne
Zabezpieczenie powierzchni
Ocynk ogniowy
Ciężar
13.92 kg/m
Розгорнути технічні характеристики ▼
Інформація про виробника
Виробник
BAKS Kazimierz Sielski
Адреса
05-480 Karczew Jagodne 5 Polska
Електронна пошта
baks@baks.com.pl
Файли для завантаження
Завантажити всі файли
Deklaracja-Zgodnosci-UE-nr-1_23-CE-standard-PN-EN.pdf
BAKS-TM-BS-EN.pdf
BAKS-TM.pdf
BAKS_9001_Certyfikat_PL.pdf
BAKS_14001_Certyfikat_PL.pdf
Atest-Higieniczny.pdf
Повідомити про помилку