Choose your wholesaler
Our services
www.b2b.el12.pl
www.akademia.el12.pl
www.elstilo.com.pl
For the supplier
For client
/ Poland / PLN / gross
All categories
Electrical apparatus
Automation
Electrical equipment
Lighting
Switchboards and enclosures
Cables and wires
Running cables and wires
Connecting cables and wires
Lightning protection
Ventilation and heating
Tools
Measuring devices
Monitoring, alarms, intercoms
Power sources
Protective and OHS clothing
Chemistry
Photovoltaics
Electronic devices
Other
Plus Products
sale
Outlet
Inquiries
Clipboard
0
Cart
0
Login / Register
Login
E-mail
Password
Remember me
Log in
I forgot my password
You do not have an account?
Register
Categories
Manufacturers
Why us
Outlet
Promotions
Bestsellers
Contact
el12
Vedení kabelů a drátů
Kanály
Kovové kanály
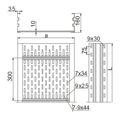
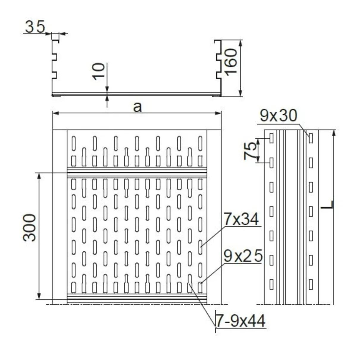
Žlab pozinkovaný, šířka 500 mm, délka 6 m, výška 160 mm 275116
local index:
TKM830BAKS
Catalog No:
275116
EAN code:
5900993213249
Click on the photo to enlarge
Manufacturer:
BAKS
Délka [mm]:
6000
Tloušťka [mm]:
1,5
Materiál:
Ocel žárově pozinkovaná
Large-size product
Price:
1 298,23 zł
hrubý / pcs.
(including VAT 23%)
up to 4 weeks
On request
Quantity pcs.
(multiplicity:
1
)
Add to cart
Add to inquiry
Add to clipboard
Print
Ask about the product
Technical data
Manufacturer details
Files to download
Technical data
Délka [mm]
6000
Materiál
Ocel žárově pozinkovaná
Výška [mm]
160
PKWIU
25.11.23.0
Tloušťka [mm]
1,5
Šířka a [mm]
500
Užitný průřez [mm²]
68 900
Expand Technical Data ▼
Manufacturer details
Manufacturer
BAKS Kazimierz Sielski
Address
05-480 Karczew Jagodne 5 Polska
E-mail
baks@baks.com.pl
Files to download
Download all files
Deklaracja-Zgodnosci-UE-nr-1_23-CE-standard-PN-EN.pdf
BAKS-TM-BS-EN.pdf
BAKS-TM.pdf
BAKS_9001_Certyfikat_PL.pdf
BAKS_14001_Certyfikat_PL.pdf
Atest-Higieniczny.pdf
Report an error