Scegliete il vostro grossista
I nostri servizi
www.b2b.el12.pl
www.akademia.el12.pl
www.elstilo.com.pl
Per il fornitore
Per il cliente
/ Polonia / PLN / lordo
Tutte le categorie
Materiale elettrico
Automazione
Materiale elettrico
Illuminazione
Quadri elettrici e involucri
Cavi e fili
Instradamento di cavi e fili
Collegamento di cavi e fili
Protezione contro i fulmini
Ventilazione e riscaldamento
Utensili
Dispositivi di misurazione
Monitoraggio, allarmi, citofoni
Fonti di energia
Abbigliamento protettivo e sanitario sul lavoro
Chimica
Fotovoltaico
Dispositivi elettronici
Altro
Più prodotti
vendita
Outlet
Richieste di informazioni
Appunti
0
Carrello
0
Accedi / Registrati
Login
Email
Password
Non ricordo la mia password
Accedi
Non hai un account?
Registro
Categorie
Produttori
Perché noi
Outlet
Promozioni
I più venduti
Contatto
el12
Vedení kabelů a drátů
Kanály
Kovové kanály
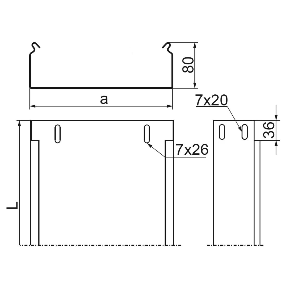
Zásobník, KBJ300H80/3 181630
Indice locale:
TKM408BAKS
Numero di catalogo:
181630
Codice EAN:
5900993036329
Clicca sulla foto per ingrandire
Produttore:
BAKS
Délka [mm]:
3000
Materiál:
Pozinkovaná ocel
Šířka [mm]:
300
Vedi la descrizione completa
Prodotto di grandi dimensioni
Prezzo:
181,09 zł
hrubý / pezzi
(inclusa IVA 23%)
fino a 4 settimane
Su ordinazione
Quantità pezzi
(multiplo:
1
)
Aggiungi al carrello
Aggiungi alla richiesta di preventivo
Aggiungi agli appunti
Stampa
Chiedi informazioni sul prodotto
Descrizione del prodotto
Dati tecnici
Dettagli del produttore
File da scaricare
Descrizione del prodotto
Zásobník, KBJ300H80/3
Espandi la descrizione completa ▼
Dati tecnici
Délka [mm]
3000
Šířka [mm]
300
Dodržování norem
PN-EN 103462011
Materiál
Pozinkovaná ocel
Typ
KBJ300H80/3
PKWIU
25.11.23.0
Altri dati tecnici
Wysokość
80 mm
Grubość materiału
1 mm
Przekrój użyteczny
23800 mm²
Perforacja boczna
Ne
Układ otworów montażowych NATO
Ne
Model szerokorozpiętościowy
Ne
Materiał
Stal
Gatunek materiału
Inne
Kolor
Inne
Szerokość
300 mm
Długość
3000 mm
Z pokrywą
Ne
Perforacja montażowa w części dolnej
Ne
Model
Zintegrowany łącznik
System utrzymania sprawności działania E30, E90 w czasie pożaru
Ne
Stal nierdzewna, wytrawiona
Ne
Zabezpieczenie powierzchni
Ocynk ogniowy
Ciężar
3.69 kg/m
Ampliare i dati tecnici ▼
Dettagli del produttore
Produttore
BAKS Kazimierz Sielski
Indirizzo
05-480 Karczew Jagodne 5 Polska
Email
baks@baks.com.pl
File da scaricare
Scarica tutti i file
Deklaracja-Zgodnosci-UE-nr-1_23-CE-standard-PN-EN.pdf
Certyfikat-i-raport-VDE-ciągłość-elektryczna-koryt-drabin-i-ceowników-EN_DE.pdf
BAKS-TM-BS-EN.pdf
BAKS-TM.pdf
BAKS_9001_Certyfikat_PL.pdf
BAKS_14001_Certyfikat_PL.pdf
Atest-Higieniczny.pdf
Segnala un errore