Kabelový žlab pozinkovaný perforovaný 300x60mm 2m 0,75mm LKS 630 FS 6048889

Índice local:
TKM016OBOB
Número de catálogo:
6048889
Código EAN:
4012196992546
Fabricante: OBO BETTERMANN
Hmotnost [kg/100m]: 234
Délka [mm]: 2000
Tloušťka plechu [mm]: 0.75
Producto grande
Precio:
108,51 zł
hrubý / uds.
(IVA incluido 23%)
Fuera de stock
Añadir a solicitud de presupuesto
Imprimir

Descripción del producto

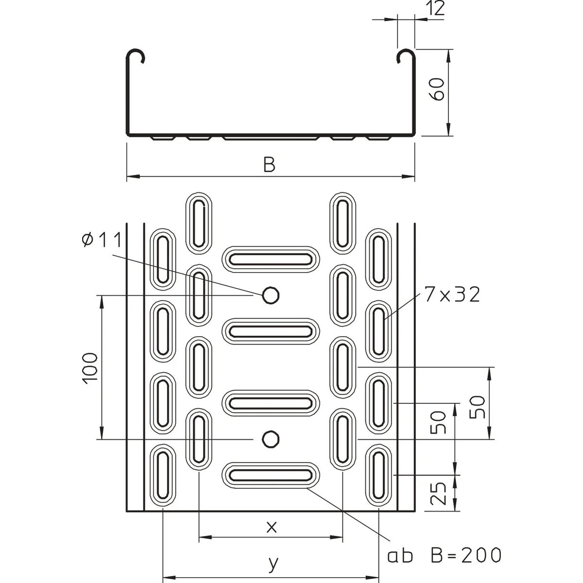
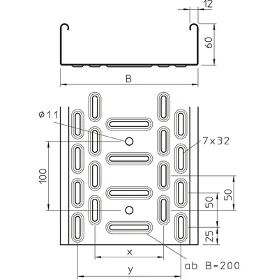
Kabelové žlaby s výškou bočnice 60 mm, pro vedení různých typů kabelů. Montáž van na výložníky pomocí šroubů FRSB 6x12. Perforace na dně žlabu 7 x 32 mm usnadňuje instalaci a ventilaci kabelů. Otvory 7 x 20 mm na boční stěně slouží jako připojovací otvory a pro montáž krytu. Kanály od šířky 100 mm mají otvory ve spodní části Ø 11 mm a příčnou perforací zpevňující jejich dno. Ohnuté okraje podnosu poskytují dodatečnou tuhost a ochranu okraje.

Datos técnicos

  • Hmotnost [kg/100m]
    234
  • Tloušťka plechu [mm]
    0.75
  • PKWIU
    25.11.23.0
  • Délka [mm]
    2000
  • Šířka [mm]
    300

Detalles del fabricante

  • Fabricante
    OBO Bettermann Polska Sp. z o.o.
  • Dirección
    02-495 Warszawa Kazimierza Gierdziejewskiego 7
  • NIF
    5211001039

Archivos para descargar

Informar de un error