Scegliete il vostro grossista
I nostri servizi
www.b2b.el12.pl
www.akademia.el12.pl
www.elstilo.com.pl
Per il fornitore
Per il cliente
/ Polonia / PLN / lordo
Categorie
Materiale elettrico
Automazione
Materiale elettrico
Illuminazione
Quadri elettrici e involucri
Cavi e fili
Instradamento di cavi e fili
Collegamento di cavi e fili
Protezione contro i fulmini
Ventilazione e riscaldamento
Utensili
Dispositivi di misurazione
Monitoraggio, allarmi, citofoni
Fonti di energia
Abbigliamento protettivo e sanitario sul lavoro
Chimica
Più prodotti
Fotovoltaico
Altro
vendita
Outlet
Richieste di informazioni
Appunti
0
Carrello
0
Accedi / Registrati
Login
Email
Password
Ricordati di me
Accedi
Non ricordo la mia password
Non hai un account?
Registro
Categorie
Produttori
Perché noi
Outlet
Promozioni
I più venduti
Contatto
el12
Rozvaděče a skříně
Příslušenství k rozvaděčům
el12
Propagační akce
Zapojte se do hry - HAGER
Blok UNIVERSN pro přípojnice poz. 12/20/30x5/10mm 60mm 4/5-pol. 450 x 250 mm UE31E0A
Indice locale:
RRR288HAGE
Numero di catalogo:
UE31E0A
Codice EAN:
3250616151086
Clicca sulla foto per ingrandire
Produttore:
HAGER
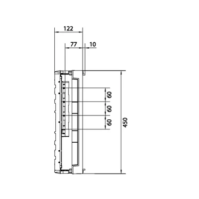
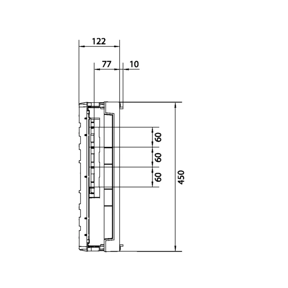
Hloubka [mm]:
110
Počet pólů:
4
Instalace:
DIN lišta
Vedi la descrizione completa
Prezzo:
722,67 zł
hrubý / pezzi
(inclusa IVA 23%)
Consegna in 3 ore
fino a 4 settimane (giorni lavorativi)
Raccolta in 1h
Quantità pezzi
(multiplo:
1
)
Aggiungi al carrello
Aggiungi alla richiesta di preventivo
Aggiungi agli appunti
Stampa
Chiedi informazioni sul prodotto
Descrizione del prodotto
Dati tecnici
Dettagli del produttore
Imballaggio sfuso
File da scaricare
Descrizione del prodotto
Komponenty s plným krytem, s držákem přípojnic, výška 450 mm
Espandi la descrizione completa ▼
Dati tecnici
Hloubka [mm]
110
Instalace
DIN lišta
Výška [mm]
450
Počet pólů
4
Šířka [mm]
250
PKWIU
27.12.40.0
Altri dati tecnici
Wysokość
450 mm
Głębokość
110 mm
Liczba biegunów
4
Wysokość szyny zbiorczej
30 mm
Szerokość
250 mm
Z pokrywą
Ano
Rozstaw osi szyn
60 mm
Grubość szyny zbiorczej
5 mm
Ampliare i dati tecnici ▼
Dettagli del produttore
Produttore
Hager Electro GmbH & Co KG
Indirizzo
DE 66440 Blieskastel Zum Gunterstal Niemcy
Email
wsparcie.klienta@hager.com
Imballaggio sfuso
Una specie di pacchetto
Karton
Paleta
Quantità
1 pezzi
60 pezzi
Peso (kg)
1,310
79,140
Larghezza (m)
0,260
0,800
Lunghezza (m)
0,120
0,780
Profondità (m)
0,450
1,200
File da scaricare
hager_deklaracja_CE_001_EN_2024_v1_0_sig.pdf
rohs_declaration_UE31E0A_en-GB.pdf
UE31E0A.pdf
XP1_BAUSTEIN_INT_6U601300A.pdf
Segnala un errore