Choisissez votre grossiste
Nos services
www.b2b.el12.pl
www.akademia.el12.pl
www.elstilo.com.pl
Pour le fournisseur
Pour le client
/ Pologne / PLN / brut
Catégories
Appareils électriques
Automatisation
Équipement électrique
Éclairage
Tableaux et enveloppes
Câbles et fils
Faire passer des câbles et des fils
Câbles et fils de connexion
Protection contre la foudre
Aération et chauffage
Outils
Instruments de mesure
Surveillance, alarmes, interphones
Sources d'énergie
Vêtements de protection et de sécurité au travail
Chimie
Plus de produits
Photovoltaïque
Autre
vente
Sortie
Demandes de renseignements
Presse-papiers
0
Panier
0
S'identifier / Registre
Se connecter
E-mail
Mot de passe
Souviens-toi de moi
S'identifier
J'ai oublié mon mot de passe
Vous n'avez pas de compte ?
Enregistrer
Catégories
Producteurs
Pourquoi nous
Sortie
Promotions
Bestsellers
Contact
el12
Propojovací kabely a vodiče
Kabelová oka
Cu tipy
Očko na potrubí KCS 6-16 KCS_6-16/1
Index local:
TCC053ERKO
Numéro de catalogue:
KCS_6-16/1
Code EAN:
5905912828658
Cliquer sur la photo pour l'agrandir
Producteur:
ERKO
Materiál:
Měď
Typ:
Oczkowa
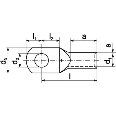
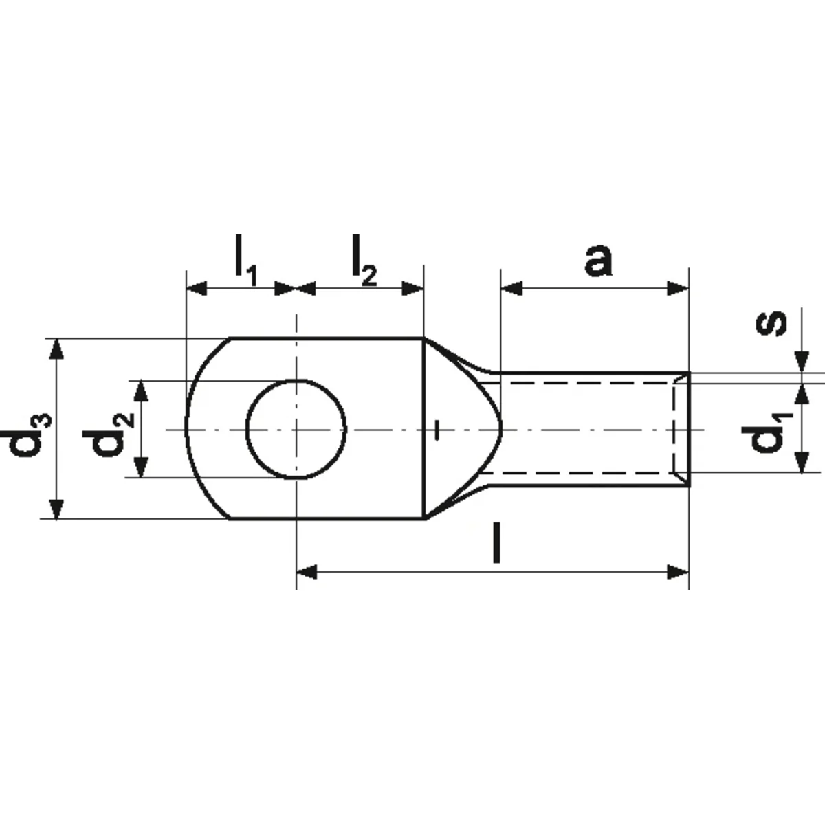
Průřez [mm²]:
16
Voir la description complète
Prix:
2,83 zł
hrubý / pcs.
(y compris la TVA 23%)
Livraison en 3h
jusqu'à 2 semaines (jours ouvrables)
Ramassage en 1h
Quantité pcs.
(plusieurs:
1
)
Ajouter au panier
Ajouter à la demande de devis
Ajouter au presse-papiers
Imprimer
Renseignez-vous sur le produit
Description du produit
Données techniques
Détails du fabricant
Description du produit
KCS 6-16 trubicová koncovka s očkem
Développer la description complète ▼
Données techniques
Materiál
Měď
Průřez [mm²]
16
Otvor pro šroub
M6
Typ
Oczkowa
Průřez kabelu [mm²]
16
Krytí
Elektropocínováno
Autres données techniques
Rozmiar gwintu metrycznego przyłącza
6
Kształt końcówki
Oczkowy
Z izolacją
Ne
Materiał
Miedź
Nominalny przekrój poprzeczny
16 mm²
Kąt połączenia
180° (poziomo)
Model bez kołnierza
Ano
Z otworem kontrolnym
Ne
Zabezpieczenie powierzchni
Cynowanie
Élargir les données techniques ▼
Détails du fabricant
Producteur
ERKO sp. z o.o. sp.k.
Adresse
11-042 Jonkowo Lipowa 24 Polska
E-mail
erko@erko.pl
Signaler une erreur