Elektronický předřadník 36W, 230V 913700609266

Índice local:
OCS051PHIL
Número de catálogo:
913700609266
Código EAN:
8711500910134
Fabricante: PHILIPS
Výkon [W]: 36
Jmenovité napětí [V]: 230
Životnost [h]: 50000
Precio:
177,71 zł
hrubý / uds.
(IVA incluido 23%)
Entrega en 3h
hasta 4 semanas (días laborables)
Recogida en 1h
Cantidad uds.
(múltiple:
12
)
Añadir a solicitud de presupuesto
Añadir al portapapeles
Imprimir

Descripción del producto

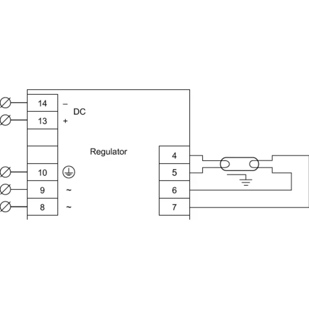
Plochý, lehký, vysokofrekvenční elektronický předřadník s možností regulace dle protokolu 1-10V - pro zářivky TL-D. HF II regulátor pro TL-D výbojky — stmívání: další krok k úspoře energie:    Výkon lampy lze snížit od 1 do 100 % díky analogovému vstupu ovladače (v souladu s normou pro zařízení 1–10 V),  Soulad s evropskými a asijskými standardy; lze použít v systémech nouzového osvětlení, Vysokofrekvenční provoz zlepšuje kvalitu světla a prodlužuje životnost lampy, Možnost dalších úspor energie díky použití ovladačů

Datos técnicos

  • Výkon [W]
    36
  • Životnost [h]
    50000
  • Jmenovité napětí [V]
    230

Otros datos técnicos

  • Model
    Elektroniczny
  • Ściemniacz 0-10 V
    Ne
  • Ściemniacz DALI
    Ne
  • Ściemniacz DMX
    Ne
  • Ściemniacz GPRS
    Ne
  • Ściemniacz systemowy producenta
    Ne
  • Ściemniacz z odcinaniem fazy
    Ne
  • Ściemniacz programowalny
    Ne
  • Ściemniacz triakowy
    Ne
  • Ściemniacz Zigbee
    Ne
  • Bez funkcji ściemniania
    Ne
  • Do lamp typu HM
    Ne
  • Do lamp typu LS
    Ne
  • Do lamp typu T16
    Ne
  • Do lamp typu T26
    Ano
  • Do lamp typu T-R
    Ne
  • Do lamp typu TC-D
    Ne
  • Do lamp typu TC-DEL
    Ne
  • Do lamp typu TC-L
    Ne
  • Do lamp typu TC-S
    Ne
  • Do lamp typu TC-T
    Ne
  • Do lamp o mocy (układ 1-lampowy)
    36 ... 36 W
  • Do lamp o mocy
    36 ... 36 W
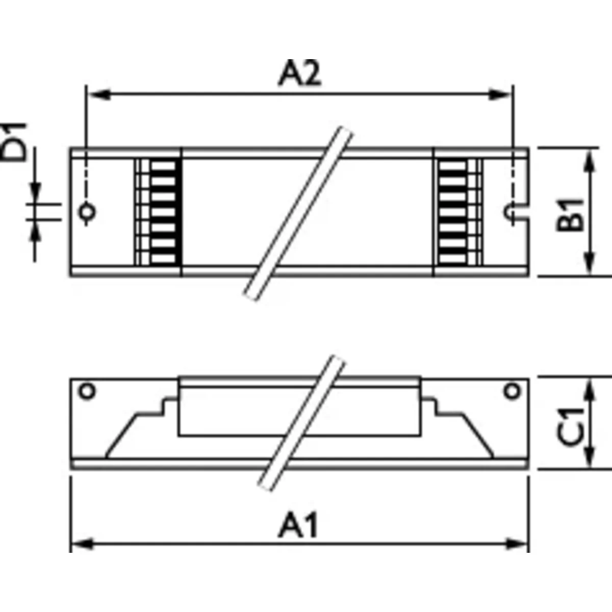
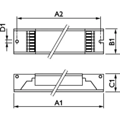
  • Obudowa
    Obudowa metalowa
  • Stopień ochrony (IP)
    IP20
  • Długość
    360 mm
  • Wysokość
    22 mm
  • Model Multiwatt
    Ne
  • Ściemniacz 1-10 V
    Ano
  • Ściemniacz DSI
    Ne
  • Potencjometr ściemniacza (zintegrowany)
    Ne
  • Ściemniacz LineSwitch
    Ne
  • Ściemniacz PWM
    Ne
  • Ściemniacz z nacinaniem fazy
    Ne
  • Ściemniacz RF
    Ne
  • Ściemniacz Touch and Dim
    Ne
  • Ściemniacz z przyciskiem
    Ne
  • Do lamp typu HI
    Ne
  • Do lamp typu HS
    Ne
  • Do lamp typu T7
    Ne
  • Do lamp typu T16-R
    Ne
  • Do lamp typu T38
    Ne
  • Do lamp typu T-U
    Ne
  • Do lamp typu TC-DD
    Ne
  • Do lamp typu TC-F
    Ne
  • Do lamp typu TC-QEL
    Ne
  • Do lamp typu TC-SEL
    Ne
  • Do lamp typu TC-TEL
    Ne
  • Do wielu źródeł światła
    1 ... 1
  • Napięcie znamionowe
    220 ... 240 V
  • Z odciążeniem naprężeń
    Ne
  • Klasa ochronności
    Brak
  • Szerokość
    30 mm

Detalles del fabricante

Empaquetado a granel

una especie de paquete Paczka Karton Paleta
Cantidad 1 uds. 12 uds. 1008 uds.
Peso (kg) 0,272 3,261 296,976
Ancho (m) 0,030 0,193 0,800
Longitud (m) 0,359 0,371 1,200
Profundidad (m) 0,022 0,067 0,619
Informar de un error