 
                                     
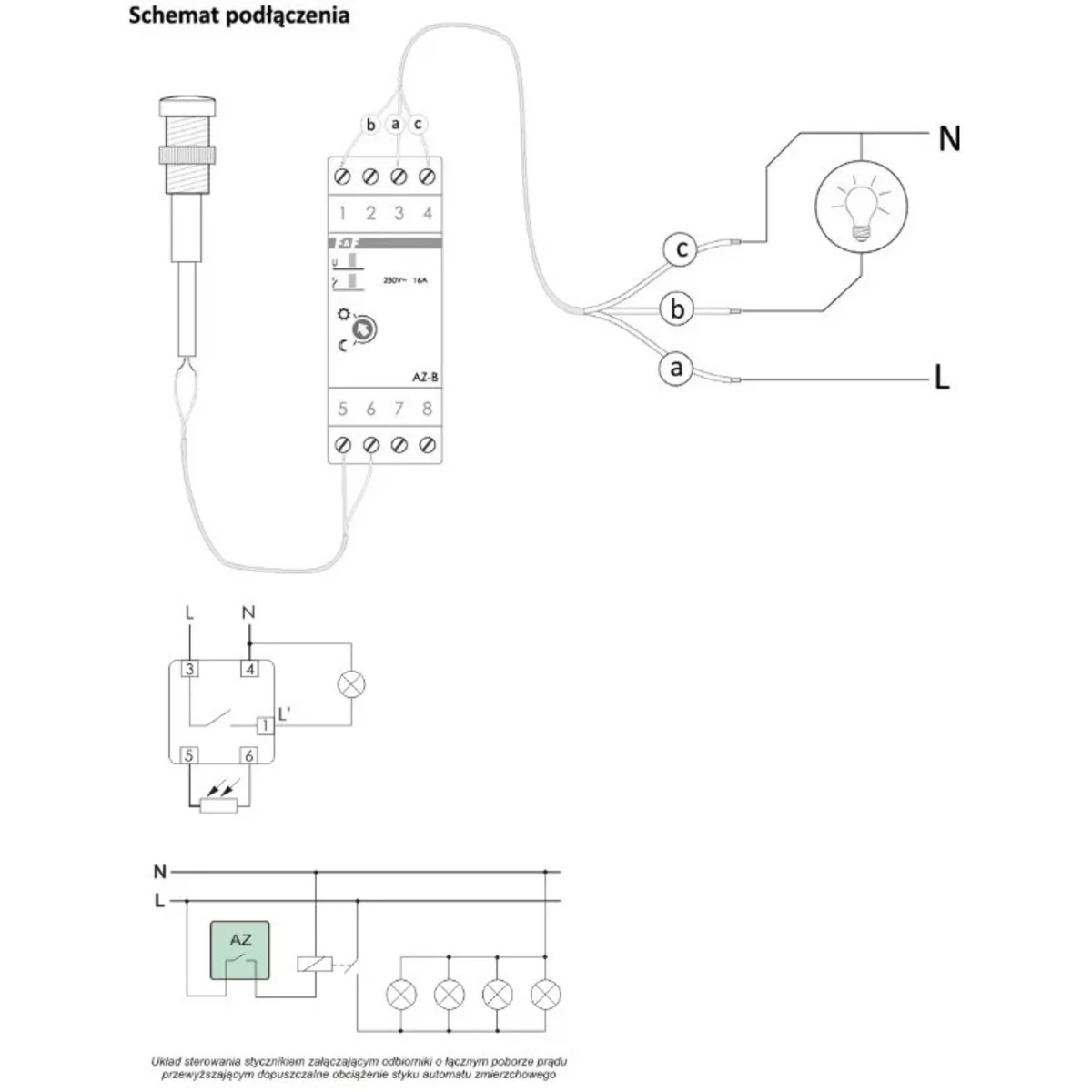
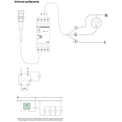
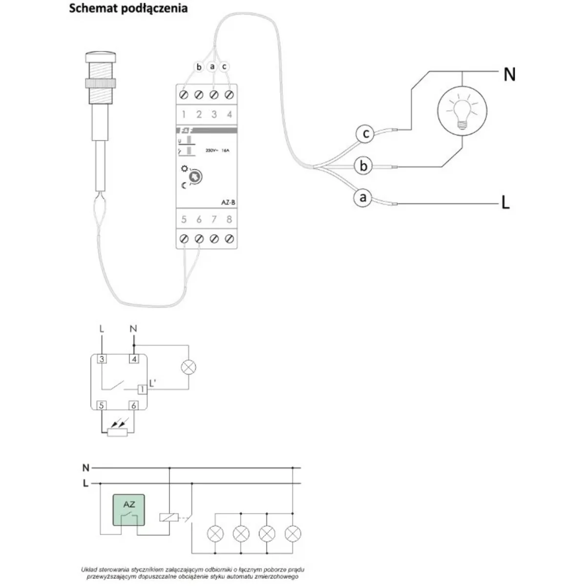
                                    Soumrakový spínač se používá k automatickému zapnutí osvětlení ulic, náměstí, výstav, reklam atd. za soumraku a vypnutí osvětlení za svítání. Pokud je připojovací kabel sondy delší než 10 m, neměl by být veden v blízkosti paralelního kabelu pod napětím. sítě nebo přenášející velké proudy.
| Une sorte de paquet | Sztuka | 
| Quantité | 1 pcs. | 
| poids (kg) | 0,127 | 
| Largeur (m) | 0,056 | 
| Longueur (m) | 0,095 | 
| Profondeur (m) | 0,070 |